一乐电子

 找回密码
 请使用微信账号登录和注册会员

QQ登录

只需一步,快速开始

微信扫码登录

手机号码,快捷登录

手机号码,快捷登录

搜索
查看: 5122|回复: 12

m8电子负载 最后一个问题

[复制链接]
发表于 2010-12-21 23:26 | 显示全部楼层 |阅读模式
电流校准,设定PWM值时,我的只能调后3位数字(用4A电流校准),319电流表就4A了,放电误差+—10ma的样子100ma—5A差不多,以前好向是4位数才能调到4A。请教如何能使设定PWM值大一点,还有就是放电时调电流大小,要等个十几秒,第二行显示的实际电流才能基本稳定。最感到欣慰是交流内阻测1Ω以下电阻很准。也发几张图吧
DSC03597.JPG
DSC03599.JPG
DSC03601.JPG
DSC03606.JPG
DSC03612.JPG
发表于 2010-12-22 13:09 | 显示全部楼层
电流校准,设定PWM值时,我的只能调后3位数字(用4A电流校准),319电流表就4A了,放电误差+—10ma的样子10 ...
gdzrjtsxj 发表于 2010-12-21 23:26 https://www.yleee.com.cn/images/common/back.gif



看图是fish的套件,不知道是不是按照Gandf老大的原电路做的,如果是的话,应该是PWM分压电阻的问题

1.gif

可能是这个4.7K电阻虚焊了,
可以测量以下电压,比如放电时PWMA处的电压是300mV,82K电阻后的电压是16.*mV左右
回复

使用道具 举报

发表于 2010-12-22 14:19 | 显示全部楼层
很漂亮,可是你风扇在里面,怎么没有看到出风口啊!
回复

使用道具 举报

发表于 2010-12-22 15:18 | 显示全部楼层
回复 3# 蒿城小生


    出风口在上面,就是把上盖散热器那开的孔
回复

使用道具 举报

 楼主| 发表于 2010-12-22 21:22 | 显示全部楼层
看图是fish的套件,不知道是不是按照Gandf老大的原电路做的,如果是的话,应该是PWM分压电阻的问题
...
dradeng 发表于 2010-12-22 13:09 https://www.yleee.com.cn/images/common/back.gif



    谢了。我查查看。
回复

使用道具 举报

 楼主| 发表于 2010-12-22 21:45 | 显示全部楼层
看图是fish的套件,不知道是不是按照Gandf老大的原电路做的,如果是的话,应该是PWM分压电阻的问题
...
dradeng 发表于 2010-12-22 13:09 https://www.yleee.com.cn/images/common/back.gif



    我测量以下电压,放电时PWMA处的电压是290mV左右,82K电阻后的电压是37mV左右.
回复

使用道具 举报

发表于 2010-12-23 09:45 | 显示全部楼层
我测量以下电压,放电时PWMA处的电压是290mV左右,82K电阻后的电压是37mV左右.
gdzrjtsxj 发表于 2010-12-22 21:45 https://www.yleee.com.cn/images/common/back.gif



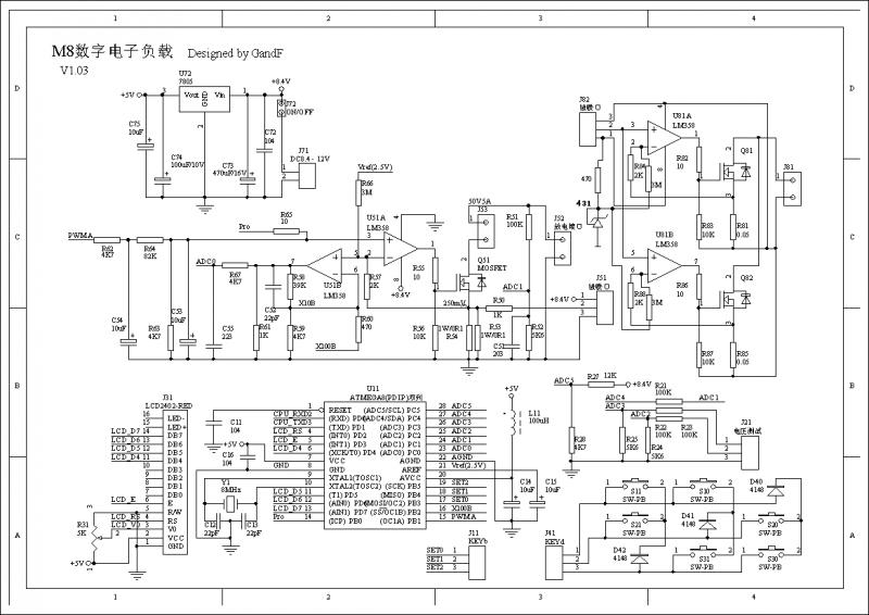
    M8电子负载 V1.03.png

手头没fish的板,看Gandf的原版电路说吧,先大致说下它的工作原理,有助于你找到问题所在:

PWMA输出经过滤波、分压后输入到358第3脚。PWMA信号被减小20倍左右后输入运放的。
如PWMA是从0~5000mV(具体数据不一定准确)变化,那么实际输入运放的信号就是0~250mV左右;
Vref(2.5V)经过R66、R57、R53//R54分压给运放第2和5脚加了个几mV的偏执电压,
假设是这个偏执电压是3mV(改变R66和R57值取得不同的偏执电压),那么358第3脚PWM信号有效变化范围为3~250mV,
对应358第2脚电压变化范围也就是3~250mV,采样电阻的压强范围就是0~247mV,
如果采样电阻是50毫欧,除以50得到对应的电流调节范围为0~4.9A。
回复

使用道具 举报

发表于 2010-12-23 12:55 | 显示全部楼层
我测量以下电压,放电时PWMA处的电压是290mV左右,82K电阻后的电压是37mV左右.
gdzrjtsxj 发表于 2010-12-22 21:45 https://www.yleee.com.cn/images/common/back.gif



我不知道你这个版本的各处电阻是多大,如果有卖家提供的电路图或者元件配置清单的话,你可以大致计算一下理论值。
可以在4A放电时,测试PWMA、分压后输入358第3脚的PWM信号、第2脚、采样电阻  这几处的电压,根据我前面的原理,容易判断是哪里出了问题。

比如测下4A时,采样电阻压降多少? 算一下跟标称阻值是否接近。
回复

使用道具 举报

 楼主| 发表于 2010-12-23 15:44 | 显示全部楼层
我不知道你这个版本的各处电阻是多大,如果有卖家提供的电路图或者元件配置清单的话,你可以大致计算 ...
dradeng 发表于 2010-12-23 12:55 https://www.yleee.com.cn/images/common/back.gif



    我用的采样电阻是12毫欧是康铜丝(20A电流表里的)放电管是IRFP2907,是不是358放大倍数太大了?电路板以经经不起拆、焊了,很多电阻都用胶固封了。看来只能这样用了,放电开始时后2位数极不稳定,要10几秒---1、2分钟才能稳定。稳定后只有最后1位数很慢的跳动。关于热飘问题,放电时间长了是要长几--10几毫安电流,但是一个问题,电流长上去稳定后按暂停马上又按开始,放电电流又正常了,如果是温度高的原因?前后温度差因该可以忽略不计,不解!
回复

使用道具 举报

发表于 2010-12-23 15:59 | 显示全部楼层
我用的采样电阻是12毫欧是康铜丝(20A电流表里的)放电管是IRFP2907,是不是358放大倍数太大了? ...
gdzrjtsxj 发表于 2010-12-23 15:44 https://www.yleee.com.cn/images/common/back.gif



不是温漂,软件有自动微调,还有运放也有飘移,换好点的运放效果不同
回复

使用道具 举报

本版积分规则

QQ|一淘宝店|手机版|商店|一乐电子 ( 粤ICP备09076165号 ) 公安备案粤公网安备 44522102000183号

GMT+8, 2025-11-25 10:14 , Processed in 0.037767 second(s), 30 queries , Gzip On.

Powered by Discuz! X3.5

© 2001-2025 Discuz! Team.

快速回复 返回顶部 返回列表