一乐电子

 找回密码
 请使用微信账号登录和注册会员

QQ登录

只需一步,快速开始

微信扫码登录

手机号码,快捷登录

手机号码,快捷登录

搜索
楼主: eletmoraes

[电子电路] 我接受任何材料,帮我设计的ATX来源

[复制链接]
发表于 2016-4-6 18:49 | 显示全部楼层
没法理解问题?他想问啥?
回复

使用道具 举报

发表于 2016-4-6 18:54 | 显示全部楼层
大概是来找教材的,最多能提供英文的,葡语的够呛
Like any educational material for power supplies ATX design and LCD monitors. Who teaches design PWM sources, it is possible?
回复

使用道具 举报

发表于 2016-4-6 18:56 | 显示全部楼层
大概是来找教材的,最多能提供英文的,葡语的够呛
Like any educational material for power supplies ATX design and LCD monitors. Who teaches design PWM sources, it is possible?
回复

使用道具 举报

 楼主| 发表于 2016-4-6 23:49 | 显示全部楼层
I'm from Porto Alegre, Rio Grande do Sul, Brazil .   Hello . The topic I created is to see if I can, if possible, acquire any educational material to create ATX supplies computers and supplies LCD monitors, how to calculate the values of the components, and then simulate the circuit created using Proteus or Orcad.
回复

使用道具 举报

发表于 2016-4-7 07:39 | 显示全部楼层
小时不学好,长大修电脑,看到英文头大,其他语言更头大
回复

使用道具 举报

发表于 2016-4-7 14:19 | 显示全部楼层
大概猜一下这位巴西朋友的意思,他想使用ATX电源内的大部分元器件,重新制做成一台DC POWER,并且有相关的控制部分和LCD显示。
回复

使用道具 举报

发表于 2016-4-7 14:31 | 显示全部楼层
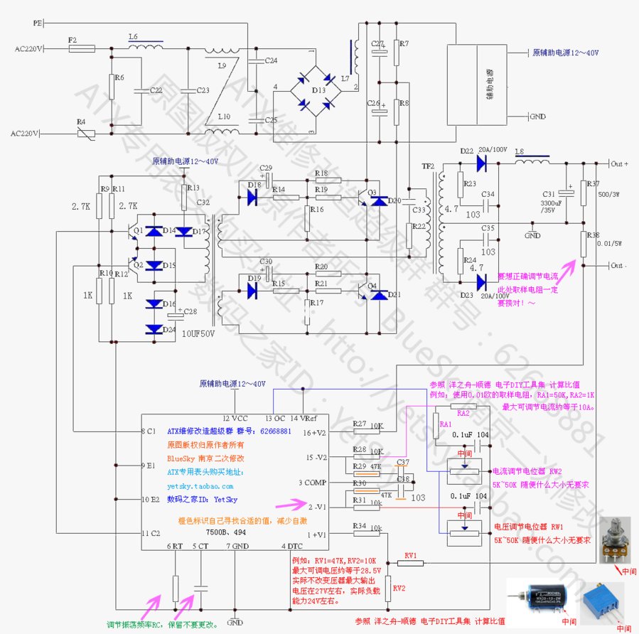
可以参考这个图
经典图3.gif

回复

使用道具 举报

发表于 2016-4-7 14:42 | 显示全部楼层
LCD显示某宝多的是 QQ截图20160407143902.jpg

回复

使用道具 举报

 楼主| 发表于 2016-4-7 19:54 | 显示全部楼层
本帖最后由 eletmoraes 于 2016-4-7 19:56 编辑

UM Exemplo fazer de Materiais de Estudo baseia-SE Nestes Livros Que Eu baixei

UM Exemplo de Materiais de aprendizagem, São baseados Nestes Livros Que baixei





Switch-Mode_Power_Converters_-_Design_and_Analysis_by_Keng_C_Wu[1].pdf

3.13 MB, 下载次数: 81, 下载积分: 一乐金币 -1

回复

使用道具 举报

发表于 2016-4-8 14:58 | 显示全部楼层

17楼的兄弟,
泄露国家机密?

文革,还回来吗?
回复

使用道具 举报

本版积分规则

QQ|一淘宝店|手机版|商店|一乐电子 ( 粤ICP备09076165号 ) 公安备案粤公网安备 44522102000183号

GMT+8, 2025-11-25 01:43 , Processed in 0.041587 second(s), 29 queries , Gzip On.

Powered by Discuz! X3.5

© 2001-2025 Discuz! Team.

快速回复 返回顶部 返回列表