一乐电子

 找回密码
 请使用微信账号登录和注册会员

QQ登录

只需一步,快速开始

微信扫码登录

手机号码,快捷登录

手机号码,快捷登录

搜索
楼主: chjj0

大吃一惊的LT3463

[复制链接]
发表于 2016-5-10 11:40 来自手机 | 显示全部楼层
翻新其实也没什么不好。原装翻新质量不差。价格还便宜。秒杀国产
回复

使用道具 举报

发表于 2016-5-10 12:10 | 显示全部楼层
2.JPG

刚查了这个好像不错,价格也便宜。楼主加油,我买了墨水屏,你懂的{:3_468:}
回复

使用道具 举报

发表于 2016-5-10 12:56 | 显示全部楼层
qq2203049 发表于 2016-5-10 12:10
刚查了这个好像不错,价格也便宜。楼主加油,我买了墨水屏,你懂的

4ma电流随便用单片机pwm就可以省掉这个IC的
回复

使用道具 举报

 楼主| 发表于 2016-5-10 13:31 | 显示全部楼层
qq2203049 发表于 2016-5-10 12:10
刚查了这个好像不错,价格也便宜。楼主加油,我买了墨水屏,你懂的

15v:36mA。-15v:36mA。
22v:1.8mA。
-20v:3.9mA。

回复

使用道具 举报

发表于 2016-5-10 13:55 | 显示全部楼层
luckroll 发表于 2016-5-10 12:56
4ma电流随便用单片机pwm就可以省掉这个IC的

是小了点,再找找
回复

使用道具 举报

发表于 2016-5-10 15:19 | 显示全部楼层
chjj0 发表于 2016-5-10 10:56
听大家一说心凉了一大截。。。

东西是正品的怕什么  我经常买进口的电源IC看着都是翻新的但都是好的
回复

使用道具 举报

 楼主| 发表于 2016-5-10 15:28 | 显示全部楼层
qq2203049 发表于 2016-5-10 13:55
是小了点,再找找

想低成本的就2个 3r33,加7815\7915。但不清楚干扰大不大。
回复

使用道具 举报

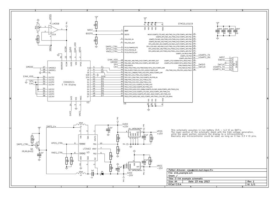
发表于 2016-5-10 17:52 | 显示全部楼层
schematics.jpg
这个是我找到的另一个人做的。芯片用的比较低级,没有实现灰度。
回复

使用道具 举报

 楼主| 发表于 2016-5-10 20:41 | 显示全部楼层
785418837 发表于 2016-5-10 17:52
这个是我找到的另一个人做的。芯片用的比较低级,没有实现灰度。

我基本是按这个做的
回复

使用道具 举报

发表于 2016-5-10 22:15 | 显示全部楼层
chjj0 发表于 2016-5-10 20:41
我基本是按这个做的

等消息~!
回复

使用道具 举报

本版积分规则

QQ|一淘宝店|手机版|商店|一乐电子 ( 粤ICP备09076165号 ) 公安备案粤公网安备 44522102000183号

GMT+8, 2026-3-13 15:57 , Processed in 0.030965 second(s), 28 queries , Gzip On.

Powered by Discuz! X3.5

© 2001-2025 Discuz! Team.

快速回复 返回顶部 返回列表