一乐电子

 找回密码
 请使用微信账号登录和注册会员

QQ登录

只需一步,快速开始

微信扫码登录

手机号码,快捷登录

手机号码,快捷登录

搜索
查看: 1431|回复: 0

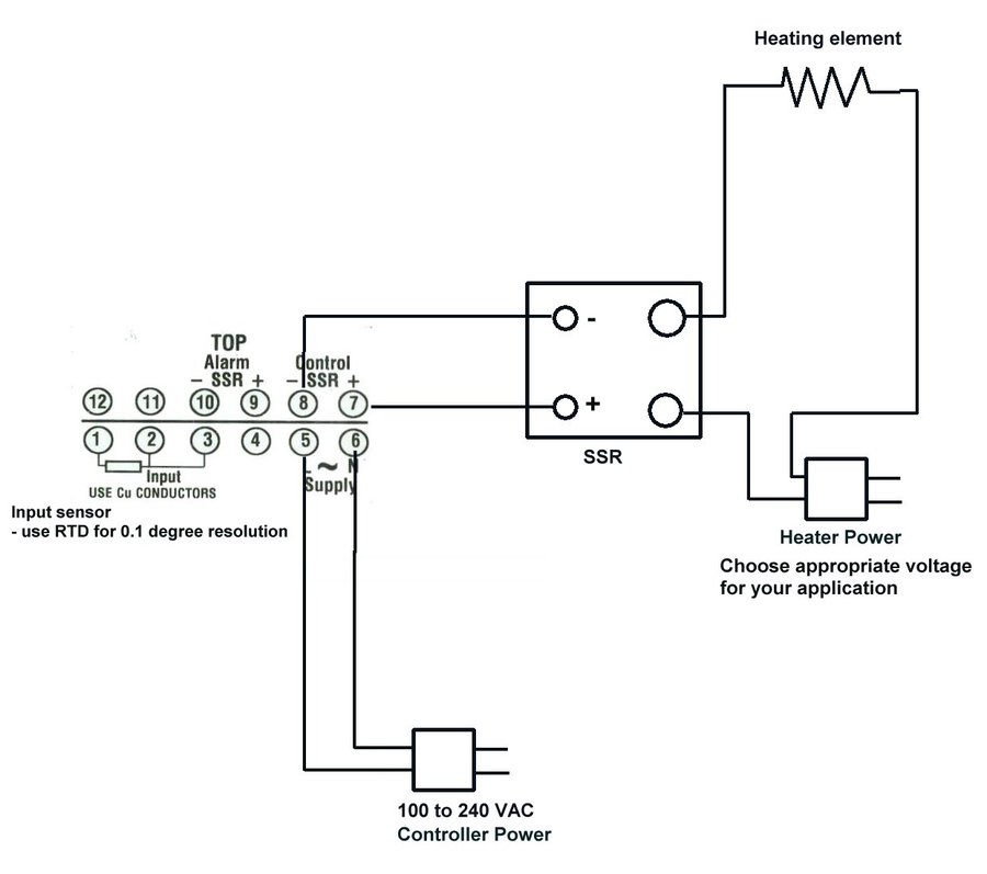
英国产的 霍尼韦尔 honeywell 温度控制器,用PT100探头,输出端口是 SSR 固态继电器

[复制链接]
发表于 2016-5-19 09:02 | 显示全部楼层 |阅读模式
英国产的 霍尼韦尔  honeywell 温度控制器,用PT100探头,输出端口是 SSR 固态继电器

温控以上标的SSR就是指这个输出端口用来驱动SSR固态继电器。

保真英国货,进口设备上拆的,里面用89C51单片机,红色数码管
个别外壳有磕碰螺丝有点锈斑,都不碍事,随机发货,里面成色都不错

买单温控器可以先发货,带pt100探头的,就要统计后才去买探头了

单温控器15元一个,10个包邮,

带全新PT100的温度探头18.5元一个,0.3米长线,

探头还没买,先看多少人需要再买了后发货


淘宝连接  https://item.taobao.com/item.htm?id=531907031249

IMG_20160519_083655.jpg


IMG_20160519_083437.jpg
IMG_20160519_083450.jpg
IMG_20160519_083456.jpg
IMG_20160519_083603.jpg
IMG_20160519_083621.jpg
IMG_20160519_083629.jpg
IMG_20160519_083654.jpg

本版积分规则

QQ|一淘宝店|手机版|商店|一乐电子 ( 粤ICP备09076165号 ) 公安备案粤公网安备 44522102000183号

GMT+8, 2026-4-3 23:02 , Processed in 0.032111 second(s), 20 queries , Gzip On.

Powered by Discuz! X3.5

© 2001-2025 Discuz! Team.

快速回复 返回顶部 返回列表