一乐电子

 找回密码
 请使用微信账号登录和注册会员

QQ登录

只需一步,快速开始

微信扫码登录

手机号码,快捷登录

手机号码,快捷登录

搜索
查看: 5128|回复: 15

[DP50数控电源] M8V7数控电源吐血求助。

[复制链接]
发表于 2016-5-29 18:00 | 显示全部楼层 |阅读模式
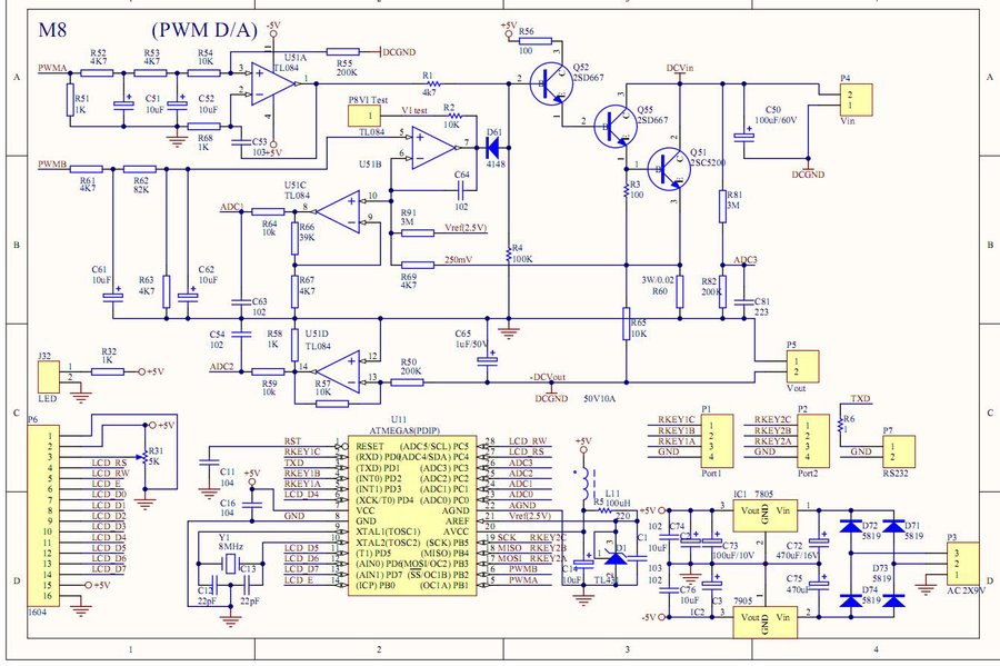
情况是这样,我上淘宝买了2套M8V7套件。卖家热心送了一片PCB。我由于那阵忙先确认了。而后找时间全安装起来了。包括卖家的套件。以及送我的PCB。总共是3套M8V7。输入用双41V左右的牛800VA并联次级整流滤波后得到一个55V左右的直流。输入供电测试过单24V直流。另外加绕双6.6V给M8V7供电。也换过独立的双9V变压器现在出现同样问题。大管换过2SC2922  TIP35C。几片板子问题基本是一样一样的。

就是在校准的时候能够从0V调整到49V。这时候在输出端并上22欧电阻。电压掉为3V左右。去掉电阻依旧能49V。

正常模式下调整0-50V。输出都是0.13XX V到0.17XXV都不动。分别几片板子的电压不太相同。但是基本是这样。

基本排除了管子安装不正确。装上元件问题。现在故障集中在原理图和PCB不对应和单片机程序问题。已知的BUG是编码器脚位不对。以及末级大管ECB脚位不对。现在发帖求助大家看看这样的情况从何分析判断问题所在呀。原理图和PCB图奉上。找卖家卖家现在也觉得奇怪。校准已经执行了几十上百次。实在是走投无路不知道咋整了发帖求助与万能的坛友了。看看是不是哪里PCB和原理图对不上了

图中TL494 1脚对地-3.3V。4脚对地5V 11脚对地-5.088 跟换过D667。以及C51 C52。检查过多次电阻没焊接错误。4片的单片机卖家提供。在未做任何校准之前上去。调高电压能够达到最高8V。但是8V+都上不去。其中一片板子在调高输出电压到5V+的时候用左手捏着编码器的地,右手摸大管的C级。能够输出电压但是依旧没电流。电压调整低于3V的时候直接跳到0V。然后即使调整到50V也还是0V(0V在这里就0.13-0.17V这样接个小负载就0V了。)即使在有电压比如49V输出的时候也是接个22欧电阻就能让他没输出了。
QQ图片20160529174941.jpg QQ图片20160529174950.png








发表于 2016-5-29 18:24 | 显示全部楼层
我有个有问题的M8板子子要不??
回复

使用道具 举报

 楼主| 发表于 2016-5-29 18:31 | 显示全部楼层
denglei 发表于 2016-5-29 18:24
我有个有问题的M8板子子要不??

看看?啥板子。

再补充一个事情就是校准电流的时候1A能上,由于散热器有限就上到1A
回复

使用道具 举报

发表于 2016-5-29 20:51 | 显示全部楼层
你哪用到了TL494呢?我的板子是自己做的,没有TL494啊,而且正常使用。
回复

使用道具 举报

发表于 2016-5-29 22:13 | 显示全部楼层
TL084吧?  楼主
回复

使用道具 举报

 楼主| 发表于 2016-5-29 22:20 | 显示全部楼层
回复楼上两位i朋友。的确是TL084输错了。
回复

使用道具 举报

发表于 2016-5-30 08:29 | 显示全部楼层
有没有跟随的
回复

使用道具 举报

发表于 2016-5-30 08:41 | 显示全部楼层
测下7805、7905输出是否正常,TL431是否是2.5V
回复

使用道具 举报

发表于 2016-5-30 11:58 | 显示全部楼层
管子EBC BCE接错了?我碰到过。
回复

使用道具 举报

发表于 2016-5-30 12:09 | 显示全部楼层
2SD667烧了?
回复

使用道具 举报

本版积分规则

QQ|一淘宝店|手机版|商店|一乐电子 ( 粤ICP备09076165号 ) 公安备案粤公网安备 44522102000183号

GMT+8, 2025-11-25 01:43 , Processed in 0.039279 second(s), 31 queries , Gzip On.

Powered by Discuz! X3.5

© 2001-2025 Discuz! Team.

快速回复 返回顶部 返回列表