一乐电子

 找回密码
 请使用微信账号登录和注册会员

QQ登录

只需一步,快速开始

微信扫码登录

手机号码,快捷登录

手机号码,快捷登录

搜索
查看: 2727|回复: 5

[其他综合] 请教阻容降压问题

[复制链接]
发表于 2016-6-5 14:20 | 显示全部楼层 |阅读模式
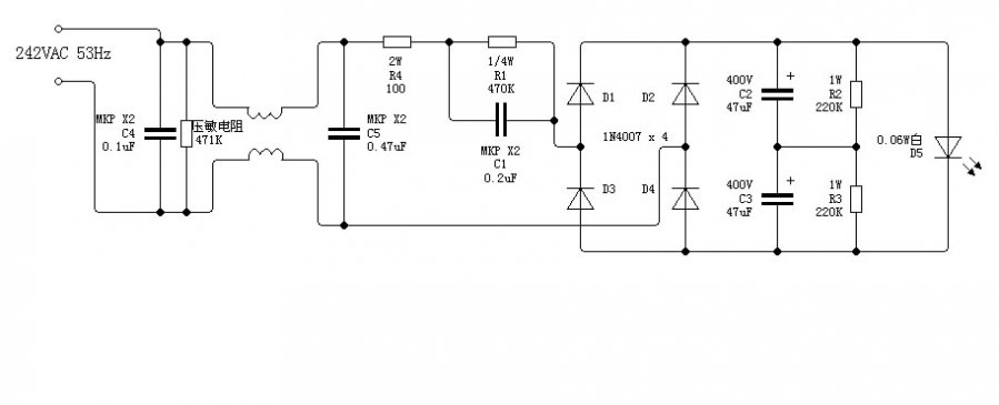
综合考虑了在极端条件下延长各元件的寿命,
以及损坏时,对其他各元件的保护,
我暂且设计的电路如下图,
请帮忙看一下各元件的参数是否合理:
新建图像.jpg
但依然有一些疑问,
抗冲击电阻R4接在整流输出到电解电容之间好,还是接在整流之前好?
为了延长滤波电容的寿命,上电对它的冲击电流限制在多少A比较好?
为了减小频繁开关对LED的冲击,浪涌吸收电解电容容量、以及它的放电电阻阻值多少比较合适?


发表于 2016-6-5 17:27 | 显示全部楼层

mydigit  有TX 用阻容降压来做单片机的电源,,,,,,可以去找找
回复

使用道具 举报

发表于 2016-6-5 20:42 | 显示全部楼层
你这图用料好浪费啊!没见市面有你这么多的原件。
回复

使用道具 举报

发表于 2016-6-6 07:48 | 显示全部楼层
其实阻容降压给LED用,不用那么复杂吧,,老胡那搞的草帽头套件,就用了好多年,还在用,,,LED我看工作电流小点就安全很多,
回复

使用道具 举报

发表于 2016-6-6 15:14 | 显示全部楼层
何必这么费心搞阻容降压,又危险,效率又不高,你这电路成本就超过一般的LED恒流电路了。
回复

使用道具 举报

 楼主| 发表于 2016-6-7 18:40 | 显示全部楼层
你这图用料好浪费啊!没见市面有你这么多的原件。

市面上的那些不就是为了节约成本才会用阻容电路的吗……

其实阻容降压给LED用,不用那么复杂吧,,老胡那搞的草帽头套件,就用了好多年,还在用,,,LED我看工作电流小点就安全很多,

这点可以赞同。工作电流小,浪涌时间相对来说会比大电流的短一些,所以对元件损伤相对小一些。

何必这么费心搞阻容降压,又危险,效率又不高,你这电路成本就超过一般的LED恒流电路了。

这并不是为了生产而设计的电路,而是自己做出来自己用的东西。
效率不高,主要是因为大部分都消耗在无功功率上了。毕竟家用电的电费是不计无功功率的,如果只算有功功率,这部分的效率还是很高的吧。
开关恒流没有频闪问题,这点比阻容好。但可靠性和安全性并不见得比阻容的高。
开关恒流模块的故障率还是蛮高的。一旦发生故障,可能轻则炸机,重则发生火灾。
毕竟是自己用的,也是为了学习和改进电路,当然要做得好一些,对安全性的要求要高一些。加入保护电路固然会降低效率,但为了安全,牺牲一点效率和成本也是值得的。
阻容电路的危险性主要体现在非隔离,只要做好绝缘防水,并且不去摸它,我想应该不会有什么大问题。
世面上的阻容大多是危险的。这和节约成本有关。但实际上阻容电路设计好的话,可靠性会比开关恒流驱动的高很多。

下面说说我这么设计的理由:
为了防止市电干扰,和打雷问题,在前面加入了市电滤波电路。
限流电容采用合格的安规电容而不用CBB电容,是为了防止电容爆了会着火,提高安全性。
加入限流电阻,是为了减少浪涌电流对整流管和电容的冲击,提高元件寿命。
电解电容不用400V的,而是将耐压提高到800V,是为了避免频繁开关时,可能会使市电的峰值电压311V与限流电容上的311V碟加到622V加到电解电容上会导致电解爆炸。还有避免整流管某只一击穿、同时LED开路时,622V加到电解电容上会导致电解爆炸。
电解电容的放电电阻采用1W的是为了解决LED开路时,会烧毁放电电阻的问题。采用两个是为了均压兼放电的作用。
限流电阻采用2W,是因为瓦数大的电阻抗浪涌电流冲击的能力稍强一些。

我想,通过这些改进应该可以使电路不会因为其中一个元件损坏而连带其他元件损坏,从而提高电路的安全性和可靠性。但是,接触不良以及频繁开关产生的浪涌对LED的冲击我还是想不出有什么办法能够避免,欢迎交流。
回复

使用道具 举报

本版积分规则

QQ|一淘宝店|手机版|商店|一乐电子 ( 粤ICP备09076165号 ) 公安备案粤公网安备 44522102000183号

GMT+8, 2025-11-25 01:44 , Processed in 0.033875 second(s), 26 queries , Gzip On.

Powered by Discuz! X3.5

© 2001-2025 Discuz! Team.

快速回复 返回顶部 返回列表