一乐电子

 找回密码
 请使用微信账号登录和注册会员

QQ登录

只需一步,快速开始

微信扫码登录

手机号码,快捷登录

手机号码,快捷登录

搜索
查看: 3119|回复: 5

[电子电路] 场效应管原理

[复制链接]
发表于 2016-6-7 15:21 | 显示全部楼层 |阅读模式
本帖最后由 zhang0076 于 2016-6-7 15:32 编辑

场效应管是较新型的半导体材料,利用电场效应来控制晶体管的电流,因而得名。它的外型也是一个三极管,因此又称场效应三极管。它只有一种载流子参与导电的半导体器件,是一种用输入电压控制输出电流的半导体器件。从参与导电的载流子来划分,它有电子作为载流子的N沟道器件和空穴作为载流子的P沟道器件。从场效应三极管的结构来划分,它有结型场效应三极管和绝缘栅型场效应三极管之分。

1.结型场效应三极管

(1) 结构

N沟道结型场效应三极管的结构如图1所示,它是在N型半导体硅片的两侧各制造一个PN结,形成两个PN结夹着一个N型沟道的结构。两个P区即为栅极,N型硅的一端是漏极,另一端是源极。

1.gif http://www.21ic.com/d/file/201211/92353c8db8e79693a3d25cf1a814c8d0.gif

图1结型场效应三极管的结构

(2) 工作原理

以N沟道为例说明其工作原理。

当UGS=0时,在漏、源之间加有一定电压时,在漏源间将形成多子的漂移运动,产生漏极电流。当UGS<0时,PN结反偏,形成耗尽层,漏源间的沟道将变窄,ID将减小,UGS继续减小,沟道继续变窄,ID继续减小直至为0。当漏极电流为零时所对应的栅源电压UGS称为夹断电压UGS(off)。

(3)特性曲线

结型场效应三极管的特性曲线有两条,一是输出特性曲线(ID=f(UDS)|UGS=常量),二是转移特性曲线(ID=f(UGS)|UDS=常量)。N沟道结型场效应三极管的特性曲线如图2所示。

2.JPG

(a) 漏极输出特性曲线             (b) 转移特性曲线

图2N沟道结型场效应三极管的特性曲线

2. 绝缘栅场效应三极管的工作原理

绝缘栅场效应三极管分为:耗尽型 →N沟道、P沟道   增强型 →N沟道、P沟道

(1)N沟道耗尽型绝缘栅场效应管

N沟道耗尽型的结构和符号如图3(a)所示,它是在栅极下方的SiO2绝缘层中掺入了大量的金属正离子。所以当UGS=0时,这些正离子已经感应出反型层,形成了沟道。于是,只要有漏源电压,就有漏极电流存在。当UGS>0时,将使ID进一步增加。UGS<0时,随着UGS的减小漏极电流逐渐减小,直至ID=0。对应ID=0的UGS称为夹断电压,用符号UGS(off)表示,有时也用UP表示。N沟道耗尽型的转移特性曲线如图30(b)所示。

3.JPG

(a) 结构示意图          (b) 转移特性曲线

图3N沟道耗尽型绝缘栅场效应管结构和转移特性曲线

(2)N沟道增强型绝缘栅场效应管

结构与耗尽型类似。但当UGS=0 V时,在D、S之间加上电压不会在D、S间形成电流。 当栅极加有电压时,若0UGS(th)时,形成沟道,将漏极和源极沟通。如果此时加有漏源电压,就可以形成漏极电流ID。在UGS=0V时ID=0,只有当UGS>UGS(th)后才会出现漏极电流,这种MOS管称为增强型MOS管。

N沟道增强型MOS管的转移特性曲线,见图4。

4.JPG

图4转移特性曲线

(3)P沟道MOS管

P沟道MOS管的工作原理与N沟道MOS管完全相同,只不过导电的载流子不同,供电电压极性不同而已。这如同双极型三极管有NPN型和PNP型一样。

3 主要参数

(1) 直流参数

指耗尽型MOS夹断电压UGS=UGS(off) 、增强型MOS管开启电压UGS(th)、耗尽型场效应三极管的饱和漏极电流IDSS(UGS=0时所对应的漏极电流)、输入电阻RGS.

(2) 低频跨导gm

gm可以在转移特性曲线上求取,单位是mS(毫西门子)。

(3) 最大漏极电流IDM

2 场效应半导体三极管

场效应半导体三极管是只有一种载流子参与导电的半导体器件,是一种用输入电压控制输出电流的半导体器件。从参与导电的载流子来划分,它有电子作为载流子的N沟道器件和空穴作为载流子的P沟道器件。从场效应三极管的结构来划分,它有结型场效应三极管JFET(Junction type Field Effect Transister)和绝缘栅型场效应三极管IGFET( Insulated Gate Field Effect Transister) 之分。IGFET也称金属-氧化物-半导体三极管MOSFET (Metal Oxide Semicon-ductor FET)。

2.2.1 绝缘栅场效应三极管的工作原理

绝缘栅场效应三极管(MOSFET)分为:

增强型 →N沟道、P沟道

耗尽型 →N沟道、P沟道

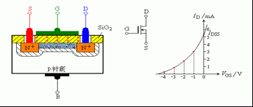
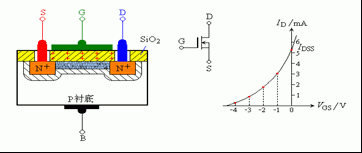
N沟道增强型MOSFET的结构示意图和符号见图02.13。 电极D(Drain)称为漏极,相当双极型三极管的集电极;

G(Gate)称为栅极,相当于的基极;

S(Source)称为源极,相当于发射极。

(1)N沟道增强型MOSFET

① 结构

根据图02.13,N沟道增强型MOSFET基本上是一种左右对称的拓扑结构,它是在P型半导体上生成一层SiO2 薄膜绝缘层,然后用光刻工艺扩散两个高掺杂的N型区,从N型区引出电极,一个是漏极D,一个是源极S。在源极和漏极之间的绝缘层上镀一层金属铝作为栅极G。P型半导体称为衬底,用符号B表示。

5.JPG

图02.13 N沟道增强型MOSFET的结构示意图和符号

② 工作原理

1.栅源电压VGS的控制作用

当VGS=0 V时,漏源之间相当两个背靠背的二极管,在D、S之间加上电压不会在D、S间形成电流。

当栅极加有电压时,若0

进一步增加VGS,当VGS>VGS(th)时( VGS(th) 称为开启电压),由于此时的栅极电压已经比较强,在靠近栅极下方的P型半导体表层中聚集较多的电子,可以形成沟道,将漏极和源极沟通。如果此时加有漏源电压,就可以形成漏极电流ID。在栅极下方形成的导电沟道中的电子,因与P型半导体的载流子空穴极性相反,故称为反型层。随着VGS的继续增加,ID将不断增加。在VGS=0V时ID=0,只有当VGS>VGS(th)后才会出现漏极电流,这种MOS管称为增强型MOS管。

VGS对漏极电流的控制关系可用iD=f(vGS)?VDS=const这一曲线描述,称为转移特性曲线,见图02.14。

6.gif http://www.21ic.com/d/file/201211/985505d6481a99b4b1e889514e437f87.gif

图02.14 转移特性曲线

转移特性曲线的斜率gm的大小反映了栅源电压对漏极电流的控制作用。 gm 的量纲为mA/V,所以gm也称为跨导。

跨导的定义式如下:

7.gif http://www.21ic.com/d/file/201211/01a11b89d85efbb54f45f88506047acb.gif

2.漏源电压VDS对漏极电流ID的控制作用

当VGS>VGS(th),且固定为某一值时,来分析漏源电压VDS对漏极电流ID的影响。VDS的不同变化对沟道的影响如图02.15所示。根据此图可以有如下关系

8.gif http://www.21ic.com/d/file/201211/fb5f4a3e918fbba72bed0177f11dabd3.gif

当VDS为0或较小时,相当VGD>VGS(th),沟道分布如图02.15(a),此时VDS 基本均匀降落在沟道中,沟道呈斜线分布。在紧靠漏极处,沟道达到开启的程度以上,漏源之间有电流通过。

当VDS增加到使VGD=VGS(th)时,沟道如图02.15(b)所示。这相当于VDS增加使漏极处沟道缩减到刚刚开启的情况,称为预夹断,此时的漏极电流ID基本饱和。当VDS增加到VGD?VGS(th)时,沟道如图02.15(c)所示。此时预夹断区域加长,伸向S极。 VDS增加的部分基本降落在随之加长的夹断沟道上, ID基本趋于不变。

9.gif http://www.21ic.com/d/file/201211/8d13de29af176d29e73fbb5de5b4ef37.gif

图02.15 漏源电压VDS对沟道的影响(动画2-5)

当VGS>VGS(th),且固定为某一值时,VDS对ID的影响,即iD=f(vDS)?VGS=const这一关系曲线如图02.16所示。这一曲线称为漏极输出特性曲线。

10.gif http://www.21ic.com/d/file/201211/0becaa71453b69f98f0f751f2c0f9959.gif

(a) 输出特性曲线 (b)转移特性曲线

图02.16 漏极输出特性曲线和转移特性曲线

(2)N沟道耗尽型MOSFET

N沟道耗尽型MOSFET的结构和符号如图02.17(a)所示,它是在栅极下方的SiO2绝缘层中掺入了大量的金属正离子。所以当VGS=0时,这些正离子已经感应出反型层,形成了沟道。于是,只要有漏源电压,就有漏极电流存在。当VGS>0时,将使ID进一步增加。VGS<0时,随着VGS的减小漏极电流逐渐减小,直至ID=0。对应ID=0的VGS称为夹断电压,用符号VGS(off)表示,有时也用VP表示。N沟道耗尽型MOSFET的转移特性曲线如图02.17(b)所示。

11.gif http://www.21ic.com/d/file/201211/7c1e0718e0ce830c846790f1ee27b965.gif

(a) 结构示意图 (b) 转移特性曲线

图02.17 N沟道耗尽型MOSFET的结构和转移特性曲线

(3)P沟道耗尽型MOSFET

P沟道MOSFET的工作原理与N沟道MOSFET完全相同,只不过导电的载流子不同,供电电压极性不同而已。这如同双极型三极管有NPN型和PNP型一样。

4.2.2 伏安特性曲线

场效应三极管的特性曲线类型比较多,根据导电沟道的不同以及是增强型还是耗尽型可有四种转移特性曲线和输出特性曲线,其电压和电流方向也有所不同。如果按统一规定的正方向,特性曲线就要画在不同的象限。为了便于绘制,将P沟道管子的正方向反过来设定。有关曲线绘于图02.18之中。

12.gif http://www.21ic.com/d/file/201211/1ea1ee14d2f93371b81dc02021b5e564.gif

图02.18 各类场效应三极管的特性曲线

4.2.3 结型场效应三极管

(1) 结型场效应三极管的结构

结型场效应三极管的结构与绝缘栅场效应三极管相似,工作机理也相同。结型场效应三极管的结构如图02.19所示,它是在N型半导体硅片的两侧各制造一个PN结,形成两个PN结夹着一个N型沟道的结构。两个P区即为栅极,N型硅的一端是漏极,另一端是源极。

13.gif http://www.21ic.com/d/file/201211/013059d3f9472d40cb26cf5e4c0a8462.gif

图02.19 结型场效应三极管的结构

(2) 结型场效应三极管的工作原理

根据结型场效应三极管的结构,因它没有绝缘层,只能工作在反偏的条件下,对于N沟道结型场效应三极管只能工作在负栅压区,P沟道的只能工作在正栅压区,否则将会出现栅流。现以N沟道为例说明其工作原理。

① 栅源电压对沟道的控制作用

当VGS=0时,在漏、源之间加有一定电压时,在漏源间将形成多子的漂移运动,产生漏极电流。当VGS<0时,PN结反偏,形成耗尽层,漏源间的沟道将变窄,ID将减小,VGS继续减小,沟道继续变窄,ID继续减小直至为0。当漏极电流为零时所对应的栅源电压VGS称为夹断电压VGS(off)。

② 漏源电压对沟道的控制作用

在栅极加有一定的电压,且VGS>VGS(off),若漏源电压VDS从零开始增加,则VGD=VGS-VDS将随之减小。使靠近漏极处的耗尽层加宽,沟道变窄,从左至右呈楔形分布,如图02.21(a)所示。当VDS增加到使VGD=VGS—VDS=VGS(off)时,在紧靠漏极处出现预夹断,如图02.21(b)所示。当VDS继续增加,漏极处的夹断继续向源极方向生长延长。以上过程与绝缘栅场效应三极管的十分相似。

(3) 结型场效应三极管的特性曲线

结型场效应三极管的特性曲线有两条,一是转移特性曲线,二是输出特性曲线。它与绝缘栅场效应三极管的特性曲线基本相同,只不过绝缘栅场效应管的栅压可正、可负,而结型场效应三极管的栅压只能是P沟道的为正或N沟道的为负。N沟道结型场效应三极管的特性曲线如图02.22所示。

14.gif http://www.21ic.com/d/file/201211/b13db4ff2d31fe825cc572eb1afcb0d9.gif

(a) 漏极输出特性曲线(动画2-6) (b) 转移特性曲线(动画2-7)

图02.22 N沟道结型场效应三极管的特性曲线

4.2.4 场效应三极管的参数和型号

(1) 场效应三极管的参数

① 开启电压VGS(th) (或VT)

开启电压是MOS增强型管的参数,栅源电压小于开启电压的绝对值,场效应管不能导通。

② 夹断电压VGS(off) (或VP)

夹断电压是耗尽型FET的参数,当VGS=VGS(off) 时,漏极电流为零。

③ 饱和漏极电流IDSS

耗尽型场效应三极管,当VGS=0时所对应的漏极电流。

④ 输入电阻RGS

场效应三极管的栅源输入电阻的典型值,对于结型场效应三极管,反偏时RGS约大于107Ω,对于绝缘栅场型效应三极管,RGS约是109~1015Ω。

⑤ 低频跨导gm

低频跨导反映了栅压对漏极电流的控制作用,这一点与电子管的控制作用十分相像。gm可以在转移特性曲线上求取,单位是mS(毫西门子)。

⑥ 最大漏极功耗PDM

最大漏极功耗可由PDM= VDS ID决定,与双极型三极管的PCM相当。

(2) 场效应三极管的型号

场效应三极管的型号,现行有两种命名方法。其一是与双极型三极管相同,第三位字母J代表结型场效应管,O代表绝缘栅场效应管。第二位字母代表材料,D是P型硅,反型层是N沟道;C是N型硅P沟道。例如,3DJ6D是结型N沟道场效应三极管,3DO6C是绝缘栅型N沟道场效应三极管。

第二种命名方法是CS××#,CS代表场效应管,××以数字代表型号的序号,#用字母代表同一型号中的不同规格。例如,CS14A、CS45G等。

4.2.5 双极型和场效应型三极管的比较


15.gif http://www.21ic.com/d/file/201211/8e0500c938338c6a88a62b3f35bd07b9.gif
2.gif
3.gif
4.gif
5.gif
2.gif

评分

参与人数 1一乐金币 +12 收起 理由
SGT + 12 赞一个!

查看全部评分

 楼主| 发表于 2016-6-7 15:21 | 显示全部楼层
看完以后一头雾水
回复

使用道具 举报

发表于 2016-6-7 16:09 | 显示全部楼层
果断先收藏再看
回复

使用道具 举报

发表于 2016-6-7 16:57 | 显示全部楼层
学习了。。。。
回复

使用道具 举报

发表于 2016-6-8 08:21 | 显示全部楼层
标准的教科书型的,能懂的早懂了,不懂的你手把手教也不会懂。物理电子这块还是靠悟性,多少人连三极管都搞不懂就更别说场管了
回复

使用道具 举报

 楼主| 发表于 2016-6-8 15:17 | 显示全部楼层
gongzhu 发表于 2016-6-8 08:21
标准的教科书型的,能懂的早懂了,不懂的你手把手教也不会懂。物理电子这块还是靠悟性,多少人连三极管都搞 ...

怎么说呢,我可能就是这样的。晶体管还是一知半解呢,现在又搞场管,没办法,有的电路可能需要场管。
回复

使用道具 举报

本版积分规则

QQ|一淘宝店|手机版|商店|一乐电子 ( 粤ICP备09076165号 ) 公安备案粤公网安备 44522102000183号

GMT+8, 2025-11-25 06:48 , Processed in 0.037366 second(s), 27 queries , Gzip On.

Powered by Discuz! X3.5

© 2001-2025 Discuz! Team.

快速回复 返回顶部 返回列表