一乐电子

 找回密码
 请使用微信账号登录和注册会员

QQ登录

只需一步,快速开始

微信扫码登录

手机号码,快捷登录

手机号码,快捷登录

搜索
查看: 13371|回复: 29

看我用HRD12008做的电源,恒流,恒压,经济实用性。

 火.. [复制链接]
发表于 2011-2-28 13:58 | 显示全部楼层 |阅读模式
本帖最后由 share_all 于 2011-2-28 14:11 编辑

      前段时间看大有个关于HRD12008的帖子,然后在淘宝上看看了模块听便宜的,100W的才几元钱,就萌发了做这个电源的念头,说实话100W基本够用,平常的实验一般不需要烧那么大的功率。

      其实我也整了个M8的数控电源套件但是用起来别扭主要原因有:
      1、只有按键,没有旋钮,设置起来太烦了。
      2、没有开关按钮。
      3、没有自动切换绕组,这个是关键,这样使得调整管上消耗的功率太大,比如输入接40V3A的变压
          器(现在具有6V,12V,15,24V,35V抽头的变压器不好买,定做又太贵,这个也是我做这个电源的
          原因之一),输出最大也只有3A的电流,如果需要输出3V3A,这样损失在调整管上的功率37V*3A,
           调整管肯定受不了,效率太低,不符合“低碳生活”呵呵。

      哈哈::::::::::::::::::::除了以上3点其他都很好。

…………做的这个电源就很好的解决了上面的第3点。输入电压经过HRD12008初调,再经过串行稳压细调,结果效果很好,带上面负载模块都不叫,主要特色:
     1、高效率,设置成初级电压比输出电压高2V,这样降低了调整管的损耗,就算输出8A损耗才16W。
     2、实现低压大电流,比如接入40V3A的变压器,可以在0-12V都能输出8A(估计输入功率小了点,涉及到模块的效率,我测了下效率有90%以上)。

      这个电源做的太难看了,本来不打算拿出来的,结果又忍不住拿出来分享。HRD12008这个模块确实不好调,搞了2天,功能实现了,结果板子面目全非了。
参数:
1、输入20-40V直流。
2、输出0-30V直流,恒压。
3、输出0-8A电流,恒流,10V10MA点5mmLED,反复实验,LED灯完好。
4、输出功率100W(受输入和模块的限制,其实100W差的)。
总结:
原以为这个很简单,所以直接画了块板子,叫厂家做了6块出来,结果装好一试,出现N多问题,结果在调试的时候割线,搭桥,板子就变形了。
1、注意分配好2个地线,我这块板子已经进行了2个地的分离,谁知道还是注意的不够
2、HRD12008的参考很敏感,很容易自激,有时候不自激但是发出丝丝的响声。
3、滤波电容要越近越好,稍微远点,输出电流达不到8A,所以布板是不能只讲外观。
其他不多少,上图了:
1.jpg

这个是正面了,参考了些网上其他朋友的设计,有个风扇自动控制。
2.jpg

这个是背面了,还搭了颗运放在空中悬起!

没见过这么丑的板子吧,献丑啦!!!!!!!!!!!1

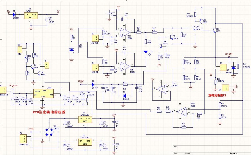
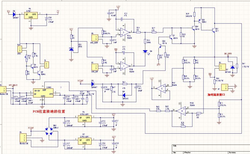
ylu.JPG


这个是原理图,调试之前的,改了的还没出来,又加了些电阻,电容,运放,总之,这个电源,原理简单,PCB一定要贴别注意,和干扰!








评分

参与人数 1一乐金币 +10 收起 理由
yleee + 10 创新能力强

查看全部评分

发表于 2011-2-28 14:10 | 显示全部楼层
哇,见识了~~可是使用要很小心哦,不然很容易放烟花啊~~
回复

使用道具 举报

发表于 2011-2-28 14:49 | 显示全部楼层
传说中的柴火捆??
手头好像也有这个模块,改天翻翻看。
回复

使用道具 举报

发表于 2011-2-28 14:53 | 显示全部楼层
建议把修改之后的电路图,贡献上传。
回复

使用道具 举报

 楼主| 发表于 2011-2-28 15:31 | 显示全部楼层
建议把修改之后的电路图,贡献上传。
无锡风 发表于 2011-2-28 14:53 https://www.yleee.com.cn/images/common/back.gif



     
好的哦,最经没时间整理,还想调的更完美点,最后上传,这个东西,好像原理图不是关键,画板子时的顾虑多,本来开始准备用万用板搭起来的后来觉得原件多了,有几个朋友也说要,就做了板子,结果失算了!
回复

使用道具 举报

发表于 2011-2-28 15:47 | 显示全部楼层
支持折腾。楼主整理好了最好再搞点PCB,我们做出来跟穷牌的PK PK!
回复

使用道具 举报

发表于 2011-2-28 19:51 | 显示全部楼层
不折腾,我只用它来做12v电源
回复

使用道具 举报

 楼主| 发表于 2011-3-1 08:57 | 显示全部楼层
开始这块PCB肯定没法用了,真是要放烟花的,调好了后准备再做一次PCB!
回复

使用道具 举报

发表于 2011-3-7 12:47 | 显示全部楼层
记号一下
回复

使用道具 举报

发表于 2011-3-9 11:14 | 显示全部楼层
马克一下。
回复

使用道具 举报

本版积分规则

QQ|一淘宝店|手机版|商店|一乐电子 ( 粤ICP备09076165号 ) 公安备案粤公网安备 44522102000183号

GMT+8, 2026-3-25 17:12 , Processed in 0.042310 second(s), 31 queries , Gzip On.

Powered by Discuz! X3.5

© 2001-2025 Discuz! Team.

快速回复 返回顶部 返回列表