一乐电子

 找回密码
 请使用微信账号登录和注册会员

QQ登录

只需一步,快速开始

微信扫码登录

手机号码,快捷登录

手机号码,快捷登录

搜索
查看: 6784|回复: 12

转 桃源客 在其他论坛的32X64双色电子钟

[复制链接]
发表于 2011-3-5 18:56 | 显示全部楼层 |阅读模式
转 桃源客 在其他论坛的32X64双色电子钟
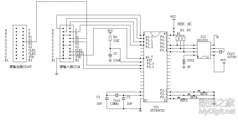
108_790574_b71f624ae5b56d4.jpg
108_790574_c646d2a620ace64.jpg
32X64.rar (5.04 KB, 下载次数: 772)
发表于 2011-3-5 19:39 | 显示全部楼层
回复

使用道具 举报

发表于 2011-3-5 19:56 | 显示全部楼层
谢谢沈老师。下午玩了下您发的屏。很不错啊。谢谢拉。
回复

使用道具 举报

发表于 2011-3-6 08:54 | 显示全部楼层
多谢沈老师。近来忙,都没有怎么用电脑上网,更不说折腾了。用你那两个32X64的屏做了两个万年历,一个自己用,一个送给了朋友。
一天快个10秒,找不到10P以下的电容调,只好在程序中六天调少一分钟!!!
回复

使用道具 举报

发表于 2011-3-6 09:14 | 显示全部楼层
怎么调啊说一下啊
回复

使用道具 举报

发表于 2011-3-6 11:30 | 显示全部楼层
这个电子钟有哪些显示内容,带不带温度和节目
回复

使用道具 举报

发表于 2011-3-6 11:32 | 显示全部楼层
貌似没有,没有看到DS18B20
回复

使用道具 举报

发表于 2011-3-6 13:56 | 显示全部楼层
谢谢!下载学习!
回复

使用道具 举报

发表于 2012-7-1 00:12 | 显示全部楼层
上面的程序里少个nongli.h 文件 和32X40屏应该能对上
回复

使用道具 举报

发表于 2012-12-22 12:05 | 显示全部楼层
回复 4# 桃源客


    您能不能把这个NONGLI.H上传一下呗?
回复

使用道具 举报

本版积分规则

QQ|一淘宝店|手机版|商店|一乐电子 ( 粤ICP备09076165号 ) 公安备案粤公网安备 44522102000183号

GMT+8, 2026-3-13 17:03 , Processed in 0.035017 second(s), 30 queries , Gzip On.

Powered by Discuz! X3.5

© 2001-2025 Discuz! Team.

快速回复 返回顶部 返回列表