一乐电子

 找回密码
 请使用微信账号登录和注册会员

QQ登录

只需一步,快速开始

微信扫码登录

手机号码,快捷登录

手机号码,快捷登录

搜索
楼主: matao1314

[其他综合] 仿杜洋1608点阵时钟!!!

  [复制链接]
发表于 2011-3-20 10:33 | 显示全部楼层
就是看着比较粗
回复

使用道具 举报

发表于 2011-3-20 10:56 | 显示全部楼层
两个点上下间挨太近了
回复

使用道具 举报

发表于 2011-3-20 11:18 | 显示全部楼层
好东西,顶一下楼主。
回复

使用道具 举报

 楼主| 发表于 2011-3-20 11:29 | 显示全部楼层
回复 12# WOSS1001


    那两点是可以闪的
回复

使用道具 举报

发表于 2011-3-20 11:33 | 显示全部楼层
杜洋的那个只用了一片单片机,你这个怎么用了这么多芯片,似乎够复杂。
回复

使用道具 举报

 楼主| 发表于 2011-3-20 11:41 | 显示全部楼层
回复 15# busymouse

他用的40脚的增强型单片机,我这是20脚的,芯片是贴片595和244,这还算复杂啊,
回复

使用道具 举报

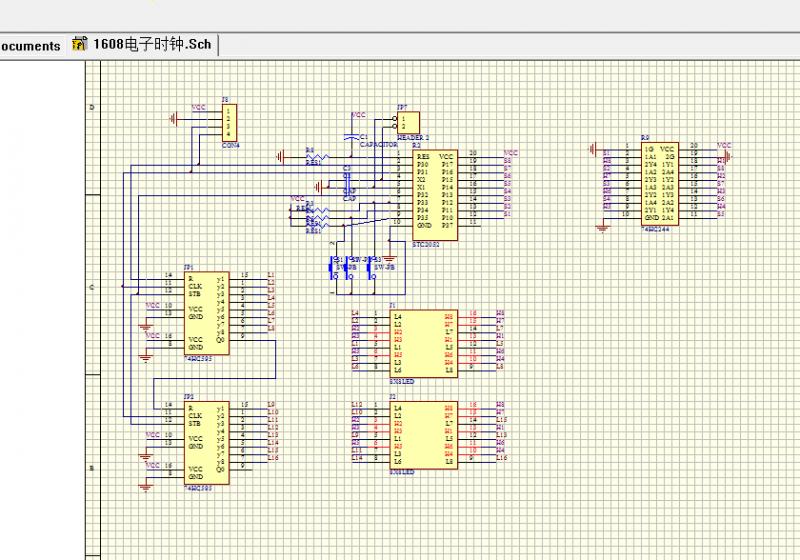
 楼主| 发表于 2011-3-20 11:49 | 显示全部楼层
原理图和PCB
00.png
11.png
333.png
444.png

原理图.rar

3.69 KB, 下载次数: 966, 下载积分: 一乐金币 -1

回复

使用道具 举报

 楼主| 发表于 2011-3-20 11:53 | 显示全部楼层
很累啊
55.jpg
333.png
http_imgload.jpg
http_imgloadCAESWMZT.jpg
http_imgloadCAHYIQ19.jpg
http_imgloadCAJJY0XQ.jpg
http_imgloadCAM274AN.jpg
http_imgloadCAPSTXEJ.jpg
http_imgloadCAY5JTN7.jpg
回复

使用道具 举报

本版积分规则

QQ|一淘宝店|手机版|商店|一乐电子 ( 粤ICP备09076165号 ) 公安备案粤公网安备 44522102000183号

GMT+8, 2026-1-30 01:30 , Processed in 0.038005 second(s), 26 queries , Gzip On.

Powered by Discuz! X3.5

© 2001-2025 Discuz! Team.

快速回复 返回顶部 返回列表