一乐电子

 找回密码
 请使用微信账号登录和注册会员

QQ登录

只需一步,快速开始

微信扫码登录

手机号码,快捷登录

手机号码,快捷登录

搜索
楼主: GandF

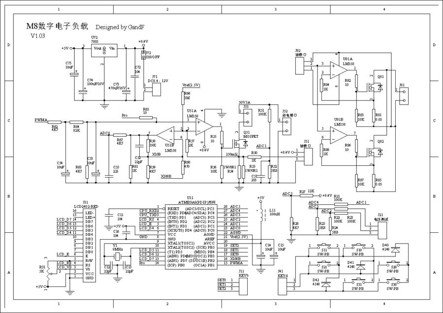
[avr] M8单片机恒流型数字电子负载及交流内阻测试仪V6

 火... [复制链接]
发表于 2014-11-29 09:27 | 显示全部楼层
为何下载不了呢?
回复

使用道具 举报

发表于 2014-11-29 09:28 | 显示全部楼层
hcsong 发表于 2014-9-21 08:56
等吧,等权限够了再看

等到啥时才有权限呢
回复

使用道具 举报

发表于 2014-12-17 19:05 | 显示全部楼层
只有等着看着,就是不下载!。。。
回复

使用道具 举报

发表于 2014-12-25 20:54 | 显示全部楼层
谢谢奉献!!!!!!
回复

使用道具 举报

发表于 2014-12-27 04:48 | 显示全部楼层
How do you get a 15 amp current electronic load M8?
I processor regulates only up to 5 Amps, on the display can be set 5-15 amps, but the current does not change.
Does not change the voltage PWM.
Tell me what you did, please. I saw a scheme where two connected transistor and operational amplifier, but in fact if it is connected, the processor will not allow to do 15 amps.
Tried to install the firmware on the 15 Amp (on the first page), but I have a 2004 and the indicator lines are indented.
Just adjust the display to 15, but the voltage to the transistor varies only in the range of 0-7.5 Ampere.
The first firmware update -
0-5 Amps
0-0.25 volts
5-15 Amps
0.25-0.25 V

The second firmware
0-7.5 Amps
0-0.25 volts
7.5 - 15 Amp
0.25-0.25 V

I download the source code can not, because asking the community to help in this task. It turns out that I have to - 0-15 Amps 0-0.25 volts

I was planning to use the following amplification circuit current -
I have the board -
20081202_75c1886440c59c55c070y8zbauhgQvje.png
PICT0021.jpg
回复

使用道具 举报

发表于 2015-2-9 09:48 | 显示全部楼层
谢谢楼主,有空下载来学习一下

回复

使用道具 举报

发表于 2015-2-25 20:26 | 显示全部楼层
没法下载啊
抱歉,只有特定用户可以下载本站附件
回复

使用道具 举报

发表于 2015-2-27 13:00 | 显示全部楼层
还是看不到源码
回复

使用道具 举报

发表于 2015-3-17 01:09 | 显示全部楼层
源代码想学习一下,载不下来啊
回复

使用道具 举报

发表于 2015-3-27 09:21 | 显示全部楼层
这个权限不够下不了。。
回复

使用道具 举报

本版积分规则

QQ|一淘宝店|手机版|商店|一乐电子 ( 粤ICP备09076165号 ) 公安备案粤公网安备 44522102000183号

GMT+8, 2025-10-16 08:02 , Processed in 0.033914 second(s), 27 queries , Gzip On.

Powered by Discuz! X3.5

© 2001-2025 Discuz! Team.

快速回复 返回顶部 返回列表