一乐电子

 找回密码
 请使用微信账号登录和注册会员

QQ登录

只需一步,快速开始

微信扫码登录

手机号码,快捷登录

手机号码,快捷登录

搜索
查看: 3860|回复: 7

求助,关于电容倍增器和预滤波

[复制链接]
发表于 2011-5-5 23:23 | 显示全部楼层 |阅读模式
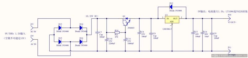
在阿莫论坛看到的,那个电容倍增器理解不了,烦请懂的老师解释一下

超低纹波5V1.5A线性稳压电源电路.jpeg

下面是原文:
因为产品体积和对电源稳定度的高要求我在常规线性稳压电路前增设了一个预滤波电路,Q1,R14,C11组成了电容倍增器,实际相当于2法拉的电容滤波效果。实际在版测试Q1集电极处纹波2V左右,Q1发射极纹波2.543mV,电源电压抑制比20log(2/0.002543) = 57.913dB。预滤波后通过5V线性稳压器LM1086-5滤波稳压,输出电压5.001V,纹波5.4uV (总PSRR>111dB)。当然如果按照LM1086-5的68dB PSRR算理论纹波值应该是1uV,但考虑到器件及电路热噪声(镀银电路板,连接线为屏蔽多股银线)、空间辐射(已适当屏蔽)、万用表精度等这个结果应该说相当不错,做19位ADC参考电压都可以了。


如果只用三个元件就可以代替大容量电容滤波,但常规电路并未采用,我想肯定有局限,请问这个倍增器的原理及局限性?
发表于 2011-5-6 00:20 | 显示全部楼层
这不应该叫做电容倍增吧,不知哪个有问题的人这样叫!这只是电子滤波而已。首先它没有储能能力,仅有抗波纹能力,其次它有内阻。玩家都用伺服电源啦。
回复

使用道具 举报

发表于 2011-5-6 09:15 | 显示全部楼层
这个电路确实能减小纹波,原理就是利用三极管的放大作用把电容的效果放大了,在小电流电路中还是比较实用的!!
回复

使用道具 举报

发表于 2011-5-6 09:37 | 显示全部楼层
上学时书上叫有源滤波

其实更好的办法是先简单的串联稳压,
就是在C11上并稳压管
回复

使用道具 举报

发表于 2011-5-6 09:43 | 显示全部楼层
"电容倍增器",感觉像卖那种“节电器”的话。
相对于直接电容滤波(无源),这个叫“有源滤波”吧。
回复

使用道具 举报

发表于 2011-5-6 09:46 | 显示全部楼层
你可以找80年代的电子报有没有这种电路,
q1输出的电压跟波纹,决定于c11两端的电压,波纹,很q1的放大效应,压差。
用一个运行提供c11两端的基准电压,速度比c11还快。
这种电路只是在连5532运放还没普及的时候用的。
现在已经有现成的【低压差线性稳压块了】,内置运放反馈电路的,比7805速度更快更低波纹。
回复

使用道具 举报

发表于 2011-5-6 11:04 | 显示全部楼层
80年代是有的,古老的收音机就有这种滤波。当然,更高级的是高速运放做的伺服电源,波纹可以很小,甚至难测到,但是却引入了电源噪音!
回复

使用道具 举报

 楼主| 发表于 2011-5-6 14:44 | 显示全部楼层
“过气技术”?

我先搬个板凳学习。
回复

使用道具 举报

本版积分规则

QQ|一淘宝店|手机版|商店|一乐电子 ( 粤ICP备09076165号 ) 公安备案粤公网安备 44522102000183号

GMT+8, 2026-4-30 18:16 , Processed in 0.044007 second(s), 29 queries , Gzip On.

Powered by Discuz! X3.5

© 2001-2025 Discuz! Team.

快速回复 返回顶部 返回列表