一乐电子

 找回密码
 请使用微信账号登录和注册会员

QQ登录

只需一步,快速开始

微信扫码登录

手机号码,快捷登录

手机号码,快捷登录

搜索
查看: 24153|回复: 46

六一之际给大家献上万用表图纸一堆

 火.. [复制链接]
发表于 2011-5-31 16:50 | 显示全部楼层 |阅读模式
六一之际给大家献上万用表图纸一堆

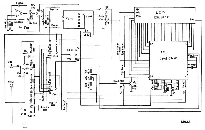
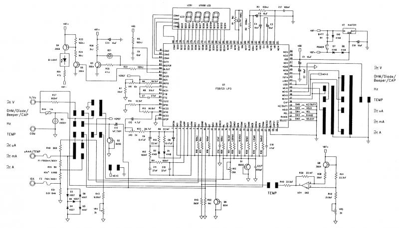
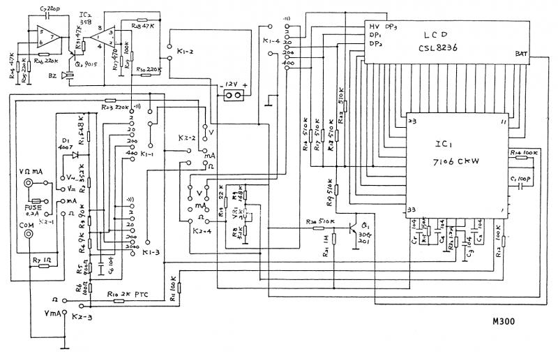
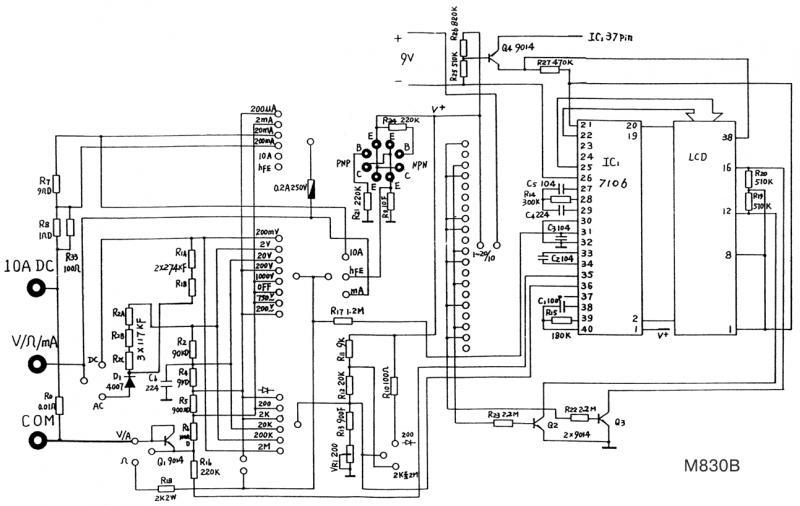
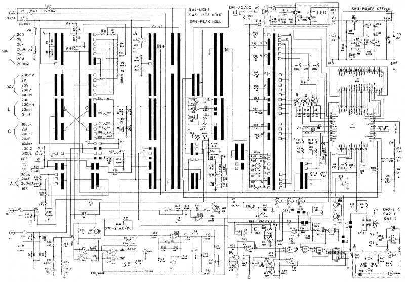
Mastech MS8202A数字万用表电路图.gif Mastech MS8202数字万用表电路图.gif 的C -米Mastech MY6013A示意图.gif 数字万用表Mastech M93A示意图.gif 数字万用表Mastech M93电路图.gif 数字万用表Mastech M300的电路图.gif 数字万用表Mastech M830BZ示意图.gif
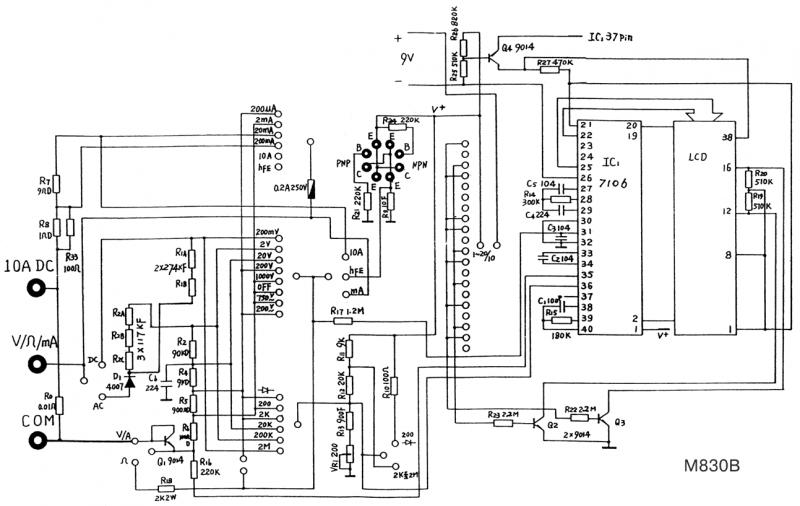
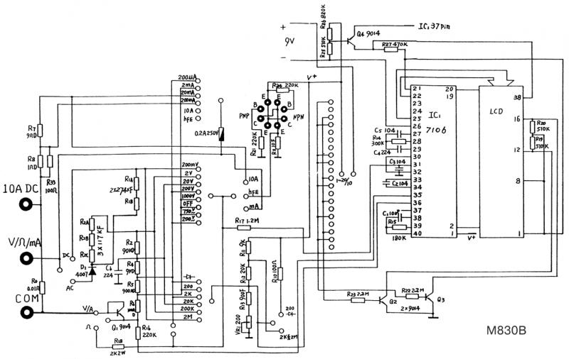
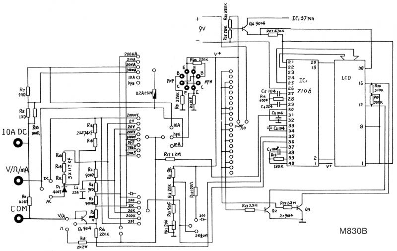
数字万用表Mastech M830B示意图.gif

评分

参与人数 2一乐金币 +30 收起 理由
tsfrhym2018 + 20 很给力!
resethdd + 10 好资料,谢谢分享

查看全部评分

 楼主| 发表于 2011-5-31 16:52 | 显示全部楼层
回复 1# 农村人


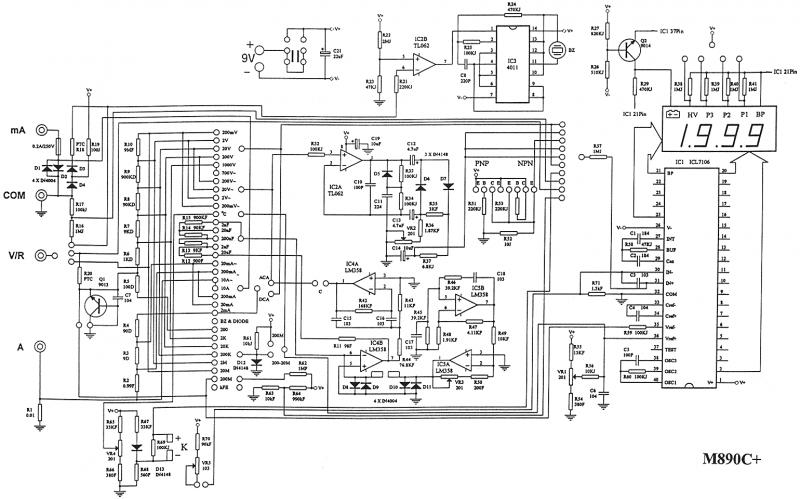
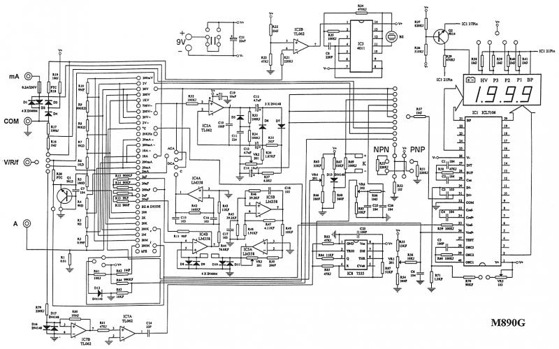
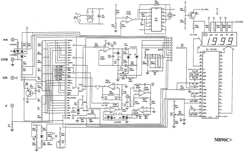
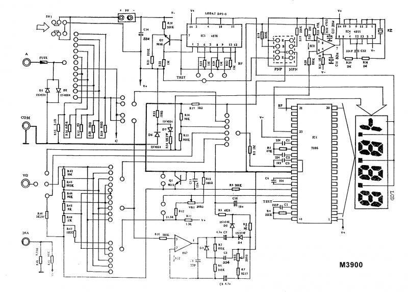
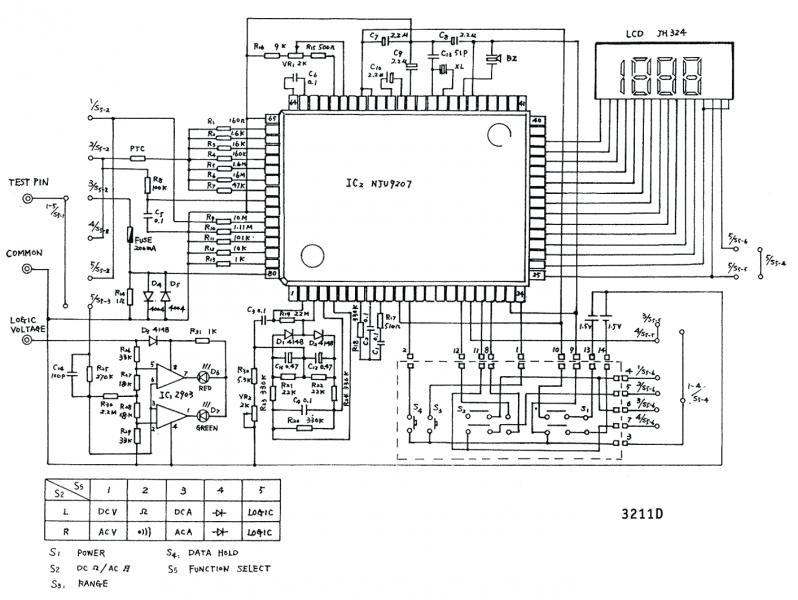
    数字万用表Mastech M832电路图.gif 数字万用表Mastech M838电路图.gif 数字万用表Mastech M890C  示意图.gif 数字万用表Mastech M890D示意图.gif 数字万用表Mastech M890F示意图.gif 数字万用表Mastech M890G示意图.gif 数字万用表Mastech M3211D示意图.gif 数字万用表Mastech M3900电路图.gif
回复

使用道具 举报

 楼主| 发表于 2011-5-31 16:53 | 显示全部楼层
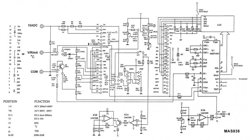
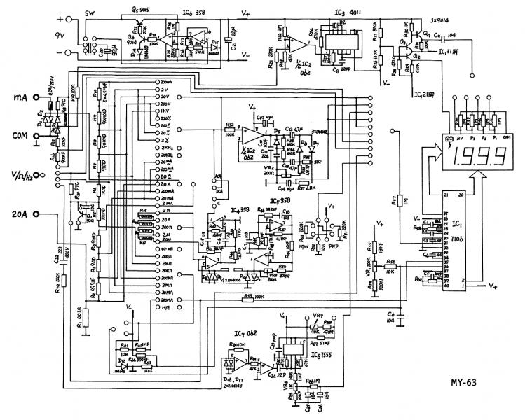
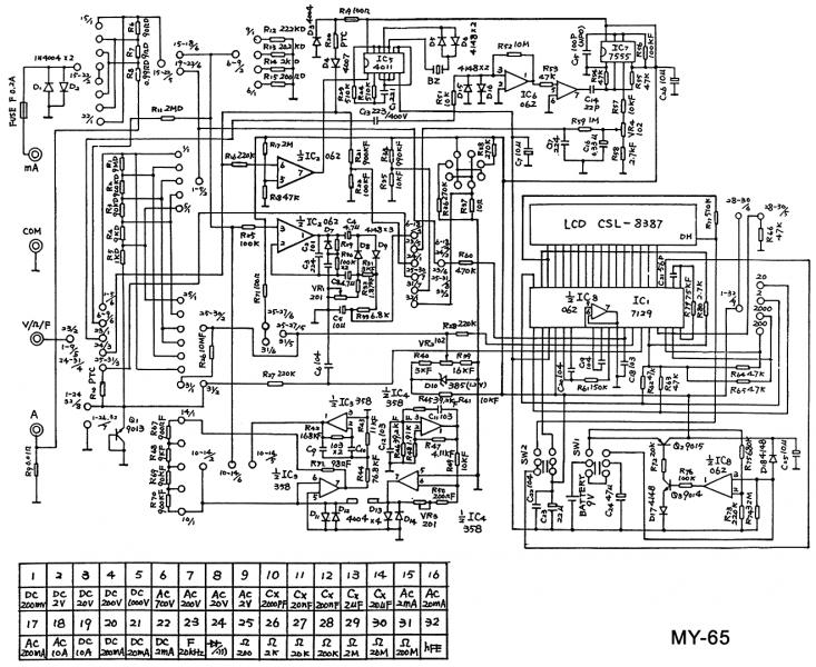
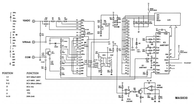
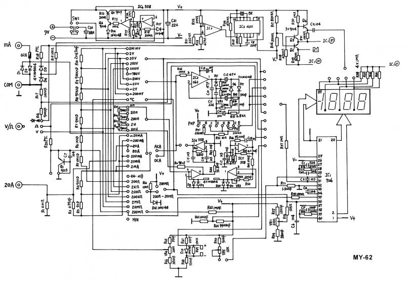
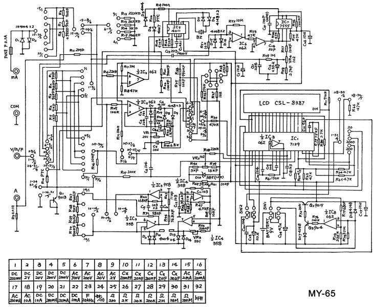
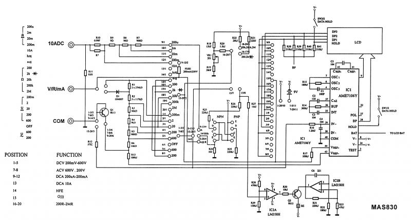
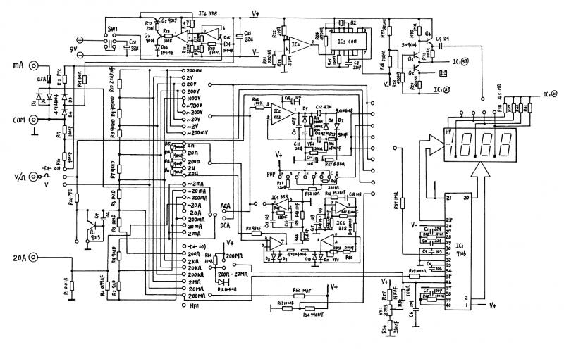
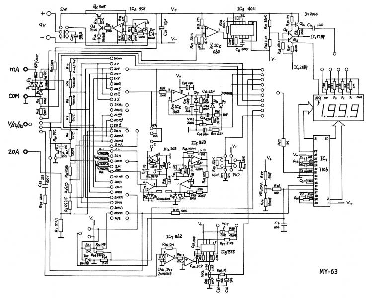
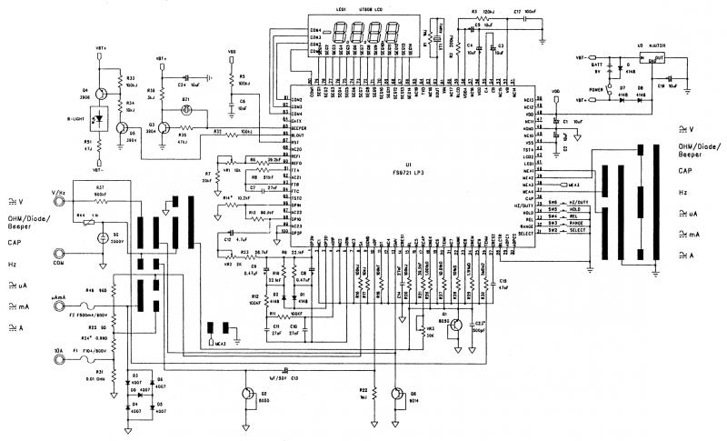
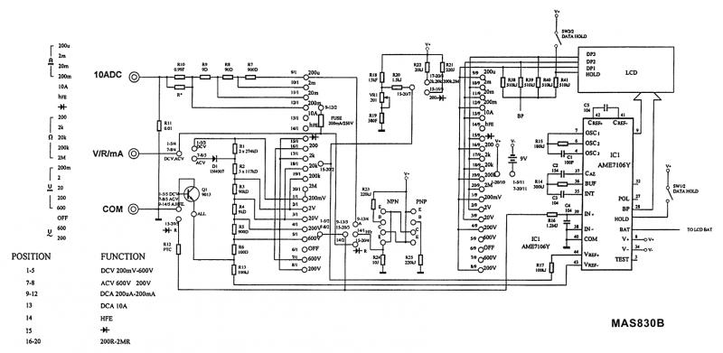
数字万用表Mastech MAS830B示意图.gif 数字万用表Mastech MAS830示意图.gif 数字万用表Mastech MY61示意图.gif 数字万用表Mastech MY62示意图.gif 数字万用表Mastech MY63示意图.gif 数字万用表Mastech MY64示意图.gif 数字万用表Mastech MY65示意图.gif 回复 2# 农村人


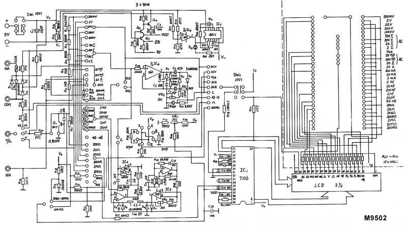
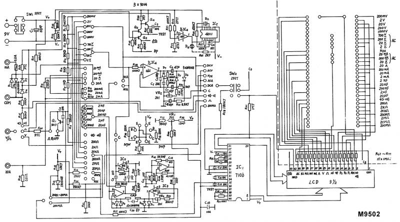
    数字万用表Mastech M9502电路图.gif
回复

使用道具 举报

 楼主| 发表于 2011-5-31 16:55 | 显示全部楼层
回复 3# 农村人


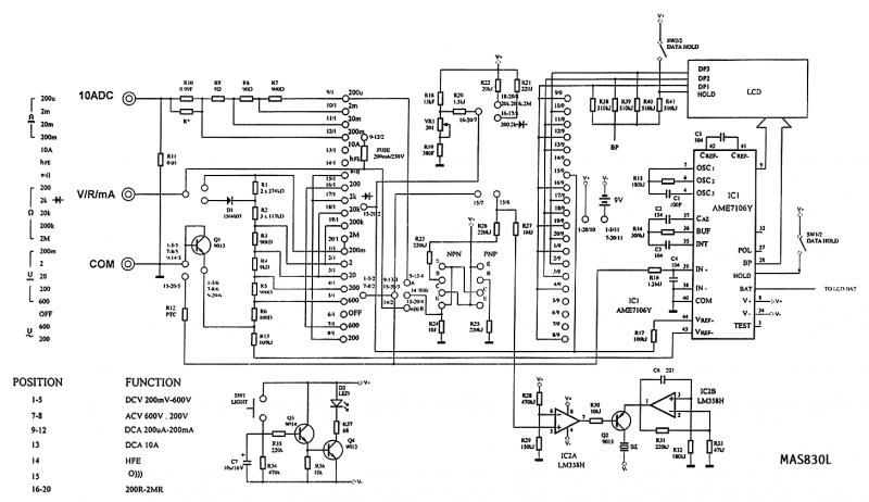
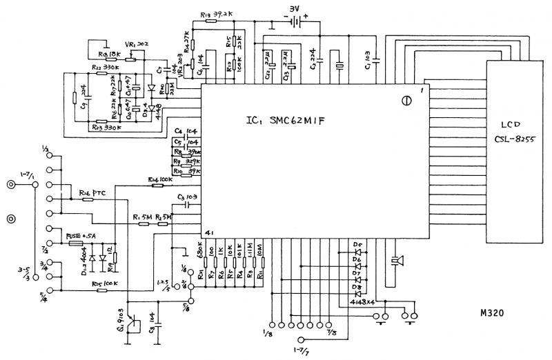
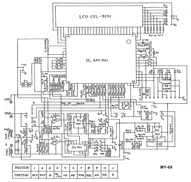
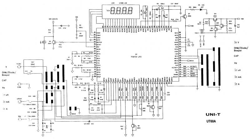
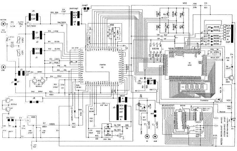
    数字万用表Mastech MY68示意图.gif 数字万用表Mastech的M320电路图.gif 数字万用表单向趋势UT60A电路图.gif 数字万用表单向趋势UT60B电路图.gif 数字万用表单向趋势UT60C电路图.gif 数字万用表单向趋势UT70B电路图.gif
数字万用表单向趋势UT60E电路图.gif
数字万用表单向趋势UT70A电路图.gif
回复

使用道具 举报

 楼主| 发表于 2011-5-31 16:56 | 显示全部楼层
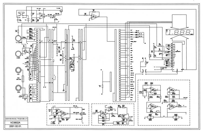
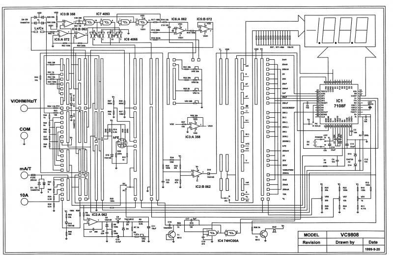
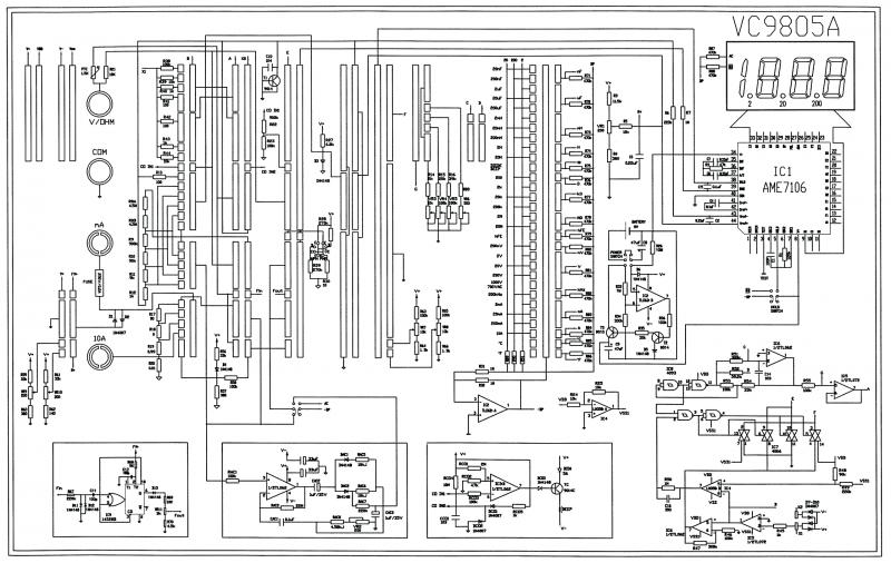
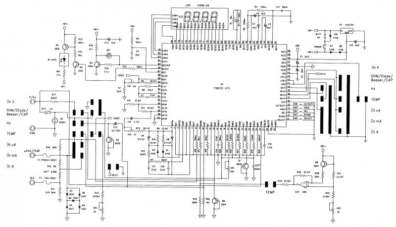
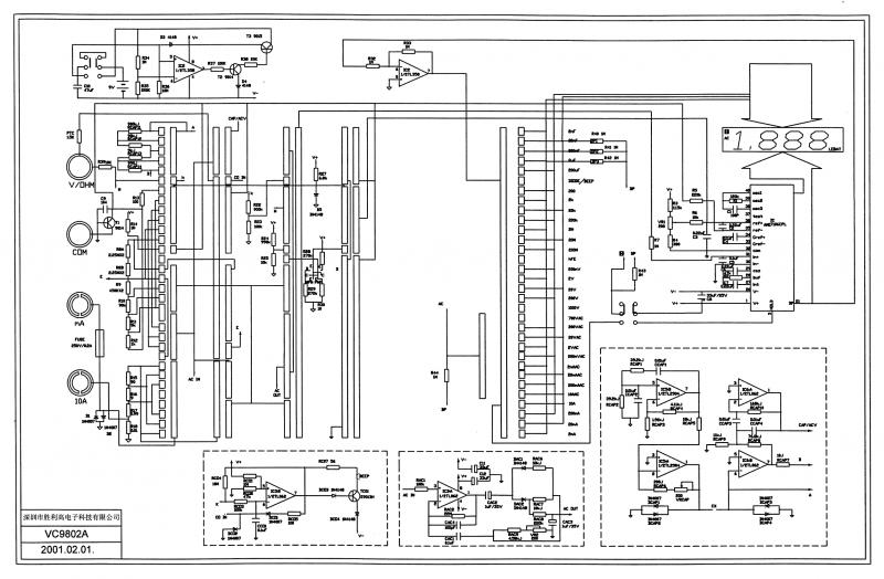
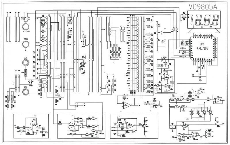
维克多VC9802A数字万用表电路图.gif 维克多VC9805A数字万用表电路图.gif 维克多VC9808数字万用表电路图.gif 回复 4# 农村人


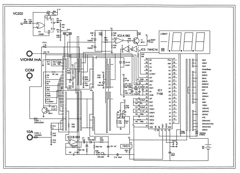
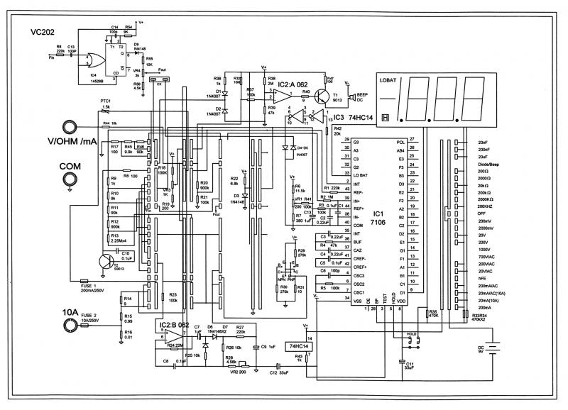
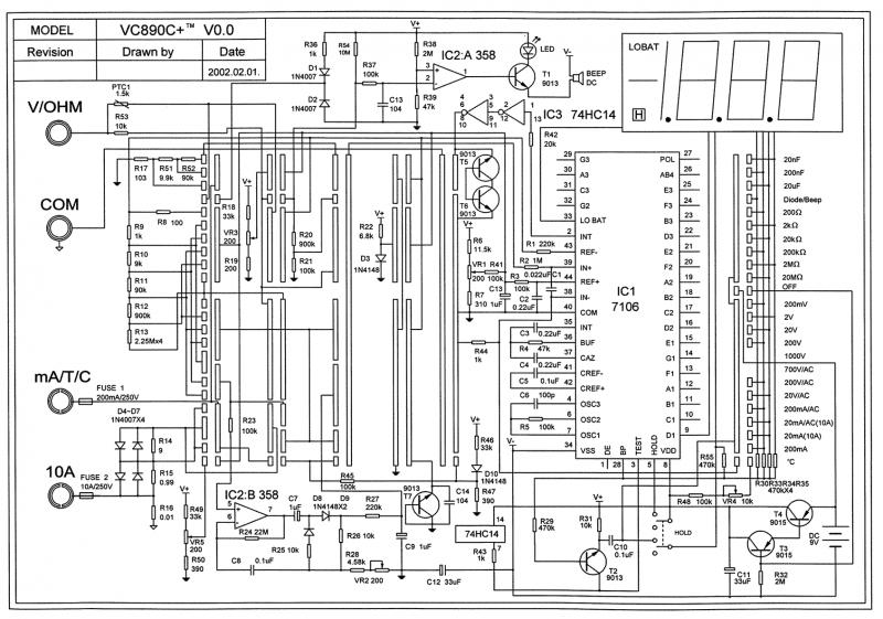
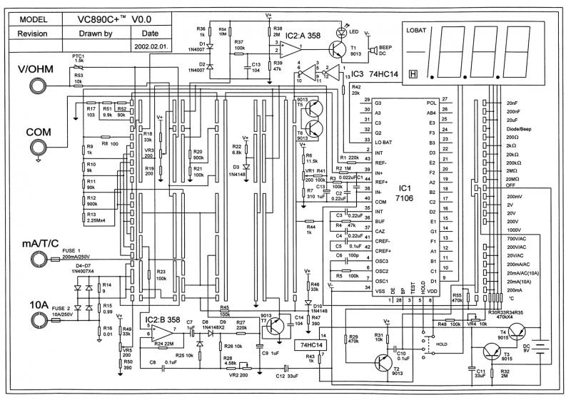
    数字万用表单向趋势UT70C电路图.gif 维克多VC202数字万用表的原理图.gif 维克多VC890C  数字万用表的原理图.gif 维克多VC890D数字万用表电路图.gif

评分

参与人数 1一乐金币 +2 收起 理由
fujiachun + 2 替小朋友的爸爸谢谢你金钱

查看全部评分

回复

使用道具 举报

发表于 2011-5-31 17:03 | 显示全部楼层
好东西,顶起来~~~

评分

参与人数 1一乐金币 +2 收起 理由
fujiachun + 2 替小朋友的爸爸谢谢你

查看全部评分

回复

使用道具 举报

发表于 2011-5-31 17:05 | 显示全部楼层
有木有四位以上的电路图
回复

使用道具 举报

发表于 2011-5-31 17:31 | 显示全部楼层
本人有块UT10A正好校准下
回复

使用道具 举报

发表于 2011-5-31 17:41 | 显示全部楼层
好东西,顶起来。。。。
回复

使用道具 举报

发表于 2011-5-31 17:54 | 显示全部楼层
那个比较好,分析一下
回复

使用道具 举报

本版积分规则

QQ|一淘宝店|手机版|商店|一乐电子 ( 粤ICP备09076165号 ) 公安备案粤公网安备 44522102000183号

GMT+8, 2025-12-17 05:44 , Processed in 0.037078 second(s), 30 queries , Gzip On.

Powered by Discuz! X3.5

© 2001-2025 Discuz! Team.

快速回复 返回顶部 返回列表