一乐电子

 找回密码
 请使用微信账号登录和注册会员

QQ登录

只需一步,快速开始

微信扫码登录

手机号码,快捷登录

手机号码,快捷登录

搜索
查看: 3131|回复: 7

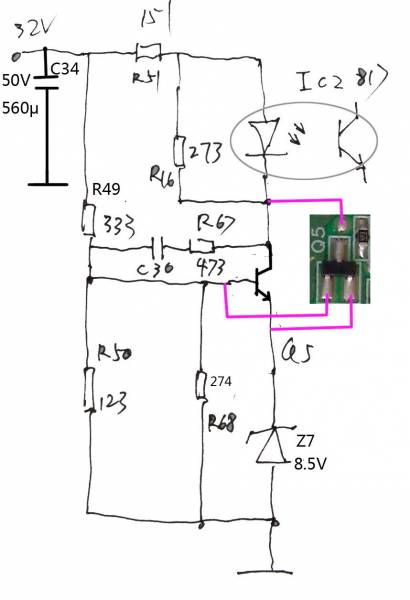
手绘:32V 2.5A 型号0957-2093的次级稳压电路

[复制链接]
发表于 2011-6-8 21:22 | 显示全部楼层 |阅读模式
本帖最后由 hntc123 于 2011-6-8 22:42 编辑

不一定准确,仅供参考
输出.jpg
输出Q5副本.jpg
发表于 2011-6-8 22:15 | 显示全部楼层
不小心坐板凳了。
回复

使用道具 举报

发表于 2011-6-8 23:11 | 显示全部楼层
Q5是什么?
回复

使用道具 举报

发表于 2011-6-8 23:51 | 显示全部楼层
Q5是什么?
zhpicc 发表于 2011-6-8 23:11 http://116.255.141.47/images/common/back.gif



    npn三极管
回复

使用道具 举报

发表于 2011-6-9 08:56 | 显示全部楼层
这是什东西啊,新手不要介意
回复

使用道具 举报

 楼主| 发表于 2011-6-9 09:42 | 显示全部楼层
一个HP公司的打印机是电源 输出31.4V,有人曾测能稳定输出5A电流 http://116.255.141.47/viewthread ... mp;highlight=32V%2B
回复

使用道具 举报

发表于 2011-6-14 16:46 | 显示全部楼层
不一定准确,仅供参考
hntc123 发表于 2011-6-8 21:22 http://116.255.141.47/images/common/back.gif



    请分析一下稳压电路原理好吗?谢谢
回复

使用道具 举报

发表于 2011-7-16 09:26 | 显示全部楼层
学习下,谢谢!
回复

使用道具 举报

本版积分规则

QQ|一淘宝店|手机版|商店|一乐电子 ( 粤ICP备09076165号 ) 公安备案粤公网安备 44522102000183号

GMT+8, 2025-11-25 01:16 , Processed in 0.037235 second(s), 28 queries , Gzip On.

Powered by Discuz! X3.5

© 2001-2025 Discuz! Team.

快速回复 返回顶部 返回列表