一乐电子

 找回密码
 请使用微信账号登录和注册会员

QQ登录

只需一步,快速开始

微信扫码登录

手机号码,快捷登录

手机号码,快捷登录

搜索
查看: 5528|回复: 7

NJM4558做的耳机功放电路

[复制链接]
发表于 2011-6-25 17:10 | 显示全部楼层 |阅读模式
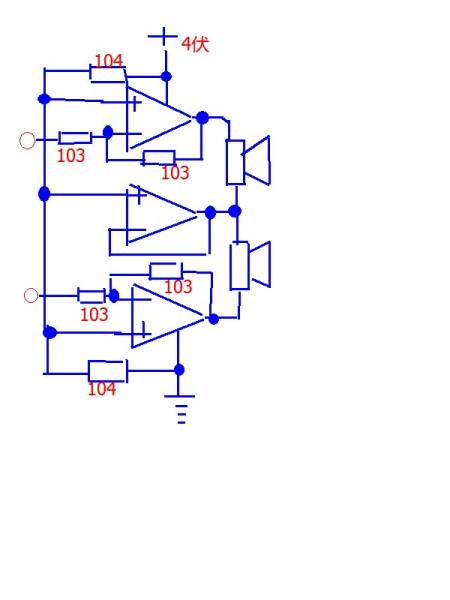
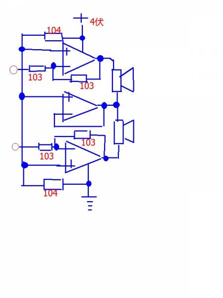
音质不错,清澈透明,高中低均衡,噪音不可闻。只是工作电压要高一点,3伏以上。3伏一下不能工作。在这个工作电压,其它运放都不能工作,唯独4558很好。 4558耳机功放.jpg
发表于 2011-6-25 17:20 | 显示全部楼层
我手里还有十几二十片JRC的NJM4558,以前从一网友处收的拆机元件堆里混装的,一直没找到用处,白菜白光也用不了,看来做耳放是个出路,可惜我很少听耳机。。。好象在哪里看到说做耳放4556比4558更好,不过我没试验过
另外,3V以下,“其它运放都不能工作”?不知楼主试过LM358吗?
回复

使用道具 举报

 楼主| 发表于 2011-6-25 19:11 | 显示全部楼层
我手里还有十几二十片JRC的NJM4558,以前从一网友处收的拆机元件堆里混装的,一直没找到用处,白菜白光也用 ...
fat 发表于 2011-6-25 17:20 http://116.255.141.47/images/common/back.gif


358没试过呀!但是我试过njm4500,2600,都不行。4558做不了白光真是奇怪,连10358都不行。
回复

使用道具 举报

发表于 2011-6-25 19:15 | 显示全部楼层
看TB上有5元的这个才0.2
222.jpg
回复

使用道具 举报

 楼主| 发表于 2011-6-25 20:46 | 显示全部楼层
楼上这个不是原厂的。jrc集成块原厂的有个特点,dip的边角是圆的,sop的是宽封装,比普通的面积大。4558是平民化的运放,音色柔和,不冷不硬。很多电脑音箱都喜欢用它。
回复

使用道具 举报

发表于 2011-6-26 00:08 | 显示全部楼层
楼上这个不是原厂的。jrc集成块原厂的有个特点,dip的边角是圆的,sop的是宽封装,比普通的面积大。4558是平 ...
wulishui 发表于 2011-6-25 20:46 https://www.yleee.com.cn/images/common/back.gif


原厂是哪里的?一般这种大公司都有不止一个封装厂吧
回复

使用道具 举报

 楼主| 发表于 2011-6-26 01:28 | 显示全部楼层
原厂是哪里的?一般这种大公司都有不止一个封装厂吧
fat 发表于 2011-6-26 00:08 http://116.255.141.47/images/common/back.gif



    进口jrc是有很明显外貌特征的,就比如飞利浦、大S,一眼看去你就认出是飞利浦、大S。
回复

使用道具 举报

发表于 2011-6-29 21:57 | 显示全部楼层
楼上这个不是原厂的。jrc集成块原厂的有个特点,dip的边角是圆的,sop的是宽封装,比普通的面积大。4558是平 ...
wulishui 发表于 2011-6-25 20:46 https://www.yleee.com.cn/images/common/back.gif



    兄弟如有原厂的上个照片看看。
回复

使用道具 举报

本版积分规则

QQ|一淘宝店|手机版|商店|一乐电子 ( 粤ICP备09076165号 ) 公安备案粤公网安备 44522102000183号

GMT+8, 2025-10-29 01:54 , Processed in 0.035927 second(s), 28 queries , Gzip On.

Powered by Discuz! X3.5

© 2001-2025 Discuz! Team.

快速回复 返回顶部 返回列表