一乐电子

 找回密码
 请使用微信账号登录和注册会员

QQ登录

只需一步,快速开始

微信扫码登录

手机号码,快捷登录

手机号码,快捷登录

搜索
楼主: gps422129

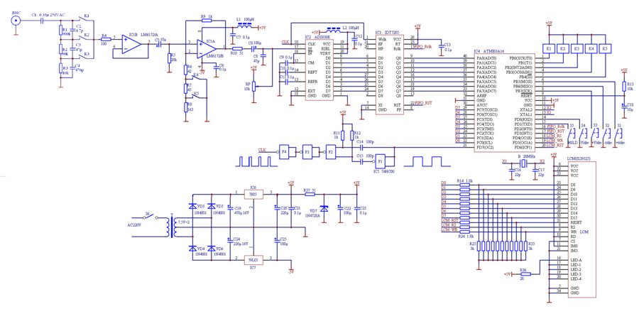
我做的数字示波器差不多了,庆贺!!

 火.. [复制链接]
发表于 2012-1-11 18:48 | 显示全部楼层
谢谢楼主分享^_^
回复

使用道具 举报

发表于 2012-1-13 13:20 | 显示全部楼层
共享下资料啊,一起DIY啊!
回复

使用道具 举报

 楼主| 发表于 2012-1-13 20:14 | 显示全部楼层
示波器DIY.rar (293.13 KB, 下载次数: 660) 201105数字示波器.gif

点评

lfq
也想要作一台,可以把固件发一份给我吗?我的邮箱是250681125qq.com  详情 回复 发表于 2023-3-27 19:22
回复

使用道具 举报

 楼主| 发表于 2012-1-13 20:17 | 显示全部楼层
这里有作者的博客,可以看看。矿坛里作者有个更低成本的新版示波器。http://blog.sina.com.cn/s/blog_53f8d23d0100oio2.html
http://www.crystalradio.cn/bbs/thread-237265-7-1.html
回复

使用道具 举报

发表于 2012-1-14 10:14 | 显示全部楼层
硬件复杂,程序难啊!!
回复

使用道具 举报

发表于 2016-11-23 20:22 | 显示全部楼层
本帖最后由 钟义亭 于 2016-11-24 08:10 编辑

http://dangerousprototypes.com/d ... design_introduction

買一顆 IC  ,  濤寶不賣 DIY
買五顆 ,  就買成品 一定能用
早就想做 , 單顆沒人賣
有一次 , 定了幾顆 IC
回說 買少 ,  排不上單
都想做 , 只能拆成品 來做
會做的多了 , 發射機 會干擾
音響大聲 沒處用 ,  太吵
都 DIY  工廠都倒了 , 你種稻米 吃


1.jpg


昨晚 網路怪 ,  圖上傳不了 慢
有時 是我本身 ,  網路變慢
我懷疑 網路難連時  不給傳圖  , 卡卡


回复

使用道具 举报

发表于 2023-3-27 19:22 | 显示全部楼层

也想要作一台,可以把固件发一份给我吗?我的邮箱是250681125qq.com

点评

https://www.yleee.com.cn/thread-60599-1-1.html  详情 回复 发表于 2023-3-27 21:39
回复

使用道具 举报

发表于 2023-3-27 21:39 | 显示全部楼层
lfq 发表于 2023-3-27 19:22
也想要作一台,可以把固件发一份给我吗?我的邮箱是250681125qq.com

https://www.yleee.com.cn/thread-60599-1-1.html
回复

使用道具 举报

 楼主| 发表于 2023-3-29 20:53 | 显示全部楼层
QQ截图20230329205145.jpg 建议加群做这个示波器也可以。
回复

使用道具 举报

本版积分规则

QQ|一淘宝店|手机版|商店|一乐电子 ( 粤ICP备09076165号 ) 公安备案粤公网安备 44522102000183号

GMT+8, 2025-11-24 02:58 , Processed in 0.039085 second(s), 27 queries , Gzip On.

Powered by Discuz! X3.5

© 2001-2025 Discuz! Team.

快速回复 返回顶部 返回列表