一乐电子

 找回密码
 请使用微信账号登录和注册会员

QQ登录

只需一步,快速开始

微信扫码登录

手机号码,快捷登录

手机号码,快捷登录

搜索
楼主: prince_15

自制SP200s USB接口,直插单面板,适于自制,多图

 火... [复制链接]
发表于 2011-11-20 17:17 | 显示全部楼层
回复 8# 快乐之星


  期待你的分享
回复

使用道具 举报

发表于 2011-11-20 17:48 | 显示全部楼层
这个SP200我有增强版程序。
快乐之星 发表于 2011-11-20 16:12 https://www.yleee.com.cn/images/common/back.gif



    很想要啊!!!!!!
回复

使用道具 举报

发表于 2011-11-20 18:01 | 显示全部楼层
主控要换成STC89C58,需要的请留下邮箱。

评分

参与人数 1一乐金币 +5 收起 理由
大圣3 + 5 兄弟,谢谢分享!

查看全部评分

回复

使用道具 举报

发表于 2011-11-20 18:16 | 显示全部楼层
SP200   PCB文件

自制SP200.rar

54.97 KB, 下载次数: 1144, 下载积分: 一乐金币 -1

回复

使用道具 举报

发表于 2011-11-20 18:30 | 显示全部楼层
主控要换成STC89C58,需要的请留下邮箱。
快乐之星 发表于 2011-11-20 18:01 https://www.yleee.com.cn/images/common/back.gif



    785418837@qq.com  谢谢 !
回复

使用道具 举报

发表于 2011-11-20 19:10 | 显示全部楼层
谢谢 !
785418837 发表于 2011-11-20 18:30 https://www.yleee.com.cn/images/common/back.gif



    楼上的朋友,已发送的。
回复

使用道具 举报

 楼主| 发表于 2011-11-20 19:38 | 显示全部楼层
回复 16# 快乐之星

fanticat@sina.com
回复

使用道具 举报

发表于 2011-11-20 19:52 | 显示全部楼层
回复  快乐之星
prince_15 发表于 2011-11-20 19:38 https://www.yleee.com.cn/images/common/back.gif



    楼上朋友程序,已发送的,请查收。

评分

参与人数 1一乐金币 +60 收起 理由
非凡电子 + 60

查看全部评分

回复

使用道具 举报

发表于 2011-11-20 20:00 | 显示全部楼层
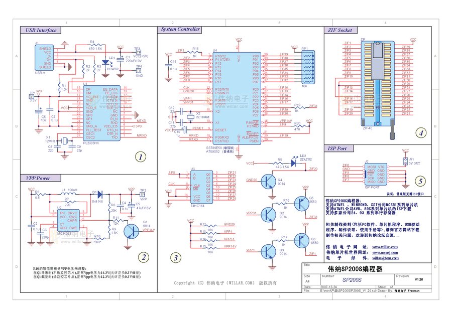
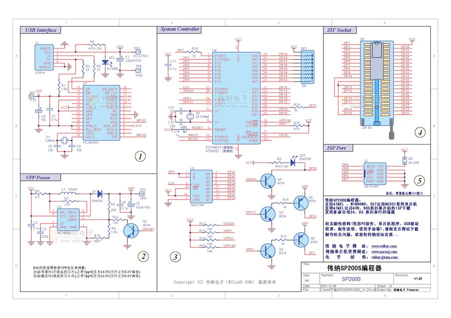
SP200图纸
SP200S_SCH_V126.png
回复

使用道具 举报

发表于 2011-11-20 20:18 | 显示全部楼层
也要个程序,多谢
gzrldt@yahoo.com.cn
回复

使用道具 举报

本版积分规则

QQ|一淘宝店|手机版|商店|一乐电子 ( 粤ICP备09076165号 ) 公安备案粤公网安备 44522102000183号

GMT+8, 2025-12-16 08:32 , Processed in 0.035708 second(s), 29 queries , Gzip On.

Powered by Discuz! X3.5

© 2001-2025 Discuz! Team.

快速回复 返回顶部 返回列表