一乐电子

 找回密码
 请使用微信账号登录和注册会员

QQ登录

只需一步,快速开始

微信扫码登录

手机号码,快捷登录

手机号码,快捷登录

搜索
查看: 20716|回复: 58

[其他综合] 国外DIY---用二片ICL7135制作的双路电压表

 火... [复制链接]
发表于 2011-12-11 11:10 | 显示全部楼层 |阅读模式
66.JPG


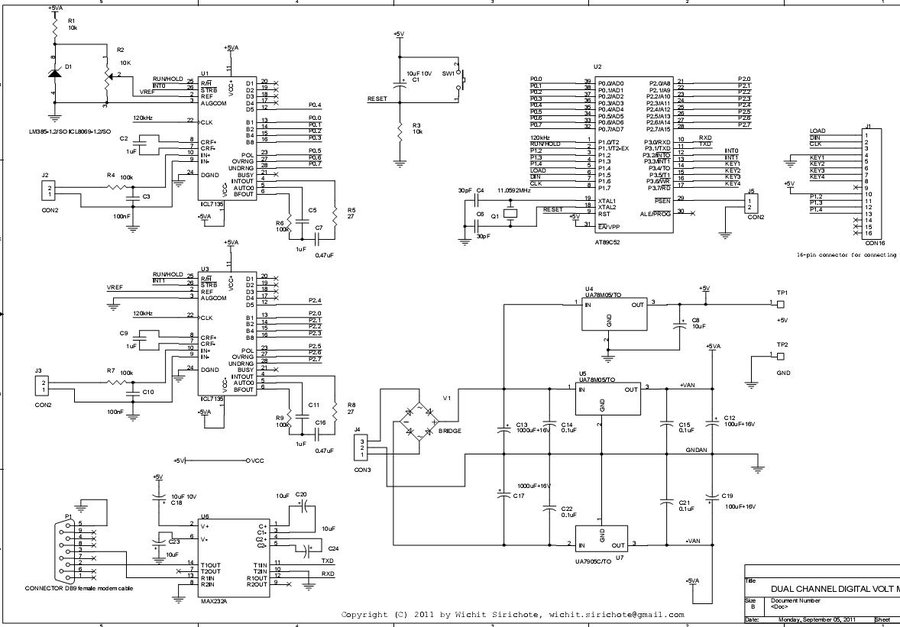
     原理如图所示:


整机共用两片ICL7135芯片。输入的范围为 + /-1.9999v 。灵敏度100 uV 。

ICL7135 提供了多路复用的 BCD 输出和 (STRB)信号。
89C52定时器 2生成 125 kHz 的时钟(50HZ)。
  二极管D1生成+ 1.0000V参考电压,
显示板部分用MAX7219。
RS232 串行端口 : 9600 8n 1。

55.JPG

DVM7135[1].rar (28.48 KB, 下载次数: 723)


源码.rar (2.54 KB, 下载次数: 676)

评分

参与人数 1一乐金币 +5 收起 理由
fatzeros + 5 赞一个!

查看全部评分

发表于 2011-12-11 11:24 | 显示全部楼层
哗,高精度的哦。
回复

使用道具 举报

发表于 2011-12-11 11:37 | 显示全部楼层
精度真高。没有量程档位呐?
回复

使用道具 举报

发表于 2011-12-11 11:37 | 显示全部楼层
回复 1# 倪大德


    精度真高!!顺便请教一下,怎么才能提高M8的AD转换精度?是不是只能小数点后两位?
回复

使用道具 举报

发表于 2011-12-11 11:38 | 显示全部楼层
要是从0-500V自动量程就好啦
回复

使用道具 举报

发表于 2011-12-11 12:14 | 显示全部楼层
自动量程就和是抄万用的输入电路了
回复

使用道具 举报

发表于 2011-12-11 13:05 | 显示全部楼层
利用ICL7135芯片在M8中作电压AD转换不是可以提高M8精度吗?
回复

使用道具 举报

发表于 2011-12-11 13:48 | 显示全部楼层
用并口读数据,学习一下,谢谢倪工
回复

使用道具 举报

发表于 2011-12-11 13:51 | 显示全部楼层
7135能直接输出,加入单片机干什么呢?
回复

使用道具 举报

发表于 2011-12-11 13:55 | 显示全部楼层
7135能直接输出,加入单片机干什么呢?
my1048 发表于 2011-12-11 13:51 https://www.yleee.com.cn/images/common/back.gif

    可以控制,可以传送给PC............
回复

使用道具 举报

本版积分规则

QQ|一淘宝店|手机版|商店|一乐电子 ( 粤ICP备09076165号 ) 公安备案粤公网安备 44522102000183号

GMT+8, 2025-12-16 11:05 , Processed in 0.036579 second(s), 31 queries , Gzip On.

Powered by Discuz! X3.5

© 2001-2025 Discuz! Team.

快速回复 返回顶部 返回列表