一乐电子

 找回密码
 请使用微信账号登录和注册会员

QQ登录

只需一步,快速开始

微信扫码登录

手机号码,快捷登录

手机号码,快捷登录

搜索
楼主: fat

[其他综合] 一个数字ESR表,朋友们有兴趣玩吗?

 火... [复制链接]
发表于 2012-2-26 19:57 | 显示全部楼层
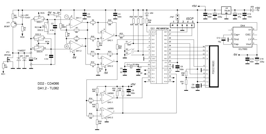
瓦斯报警器,用的是贴片7107.板上还有:LM324、4011BF、4013B、H7660
回复

使用道具 举报

 楼主| 发表于 2012-2-26 20:11 | 显示全部楼层
电路图看不清楚!
无锡风 发表于 2012-2-26 18:43 https://www.yleee.com.cn/images/common/back.gif



就是考虑到图片大小的问题,我专门上传到本坛了,请冯老师点击顶楼帖最下面的小图即可看大图(很巨大的哦)
回复

使用道具 举报

 楼主| 发表于 2012-2-26 20:19 | 显示全部楼层
向大家说明一下:其它版本的ESR表我也收集了不少资料,其中用指针表头类的,小鬼头老师基本都介绍过,而且专门集各家之长设计了一款,就不必再考虑其它的设计了。而使用数字显示(包括LCD或LED数码管)的,这个是比较有特色的,不需要使用单片机。至于其它的版本,我手上至少有两种的资料,有用AVR的也有用PIC的,但我没有源代码(要修改很困难),而且考虑到有些朋友烧写单片机有困难,不易仿制,所以我把这个资料发上来。
回复

使用道具 举报

 楼主| 发表于 2012-2-26 20:24 | 显示全部楼层
关键是价格。
可以只做测量部分,电压输出,这样就可以接到数字表,成本也低很多了。
benli 发表于 2012-2-26 19:10 https://www.yleee.com.cn/images/common/back.gif



    如只做除表头之外的部分,成本很低的,估计就几块钱
回复

使用道具 举报

发表于 2012-2-26 20:47 | 显示全部楼层
回复 14# fat


    我觉得大多数人这个也就是偶尔用用,输出电压用数字表测量比较好,成本也低。。
回复

使用道具 举报

发表于 2012-2-26 20:59 | 显示全部楼层
做过指针式的,在路检测电容很给力。正想做个数字的,多谢分享资料。不过好像PDF文档没有线路图。
回复

使用道具 举报

发表于 2012-2-26 21:03 | 显示全部楼层
[attach]70430[/attach
]先上我的ESR资料。我自己做的,刚才用手机照了个片子,现在手机没电了。等会上照片。

CESR资料.rar

204.83 KB, 下载次数: 1149, 下载积分: 一乐金币 -1

电解电容表

回复

使用道具 举报

发表于 2012-2-26 21:06 | 显示全部楼层
sch.gif
刚才忘记打包电路图了,现在发上来。我用热转印做的单面板,顶面,用铜线连的。今天下载了RLC电桥的资料,明天开始做了。
回复

使用道具 举报

发表于 2012-2-26 21:23 | 显示全部楼层
做个LCR数字电桥吧http://www.crystalradio.cn/bbs/viewthread.php?tid=231933&extra=&page=1,能对电解电容的ESR测量。
电容.GIF
测5个并联50毫欧阻值
050X5并联电阻.GIF
回复

使用道具 举报

发表于 2012-2-26 21:28 | 显示全部楼层
回复  fat    我觉得大多数人这个也就是偶尔用用,输出电压用数字表测量比较好,成本也低。。
benli 发表于 2012-2-26 20:47 https://www.yleee.com.cn/images/common/back.gif


这个方式,可以考虑。
回复

使用道具 举报

本版积分规则

QQ|一淘宝店|手机版|商店|一乐电子 ( 粤ICP备09076165号 ) 公安备案粤公网安备 44522102000183号

GMT+8, 2026-5-25 09:30 , Processed in 0.045569 second(s), 28 queries , Gzip On.

Powered by Discuz! X3.5

© 2001-2025 Discuz! Team.

快速回复 返回顶部 返回列表