一乐电子

 找回密码
 请使用微信账号登录和注册会员

QQ登录

只需一步,快速开始

微信扫码登录

手机号码,快捷登录

手机号码,快捷登录

搜索
楼主: sundey

[其他综合] 求助:从斯太尔后八轮上拆了块YM12864C,想点亮。试了很多都没有用。上图

  [复制链接]
 楼主| 发表于 2012-6-6 09:23 | 显示全部楼层
最关键的是这种图形液晶的管脚定义和普通的不一样,带有CS1,CS2片选接口。所以很多坛子的程序一下子套不上。
回复

使用道具 举报

 楼主| 发表于 2012-6-6 14:12 | 显示全部楼层
找到了一个带有片选的测试程序,终于驱动了一点点。 01.jpg
回复

使用道具 举报

 楼主| 发表于 2012-6-6 14:32 | 显示全部楼层
本帖最后由 sundey 于 2012-6-6 14:48 编辑

在上我的51板的18640接口定义。还有我的板子和这个屏的管脚的接法。现在可以出点色块。 也可以调节对比度了。

我用的这个程序是一个叫司马黑客的网友给我的。经测试,可以点亮一块和我板子的18640接口一样的18640图形液晶的屏。屏上会显示“亚龙科技集团工程部”
05.jpg
回复

使用道具 举报

 楼主| 发表于 2012-6-6 14:33 | 显示全部楼层
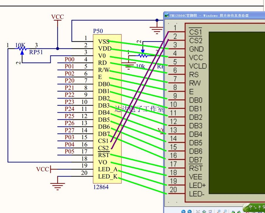
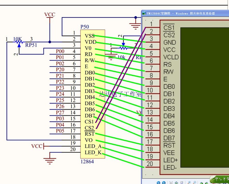
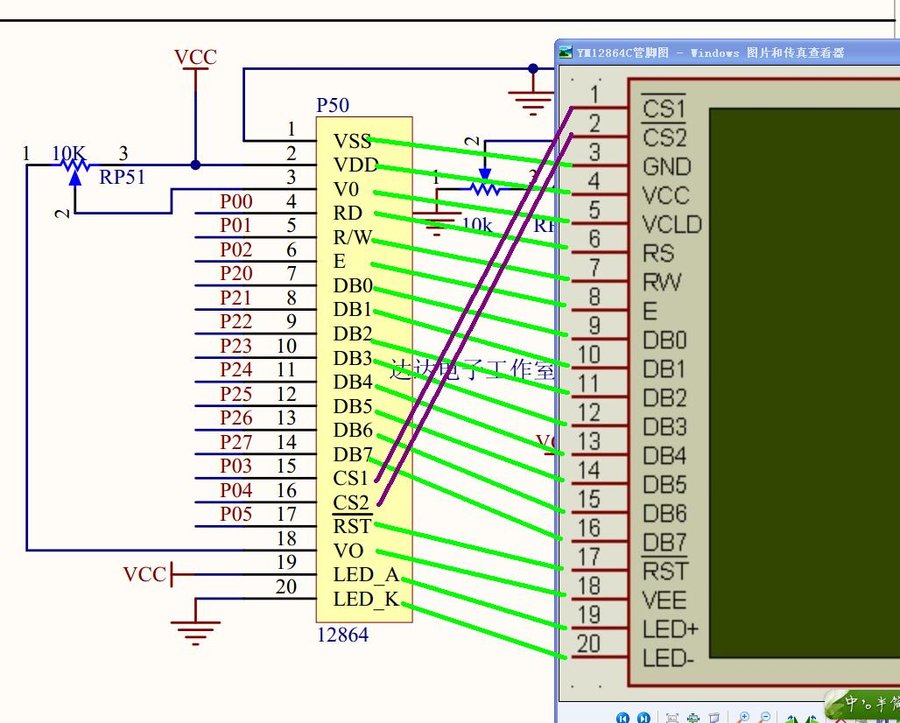
YM12864C管脚改我的51板图.JPG


左边是我的板子的接口,右边是这个屏的接口。

中间连线是我用杜邦线做连接。  结果未能正确显示。
回复

使用道具 举报

发表于 2012-6-6 20:49 | 显示全部楼层
这个就是标准的ks0108的12864呀
回复

使用道具 举报

 楼主| 发表于 2012-6-9 13:28 | 显示全部楼层
初步判断液晶坏了、
回复

使用道具 举报

发表于 2012-6-9 20:01 | 显示全部楼层
这屏貌似不是ks0108驱动的,也不是常用的排列接口,与ks0108相似左右驱动的好像还有1815的。
回复

使用道具 举报

发表于 2012-9-24 10:10 | 显示全部楼层
回复 14# sundey


    我就是按照你这样的方法接的线,图上面只出现了格格一样的东东。
回复

使用道具 举报

发表于 2012-10-21 22:36 | 显示全部楼层
可能是KS的驱动。这个屏的质量不敢恭维,从给的手册来讲,只字未提控制IC的型号。看手册应该兼容KS0108
回复

使用道具 举报

发表于 2012-11-1 16:56 | 显示全部楼层
NND我的屏后面写的是3。3V啊?手工标的。
回复

使用道具 举报

本版积分规则

QQ|一淘宝店|手机版|商店|一乐电子 ( 粤ICP备09076165号 ) 公安备案粤公网安备 44522102000183号

GMT+8, 2026-3-26 01:11 , Processed in 0.043906 second(s), 27 queries , Gzip On.

Powered by Discuz! X3.5

© 2001-2025 Discuz! Team.

快速回复 返回顶部 返回列表