一乐电子

 找回密码
 请使用微信账号登录和注册会员

QQ登录

只需一步,快速开始

微信扫码登录

手机号码,快捷登录

手机号码,快捷登录

搜索
楼主: 一家人

退休后的燥动

 火.. [复制链接]
发表于 2012-8-13 15:02 | 显示全部楼层
不是08接口!在一乐论坛可以找到你想了解的问题。
一家人 发表于 2012-8-12 21:58 https://www.yleee.com.cn/images/common/back.gif



    进度咋样了?关注下。
回复

使用道具 举报

 楼主| 发表于 2012-8-13 19:15 | 显示全部楼层
Daughter住院 近几天没顾上!谢谢老弟!
回复

使用道具 举报

发表于 2012-8-13 20:22 | 显示全部楼层
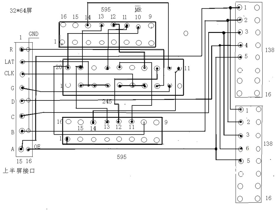
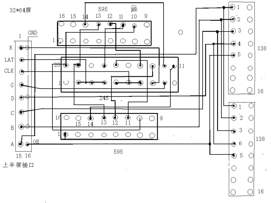
你的单片机和LED屏的接口对应关系是这样的吗?

sbit HC138_A=P1^0;        
sbit HC138_B=P1^1;   
sbit HC138_C=P1^2;   
sbit HC138_D=P1^3;           //138, 4, 5
//sbit HC138_OE=P1^6;         //138 6
sbit HC595_LAT=P1^6;    //595 12
sbit HC595_CLK=P1^7;    //595 11
sbit HC595_GD=P1^4;    //595 14
sbit HC595_RD=P1^5;    //595 14

sbit KEY1=P2^7;
sbit KEY2=P2^6;
sbit DQ=P2^0;

/*
sbit 1302=P3^4;        //DS1302-5
sbit 1302=P3^3;        //DS1302-6
sbit 1302=P3^2;        //DS1302-7
*/

如果不是, 把你的对应关系列出来。
回复

使用道具 举报

发表于 2012-8-13 21:06 | 显示全部楼层
你的单片机和LED屏的接口对应关系是这样的吗?
sbit HC138_A=P1^0;        
sbit HC138_B=P1^1;   
sbit HC ...
mdy-5153 发表于 2012-8-13 20:22 https://www.yleee.com.cn/images/common/back.gif

    DS1302的引脚是在另一个文件内,您列出的1302部分是被注释掉的。
回复

使用道具 举报

发表于 2012-8-13 21:07 | 显示全部楼层
Daughter住院 近几天没顾上!谢谢老弟!
一家人 发表于 2012-8-13 19:15 https://www.yleee.com.cn/images/common/back.gif

    哦,愿令爱早日康复。
回复

使用道具 举报

发表于 2012-8-14 00:05 | 显示全部楼层
对照你的电路, 对应接口如下, 这个应该自己可以找出来的。

sbit HC138_A=P1^0;         
sbit HC138_B=P1^1;   
sbit HC138_C=P1^2;   
sbit HC138_D=P1^3;           //138, 4, 5

//sbit HC138_OE=P1^6;         ???

sbit HC595_LAT=P1^6;    //595 12
sbit HC595_CLK=P1^7;    //595 11

sbit HC595_G1=P1^4;    //595 14
sbit HC595_R1=P1^5;    //595 14
sbit HC595_G2=P3^0;    //595 14
sbit HC595_R2=P3^1;    //595 14

sbit S1=P2^4;
sbit S2=P2^5;
sbit S3=P2^6;
sbit S4=P2^7;
sbit DQ=P2^1;

/*
sbit 1302=P2^4        //DS1302-5
sbit 1302=P2^3;        //DS1302-6
sbit 1302=P2^2;        //DS1302-7
*/

不知为什么OE 接的是电源正。屏的一端是接的什么?
回复

使用道具 举报

发表于 2012-8-14 00:08 | 显示全部楼层
回复

使用道具 举报

 楼主| 发表于 2012-8-14 15:33 | 显示全部楼层
本帖最后由 一家人 于 2012-8-14 17:46 编辑

6.gif 回复 37# mdy-5153
好眼力。改过来了,眼花看错了,见谅!
回复

使用道具 举报

 楼主| 发表于 2012-8-14 15:34 | 显示全部楼层
回复 35# 199003326


    谢谢老弟! 祝开心快乐!
回复

使用道具 举报

发表于 2012-8-14 16:31 | 显示全部楼层
本帖最后由 199003326 于 2012-8-14 16:33 编辑
回复  mdy-5153
一家人 发表于 2012-8-14 15:33 https://www.yleee.com.cn/images/common/back.gif



    D那个肯定不对,两个138不会是并联关系。
现在俺怀疑是屏到控制板的接线有问题,要不问题出在OE上,OE接地或悬空试试?
屏和控制板之间的GND连了吧?
回复

使用道具 举报

本版积分规则

QQ|一淘宝店|手机版|商店|一乐电子 ( 粤ICP备09076165号 ) 公安备案粤公网安备 44522102000183号

GMT+8, 2025-11-24 06:07 , Processed in 0.037643 second(s), 28 queries , Gzip On.

Powered by Discuz! X3.5

© 2001-2025 Discuz! Team.

快速回复 返回顶部 返回列表