一乐电子

 找回密码
 请使用微信账号登录和注册会员

QQ登录

只需一步,快速开始

微信扫码登录

手机号码,快捷登录

手机号码,快捷登录

搜索
查看: 7195|回复: 17

许老师的0.3%电桥AD9原理图工程文件,请大家帮忙看看有什么错误,多提点意见!

[复制链接]
发表于 2012-11-3 17:14 | 显示全部楼层 |阅读模式
本帖最后由 acbear 于 2012-11-3 17:21 编辑

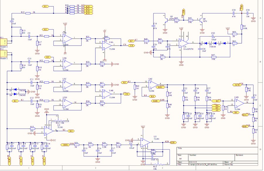
上传一个我用AD9画的原理图,和工程文件,请坛子里朋友帮忙检查下,看有没有错误。


准备画PCB图了,请坛子里朋友帮忙检查下,看原理图有没有错误,提点意见。



mcu

mcu

运放

运放

电子开关

电子开关

lcr.pdf (663.95 KB, 下载次数: 569)
lcr.rar (3.3 MB, 下载次数: 1275)
发表于 2012-11-3 18:06 | 显示全部楼层
本帖最后由 pdwdwdw 于 2012-11-3 18:07 编辑

支持兄弟,大概看了下没发现什么错误,tl081的调零电阻可以不用,不过加上也好可以看看效果,至少我改的时候没发现什么问题,而且看技术文档81,82, 84实际上都是一样的只运放个数之分
另羡慕兄弟会用高级绘图软件啊
回复

使用道具 举报

发表于 2012-11-3 20:09 | 显示全部楼层
德国马克
回复

使用道具 举报

发表于 2012-11-3 20:12 | 显示全部楼层
又看一眼,貌似单片机改了????那么程序要修改吗?
说实话,手头不少52片子
回复

使用道具 举报

发表于 2012-11-3 20:18 | 显示全部楼层
1602貌似第二脚电源正,第三脚是对比度吧?
回复

使用道具 举报

 楼主| 发表于 2012-11-3 20:59 | 显示全部楼层
回复 5# 2shouren
是的,这里改了,谢谢!
回复

使用道具 举报

发表于 2012-11-3 21:00 | 显示全部楼层
期待啊,等着开团
回复

使用道具 举报

 楼主| 发表于 2012-11-3 21:01 | 显示全部楼层
回复 4# 2shouren

只是用个封装,名字没改,还是要用STC12C5A60S12。
回复

使用道具 举报

 楼主| 发表于 2012-11-3 21:03 | 显示全部楼层
期待啊,等着开团
teep 发表于 2012-11-3 21:00 https://www.yleee.com.cn/images/common/back.gif

没有时间跟精力开团,欢迎有能力的朋友开团。提供源文件。
回复

使用道具 举报

发表于 2012-11-3 21:15 | 显示全部楼层
要提供性能的话,要用好点的运放。
回复

使用道具 举报

本版积分规则

QQ|一淘宝店|手机版|商店|一乐电子 ( 粤ICP备09076165号 ) 公安备案粤公网安备 44522102000183号

GMT+8, 2026-4-19 16:29 , Processed in 0.041742 second(s), 30 queries , Gzip On.

Powered by Discuz! X3.5

© 2001-2025 Discuz! Team.

快速回复 返回顶部 返回列表