一乐电子

 找回密码
 请使用微信账号登录和注册会员

QQ登录

只需一步,快速开始

微信扫码登录

手机号码,快捷登录

手机号码,快捷登录

搜索
楼主: 桃源客

3264LED点阵屏最好的外壳——十字绣画框

 火.. [复制链接]
发表于 2012-12-12 08:47 | 显示全部楼层
楼主这个框是自己DIY的还是十字绣那儿定做的?我问过十字绣的,还不便宜呢。

评分

参与人数 1一乐金币 +2 收起 理由
桃源客 + 2 是拿屏到十字框店里叫人做的,一个屏20元, ...

查看全部评分

回复

使用道具 举报

发表于 2012-12-12 08:49 | 显示全部楼层
外框换种颜色啊,这个颜色实在是不搭调。
回复

使用道具 举报

发表于 2012-12-12 09:23 | 显示全部楼层
很不错~~~~漂亮  ~~~~~~~~支持
回复

使用道具 举报

发表于 2012-12-12 09:48 | 显示全部楼层
看前面挺好的.
回复

使用道具 举报

发表于 2012-12-12 09:55 | 显示全部楼层
界面很友好
外框不错,你太有才了
回复

使用道具 举报

发表于 2012-12-12 10:33 | 显示全部楼层
回复 1# 桃源客
我也有这个屏,麻烦pm个两行显示的时钟程序吧? 谢谢了先
回复

使用道具 举报

发表于 2012-12-12 12:36 | 显示全部楼层
想法不错
回复

使用道具 举报

发表于 2012-12-14 08:37 | 显示全部楼层
有创意!不错!
不过总觉得用这种LED显示屏做室内装饰(尤其是家庭内)总感觉光线不柔和,太刺眼。
有损家庭的温馨气氛。
回复

使用道具 举报

发表于 2012-12-14 09:22 | 显示全部楼层
有创意!不错!不过总觉得用这种LED显示屏做室内装饰(尤其是家庭内)总感觉光线不柔和,太刺眼。 ...
cdwj 发表于 2012-12-14 08:37 https://www.yleee.com.cn/images/common/back.gif


“LED显示屏做室内装饰(尤其是家庭内)总感觉光线不柔和,太刺眼”?
把LED 的亮度,按照自己的要求,降低就是了。   
回复

使用道具 举报

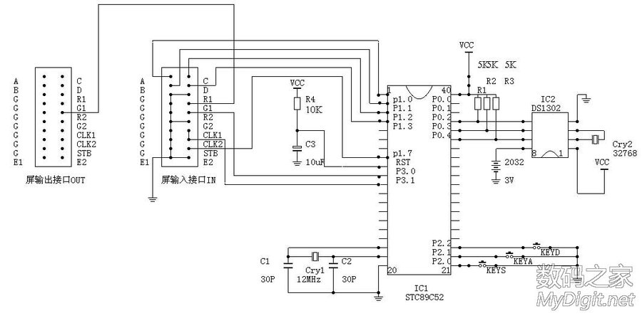
 楼主| 发表于 2012-12-14 20:53 | 显示全部楼层
本帖最后由 桃源客 于 2012-12-14 20:54 编辑

我这个框是做十字绣时顺做了,一共做了两个,每个20元,不是很贵,因为十字绣框花式都是仿古的,所以花纹理多点,还有要是前面用磨砂玻璃就好看一点。但十字绣框店是没有磨砂玻璃的,要自己去割。改天再搞了。
  这个我改了下程度,把OE脚接了P1。7,调节下亮度,只耗5V0。3A的电,亮度刚好,一点都不刺眼,白天也刚好看到。

程序中二行显示的是我自己写的,电路和程序如下,因为我原来屏亮度不足,我把OE脚直接接地,要是要调亮度,OE脚接一个单片机I/O口,用PWM法调节。
三行中是坛里有的。大家可以见这个:https://www.yleee.com.cn/viewthread.php?tid=12963&rpid=367762&ordertype=0&page=2#pid367762
1.jpg
32X64点阵屏万历程序.rar (13.73 KB, 下载次数: 720)
回复 1 0

使用道具 举报

本版积分规则

QQ|一淘宝店|手机版|商店|一乐电子 ( 粤ICP备09076165号 ) 公安备案粤公网安备 44522102000183号

GMT+8, 2026-3-11 07:01 , Processed in 0.044034 second(s), 32 queries , Gzip On.

Powered by Discuz! X3.5

© 2001-2025 Discuz! Team.

快速回复 返回顶部 返回列表