一乐电子

 找回密码
 请使用微信账号登录和注册会员

QQ登录

只需一步,快速开始

微信扫码登录

手机号码,快捷登录

手机号码,快捷登录

搜索
楼主: 3AG1

锂电电压监测电路

 火.. [复制链接]
发表于 2012-9-13 14:34 | 显示全部楼层
回复 20# 3AG1


    3AG1老师好:谢谢你的热心!直接上图上传不了,图片超过限制。附件是一压缩文件直接解压就可以。
回复 1 0

使用道具 举报

 楼主| 发表于 2012-9-13 14:43 | 显示全部楼层
回复  3AG1


    3AG1老师好:谢谢你的热心!直接上图上传不了,图片超过限制。附件是一压缩文件直接解 ...
苏北明珠 发表于 2012-9-13 14:34 https://www.yleee.com.cn/images/common/back.gif

图片是什么格式?无法打开。
回复 1 0

使用道具 举报

发表于 2012-9-13 15:26 | 显示全部楼层
回复 22# 3AG1


    3AG1老师;图片下载后,解压就可以打开了,是图片。*bmp格式。
回复 1 0

使用道具 举报

 楼主| 发表于 2012-9-13 15:36 | 显示全部楼层
用系统自带的画图软件还有ACDSee都不能打开,你可以用ACDSee把图片处理一下,把图片的大小调整一下,另保存为GIF格式。
回复 0 1

使用道具 举报

发表于 2012-9-13 15:54 | 显示全部楼层
本帖最后由 苏北明珠 于 2012-9-13 16:15 编辑

回复 24# 3AG1


    3AG1老师:我没有你说的那个软件,我试了下载后,解压。用windows图片和传真查看器就可以打开。找同事处理了一下 可调电源图片.gif 麻烦老师给看看。
回复 1 0

使用道具 举报

 楼主| 发表于 2012-9-15 09:39 | 显示全部楼层
回复  3AG1


    3AG1老师:我没有你说的那个软件,我试了下载后,解压。用windows图片和传真查看器就 ...
苏北明珠 发表于 2012-9-13 15:54 https://www.yleee.com.cn/images/common/back.gif


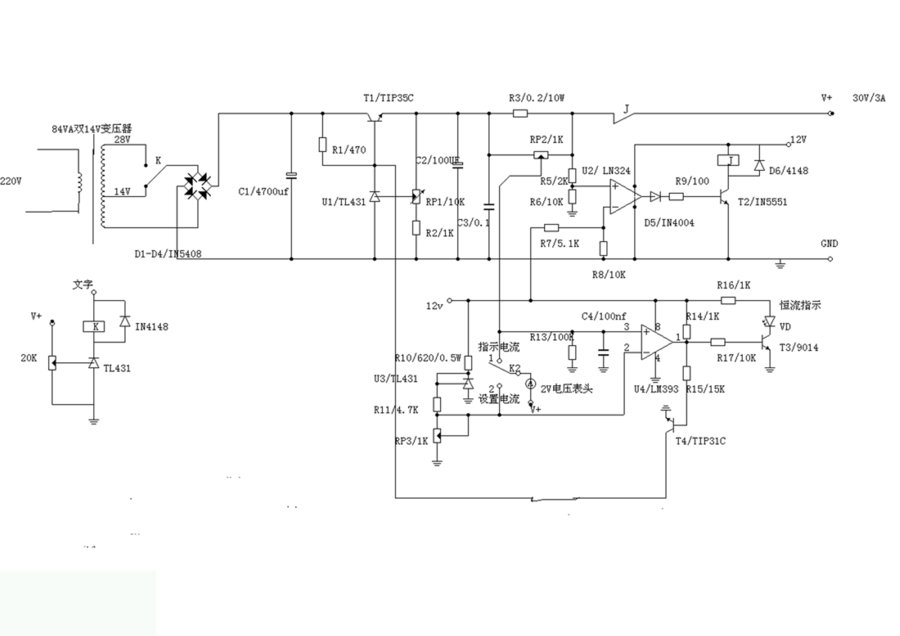
看了下你的这个图,问题太多,没有办法简单修改。电路中LM324接成了过压保护,动作电压大约7.9V,超过此电压就没有输出,可调稳压电源没有必要在输出端设置过压保护吧?LM393是电压比较器,用于稳流控制肯定不行,图中电路也是错误的。

你这个电路也没有办法从0V起调,最低输出电压是2.5V,其实一般应用最低2.5V也可以了,从0V起调电路会复杂化。

你最好把你现在手里都有什么零件登记一下,列出来,我根据你的现有零件画图吧。你那里购买零件方便吗?

你现在有什么型号的电位器,电位器的阻值是多少,NPN型大功率三极管用原有的TIP35,有TIP41之类的驱动管吗?PNP型的高耐压三极管有没有?如2N5401之类的,小功率三极管的型号、数量,电流取样电阻阻值多少,功率多大?大电流整流二极管型号、数量,1N4004之类的整流管有没有?发光二极管的颜色、工作端电压,电阻电容等常用零件充足吗?
你手里都有什么测量仪表?
回复 1 0

使用道具 举报

发表于 2012-9-16 09:38 | 显示全部楼层
用什么软件画的图啊,比较漂亮。。
回复 1 0

使用道具 举报

发表于 2012-9-16 10:32 | 显示全部楼层
谢谢分享。。。。。。
回复 1 0

使用道具 举报

发表于 2012-9-17 09:32 | 显示全部楼层
回复 27# rapoo


    用绘图助手画的。 绘图助手_icy破解版.zip (155.61 KB, 下载次数: 502)
回复 1 0

使用道具 举报

发表于 2012-9-17 09:34 | 显示全部楼层
回复 26# 3AG1


    3AG1老师你好:我从新发了个帖子列明了我手头有点原件,麻烦你移步过去看看。谢谢!
回复 0 1

使用道具 举报

本版积分规则

QQ|一淘宝店|手机版|商店|一乐电子 ( 粤ICP备09076165号 ) 公安备案粤公网安备 44522102000183号

GMT+8, 2026-3-27 17:24 , Processed in 0.037712 second(s), 28 queries , Gzip On.

Powered by Discuz! X3.5

© 2001-2025 Discuz! Team.

快速回复 返回顶部 返回列表