一乐电子

 找回密码
 请使用微信账号登录和注册会员

QQ登录

只需一步,快速开始

微信扫码登录

手机号码,快捷登录

手机号码,快捷登录

搜索
查看: 7619|回复: 25

[其他综合] 1602电子钟时间不走的疑问

  [复制链接]
发表于 2013-1-13 10:20 | 显示全部楼层 |阅读模式
参考坛子里帖子做了个1602电子钟,电路是环牛先生的,.hex文件刷了一批,都不行最后留了yy.hex,结果也是时间不走,不到5分钟乱码,请各位朋友根据情况看看硬件有无问题,怎么处理,尽情聊聊,感谢!参考帖子如下:https://www.yleee.com.cn/viewthread.php?tid=2027&highlight=1602
https://www.yleee.com.cn/thread-5253-1-2.html




看图:
IMG_2103.JPG
最小系统
IMG_2105.JPG

背面飞线
IMG_2106.JPG

红白线是时钟芯片备用电源线,红正接时钟芯片8脚,白负接4脚。不过接了后芯片奇烫就没用到。
IMG_2107.JPG

细节
IMG_2108.JPG

stc89c52rc,ds18b20,ds1302(批次1108a4,有反应此批次不好,换了2个现象一样)
IMG_2109.JPG

合体
IMG_2111.JPG

显示正常,时钟不走,温度正常
IMG_2110.JPG

温度有变化
IMG_2112.JPG


IMG_2115.JPG


IMG_2116.JPG

4.5分钟后开始乱码
IMG_2117.JPG

乱码
IMG_2118.JPG

乱码
IMG_2119.JPG

乱码隐约可见
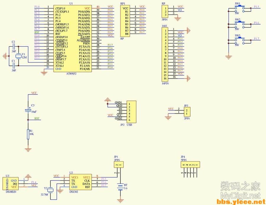
原理图.jpg

原理图

源码
YY.rar (3.43 KB, 下载次数: 3009)
IMG_2103.JPG
IMG_2105.JPG
IMG_2106.JPG
IMG_2107.JPG
IMG_2108.JPG
IMG_2109.JPG
IMG_2110.JPG
IMG_2111.JPG
IMG_2112.JPG
IMG_2115.JPG
IMG_2116.JPG
IMG_2117.JPG
IMG_2118.JPG
IMG_2119.JPG
 楼主| 发表于 2013-1-13 10:26 | 显示全部楼层
图上传了两遍,没用到的怎么都跑下边来了。
回复

使用道具 举报

发表于 2013-1-13 10:33 | 显示全部楼层
1 钟不走,请查有无使能1302的“时钟暂停标志位(CH)”。该位位于秒寄存器(80H、81H)的bit 7。该位为1,则时钟停振。换言之,需要走时,则需该位为0。请查程序有没有那个地方把它置1了。
2 乱码是程序跑飞了。是不是你用的单片机跟作者用的单片机不一样?
回复

使用道具 举报

 楼主| 发表于 2013-1-13 11:03 | 显示全部楼层
回复 3# chjj0

at89s52和stc89c52是一样的引脚,只是二者使用电压不同,at是3v吧。
回复

使用道具 举报

发表于 2013-1-13 11:16 | 显示全部楼层
我觉得还是设置的问题,你看看程序里对芯片控制的什么没有打开或有冲突,个人觉得
回复

使用道具 举报

发表于 2013-1-13 11:17 | 显示全部楼层
再看看32768晶振是否有问题
回复

使用道具 举报

发表于 2013-1-13 11:32 | 显示全部楼层
回复 4# zhihong2000


    除了引脚一样,时钟都不一样,编址也不一样。还有你能确认它的跳转指令都一样吗?
回复

使用道具 举报

发表于 2013-1-13 11:56 | 显示全部楼层
楼主用的RP1排阻是多大的?
回复

使用道具 举报

发表于 2013-1-13 12:02 | 显示全部楼层
先确定1302的晶振是否起振,而且看你晶振接了2个22P电容,这个晶振的电容通常是6P的,如果走时误差小的话,完全可以不用接,如果大了反而容易停振。
回复

使用道具 举报

发表于 2013-1-13 12:28 | 显示全部楼层
DS1302的5、6、7脚要接4.7K~10K电阻到正极,就是所谓的上拉电阻。特别是国产的芯片一定要加的。
回复

使用道具 举报

本版积分规则

QQ|一淘宝店|手机版|商店|一乐电子 ( 粤ICP备09076165号 ) 公安备案粤公网安备 44522102000183号

GMT+8, 2026-1-30 18:22 , Processed in 0.037775 second(s), 30 queries , Gzip On.

Powered by Discuz! X3.5

© 2001-2025 Discuz! Team.

快速回复 返回顶部 返回列表