一乐电子

 找回密码
 请使用微信账号登录和注册会员

QQ登录

只需一步,快速开始

微信扫码登录

手机号码,快捷登录

手机号码,快捷登录

搜索
楼主: 社建电子

电容降压带led实验 一次失败的、不顺利的、惨痛的、倒霉的实验

 火.. [复制链接]
发表于 2013-1-17 16:50 | 显示全部楼层
不折腾,生意就不来啊
回复

使用道具 举报

发表于 2013-1-17 16:54 | 显示全部楼层
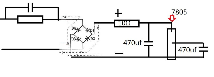
某成品电路上抄的,能供给单片机,我想稳定性应该很不错。就是7805之前的电容需要很高的耐压(这个耐压是16V的,爆了导致工作不稳定,跳过容阻降压电路直接接12V依旧工作正常)
新建位图图像.jpg

实际电路中每个二极管还并联了一个472的瓷片电容
两个电解电容个并联了一个104的瓷片电容。
201301171357.jpg
回复

使用道具 举报

发表于 2013-1-17 17:11 | 显示全部楼层
我就不信搞维修的手里没一大堆电源、充电器,
随便捡个什么都比电容降压强多了,而且安全。


真要并联稳压,TL431或稳压管+中功率管即可。
(12楼电路频繁通断的话也不可靠)
回复

使用道具 举报

发表于 2013-1-17 17:12 | 显示全部楼层
貌似容阻降压开机一瞬间的电压就是电源电压……
回复

使用道具 举报

发表于 2013-1-17 17:16 | 显示全部楼层
本帖最后由 徐利达 于 2013-1-17 17:18 编辑

回复 1# 社建电子


    社建兄终于用上我卖的表头啦 别再折腾烧了电容降压给LED供电LED的电压必须100V以上那样才不容易烧掉!就是说最少要30颗LED串联!串的电容容量也要控制好别让电流太大!在LED两端并上33UF--100UF的电容再并上一只百十K的电阻泄放电压
回复

使用道具 举报

 楼主| 发表于 2013-1-17 17:20 | 显示全部楼层
我就不信搞维修的手里没一大堆电源、充电器,
随便捡个什么都比电容降压强多了,而且安全。


真要并联 ...
xwj 发表于 2013-1-17 17:11 https://www.yleee.com.cn/images/common/back.gif



    不是想省点成本吗?
请看这个帖子种我的疑问:
https://www.yleee.com.cn/thread-21131-1-1.html
回复

使用道具 举报

发表于 2013-1-17 17:39 | 显示全部楼层
严格来说串电容是限流,不是降压,也就是说串电容后空载电压照样是220V,这么高电压加到431上,不烧才怪嘞, ...
199003326 发表于 2013-1-17 16:42 https://www.yleee.com.cn/images/common/back.gif



    431是并联稳压的,431烧毁应当是过流所致。
回复

使用道具 举报

发表于 2013-1-17 17:42 | 显示全部楼层
呵呵,数码也看到了,阻容降压真的不行,我还买的成品,没多久就坏了
回复

使用道具 举报

发表于 2013-1-17 17:42 | 显示全部楼层
某成品电路上抄的,能供给单片机,我想稳定性应该很不错。就是7805之前的电容需要很高的耐压(这个耐压是16 ...
sdf15937 发表于 2013-1-17 16:54 https://www.yleee.com.cn/images/common/back.gif



    这个电路设计有问题,电容降压要用并联稳压的,就算是用7805也要在7805前面加上个稳压管,要不很容易损坏。
回复

使用道具 举报

发表于 2013-1-17 18:07 | 显示全部楼层
哈哈,杜老大图文并茂,很详细,很生动,顶…………
回复

使用道具 举报

本版积分规则

QQ|一淘宝店|手机版|商店|一乐电子 ( 粤ICP备09076165号 ) 公安备案粤公网安备 44522102000183号

GMT+8, 2025-11-27 13:33 , Processed in 0.034707 second(s), 28 queries , Gzip On.

Powered by Discuz! X3.5

© 2001-2025 Discuz! Team.

快速回复 返回顶部 返回列表