一乐电子

 找回密码
 请使用微信账号登录和注册会员

QQ登录

只需一步,快速开始

微信扫码登录

手机号码,快捷登录

手机号码,快捷登录

搜索
楼主: benli

谁做过7135表头

[复制链接]
发表于 2013-5-7 20:24 | 显示全部楼层
benli 发表于 2013-5-7 20:15 static/image/common/back.gif
要sch的7135元件图标就可以了,PCB得自己画,以小巧为主。

我之有PDF的,从冯老师那里来的
回复

使用道具 举报

发表于 2013-5-7 20:24 | 显示全部楼层
benli 发表于 2013-5-7 20:11 https://www.yleee.com.cn/static/image/common/back.gif
74LS74是D触发器,不是译码器。


74ls47
回复

使用道具 举报

 楼主| 发表于 2013-5-7 20:30 | 显示全部楼层

RE: 谁做过7135表头

fujiachun 发表于 2013-5-7 20:24 static/image/common/back.gif
我之有PDF的,从冯老师那里来的

要sch的是为了偷懒
回复

使用道具 举报

发表于 2013-5-7 20:51 | 显示全部楼层
本帖最后由 jzwyywq 于 2013-5-7 21:27 编辑

想做个7135的表头,datasheet实在是看不懂,7135的A-D输出是高电平还是低电平?译码器用什么型号?数码管用共阳还是共阴?谁有Protel99的Sch图标分享一个更好
D5 D4 D3 D2 D1高电平,B8 B4 B2 B1 BCD码 正逻辑.


正在做。用avr2313+7135+12864—16做.正在写程序,原理图基本上已画好.

Doc1.doc (49 KB, 下载次数: 779)
回复

使用道具 举报

发表于 2013-5-7 21:06 | 显示全部楼层
我这有个图。看看你能不能用上
ICL7135.gif
回复

使用道具 举报

发表于 2013-5-7 21:18 | 显示全部楼层
孬孬 发表于 2013-5-7 21:06 static/image/common/back.gif
我这有个图。看看你能不能用上

看到这个图想起了一桩往事,这是北京杰龙的图纸,以前老在无线电电子报等杂志登广告买表头,我去过他们那里,有10来年了,那会儿他们在无线电杂志社附近。我买了三个温控器,看着现场简陋的设备我心里就直打鼓,现场调试,就泡在热水里,调完就卖给我了,当时显示就不一样,泡在一个盆里,测试值居然不一样。三个温控器,就是7135方案的,好像花了150一个买的,连来回路费,这三个一共花了600多,起早代贪黑,想想现在有了淘宝真是方便,想到这还是得向马云敬礼,不管小二怎样,总之我们确实感到方便了。
回复

使用道具 举报

 楼主| 发表于 2013-5-7 21:46 | 显示全部楼层

RE: 谁做过7135表头

jzwyywq 发表于 2013-5-7 20:51 static/image/common/back.gif
D5 D4 D3 D2 D1高电平,B8 B4 B2 B1 BCD码 正逻辑.

液晶显示不如数码管,字大,视角大。
回复

使用道具 举报

发表于 2013-5-7 22:01 | 显示全部楼层
benli 发表于 2013-5-7 21:46 static/image/common/back.gif
液晶显示不如数码管,字大,视角大。

是那样的。我主要是利用手里有的东西做的,才用液晶。
回复

使用道具 举报

发表于 2013-5-7 22:24 | 显示全部楼层
本帖最后由 snoopy8008 于 2013-5-7 22:34 编辑

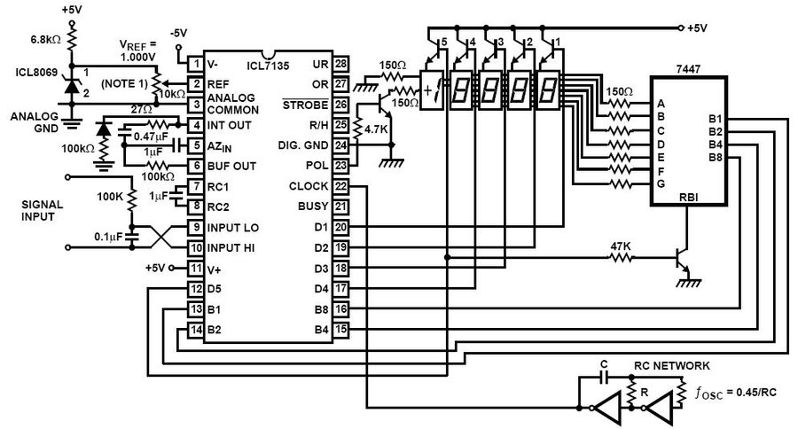
未命名.JPG

图片是ICL7135 datasheet里的。
图中用7447+三极管驱动共阳LED数码管。

Digit Drives (Pins 12, 17, 18, 19 and 20)
Each digit drive is a positive going signal that lasts for 200 clock pulses. The scan sequence is D5 (MSD), D4 , D3 , D2 , and D1 (LSD). All five digits are scanned and this scan is continuous unless an overrange occurs. Then all digit drives are blanked from the end of the strobe sequence until the beginning of Reference Integrate when D5 will start the scan again. This can give a blinking display as a visual indication of overrange.
BCD (Pins 13, 14, 15 and 16)
每个数字驱动脚是持续200个时钟脉冲的正信号,扫描顺序从D5到D1,除非超量程,否则一直循环扫描。………………(超量程时闪烁显示)
The Binary coded Decimal bits B8 , B4 , B2 , and B1 are positive logic signals that go on simultaneously with the digit driver signal.
BCD码引脚B8B4B2B1是与数字驱动脚同步的正信号。
回复

使用道具 举报

 楼主| 发表于 2013-5-7 22:49 | 显示全部楼层

RE: 谁做过7135表头

snoopy8008 发表于 2013-5-7 22:24 static/image/common/back.gif
图片是ICL7135 datasheet里的。
图中用7447+三极管驱动共阳LED数码管。

看不懂datasheet里的鸟语才发帖问
回复

使用道具 举报

本版积分规则

QQ|一淘宝店|手机版|商店|一乐电子 ( 粤ICP备09076165号 ) 公安备案粤公网安备 44522102000183号

GMT+8, 2026-3-5 10:33 , Processed in 0.035959 second(s), 28 queries , Gzip On.

Powered by Discuz! X3.5

© 2001-2025 Discuz! Team.

快速回复 返回顶部 返回列表