一乐电子

 找回密码
 请使用微信账号登录和注册会员

QQ登录

只需一步,快速开始

微信扫码登录

手机号码,快捷登录

手机号码,快捷登录

搜索
楼主: benli

谁做过7135表头

[复制链接]
发表于 2013-5-24 21:58 | 显示全部楼层
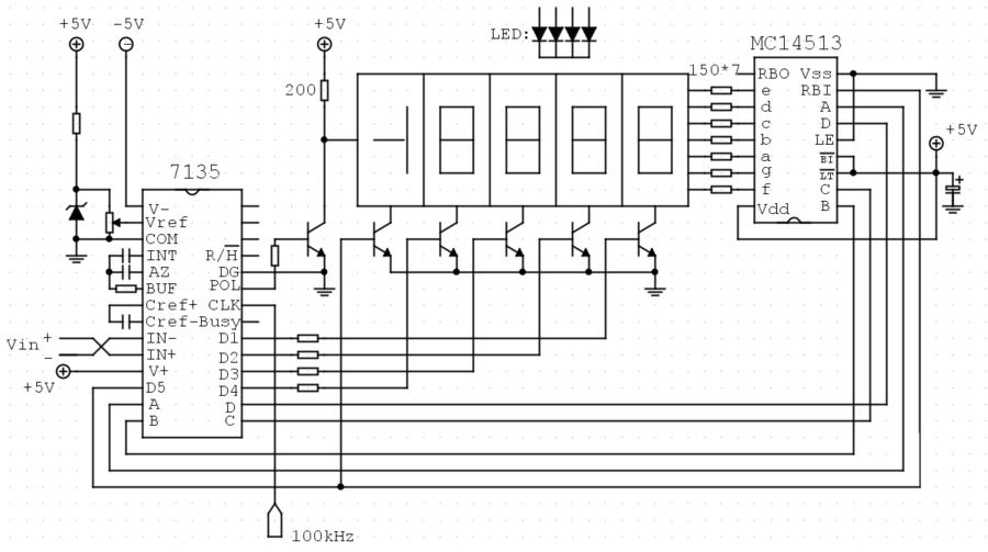
这个是用MC14513译码的。
截图01.png
回复

使用道具 举报

发表于 2013-5-24 23:41 | 显示全部楼层
直接加一块单片机来的更简单
回复

使用道具 举报

发表于 2013-5-24 23:53 | 显示全部楼层
收音机 发表于 2013-5-24 23:41
直接加一块单片机来的更简单

2.jpg 3.jpg
5.jpg 4.jpg
测单节电池.jpg
测两节电池.jpg
测自身基准电压.jpg
短路4个输入端.jpg
图片随便传的,没有按照顺序,参考着看,没有画原理图,只一片单片机,产生250k方波提供给7135工作频率,同时这方波接定时器外部输入端,对7135忙标志检测,检测到高电平后开启定时器对方波计数,忙标志低电平后停止计数,计数值减2001还是20001(我忘记了)后的数就是电压值了,字节转换后送1602显示。对了,单片机用的是12c5204ad,另一路pwm用来产生负压供7135。
这板子是跟公司的样板拼板嘉立创打样的,匆匆忙忙,布线不完美,元件封装不合理,线路有错,用手靠近积分电容就会有干扰,估计是积分电容处在7135肚子下面有关,还有负压产生电路也紧靠着7135,总之就是不完美,有空再布一个做表头用。



回复

使用道具 举报

发表于 2013-5-25 12:57 | 显示全部楼层
以前有个同事做个1个,IC是用ICL7107的,看看有没有用吧,附件有99SE画好的SCH(图纸上同事给的,不保证100%正确,因为我没动过手)

ICL7107.pdf

39.81 KB, 阅读权限: 5, 下载次数: 30, 下载积分: 一乐金币 -1

ICL7107.rar

6.6 KB, 阅读权限: 5, 下载次数: 25, 下载积分: 一乐金币 -1

回复

使用道具 举报

发表于 2013-5-26 08:35 | 显示全部楼层
收音机 发表于 2013-5-24 23:41
直接加一块单片机来的更简单

把资料发上来好吗?
回复

使用道具 举报

发表于 2013-5-29 22:08 | 显示全部楼层
laodd 发表于 2013-5-26 08:35
把资料发上来好吗?

改天有空画图传上来。
回复

使用道具 举报

发表于 2013-5-31 01:43 | 显示全部楼层
这个图实际做过,74S47驱动用共阳管。
http://www.tu265.com/di-e4592a01284e8307c0350c0a3778caaa.jpg
回复

使用道具 举报

发表于 2013-6-18 23:01 | 显示全部楼层
收音机 发表于 2013-5-24 23:53
图片随便传的,没有按照顺序,参考着看,没有画原理图,只一片单片机,产生250k方波提供给71 ...

实际使用中:陶封的1403会比431好多少?能有个定量结果吗?
回复

使用道具 举报

发表于 2013-6-21 21:00 | 显示全部楼层
ray2003 发表于 2013-6-18 23:01
实际使用中:陶封的1403会比431好多少?能有个定量结果吗?

没对比过,估计温飘好些,其他的不懂,这陶封的也是买东西时顺路带的。
回复

使用道具 举报

本版积分规则

QQ|一淘宝店|手机版|商店|一乐电子 ( 粤ICP备09076165号 ) 公安备案粤公网安备 44522102000183号

GMT+8, 2026-3-5 09:06 , Processed in 0.033642 second(s), 27 queries , Gzip On.

Powered by Discuz! X3.5

© 2001-2025 Discuz! Team.

快速回复 返回顶部 返回列表