一乐电子

 找回密码
 请使用微信账号登录和注册会员

QQ登录

只需一步,快速开始

微信扫码登录

手机号码,快捷登录

手机号码,快捷登录

搜索
查看: 5880|回复: 25

[T50表头] 请求高手指点,刚做89S51数控电源网载的资料2.5,20V,输出调不20V。谢谢!!

[复制链接]
发表于 2013-7-15 09:41 | 显示全部楼层 |阅读模式
本帖最后由 wmqi6996 于 2013-7-15 09:55 编辑

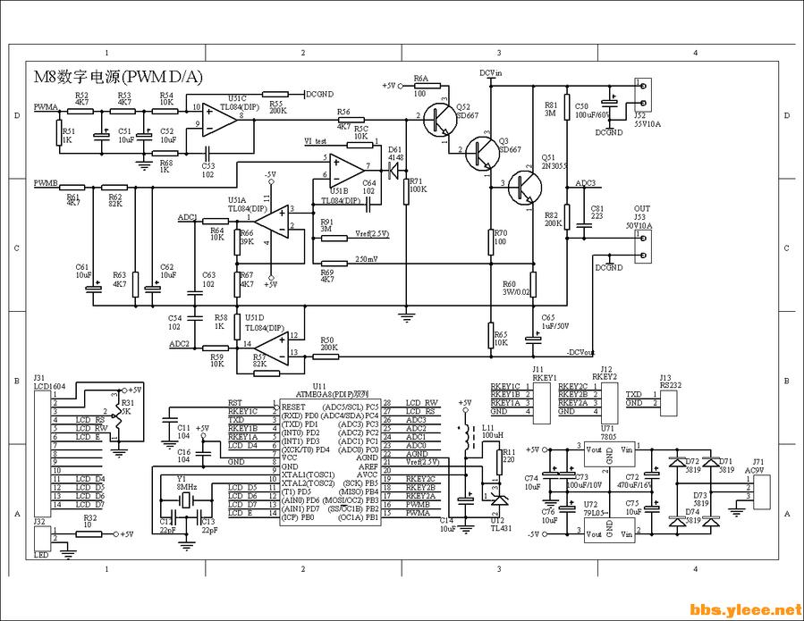
刚做89S51数控电源网载的资料理论上说是2.5A,20V,可输出调不20V最高也就9.45V,液晶显示电压和输出实际电压也调不到一致,AC供电是双20V LM324是正负双12V,是不提高324,vref 是负5V电压才行还是89S51程序设计有问题,望高手们给指点指点,电路那里可修改。我把PCB 原里图都发上。
QQ截图20130715093322.jpg
QQ截图20130715093253.jpg
2.jpg
3.jpg

自制程序PCB原理图全套.zip

122.84 KB, 下载次数: 309, 下载积分: 一乐金币 -1

发表于 2013-7-15 09:53 | 显示全部楼层
变压器用交流多少伏的?整流后直流电压多大的
回复

使用道具 举报

 楼主| 发表于 2013-7-15 09:56 | 显示全部楼层
阳光999 发表于 2013-7-15 09:53
变压器用交流多少伏的?整流后直流电压多大的

整流后是26V
回复

使用道具 举报

发表于 2013-7-15 10:50 | 显示全部楼层
本帖最后由 美人鱼999 于 2013-7-15 10:53 编辑

输出不会超过11v吧!主电源和控制电源及运放共地,运放最高输出12v(一般不到的),去掉两个输出管的导通压降(0.7Vx2).......

个人观点,不一定准确。


把主电源盒控制电源分开,5v就可以了,


回复

使用道具 举报

 楼主| 发表于 2013-7-15 10:57 | 显示全部楼层
美人鱼999 发表于 2013-7-15 10:50
输出不会超过11v吧!主电源和控制电源及运放共地,运放最高输出12v(一般不到的),去掉两个输出管的导通压 ...

你说得很精确,0.7X2 输出才9.45V  有没有什么办法改一下,或者换运放,加高运放正负电压能不能行?谢谢!!
回复

使用道具 举报

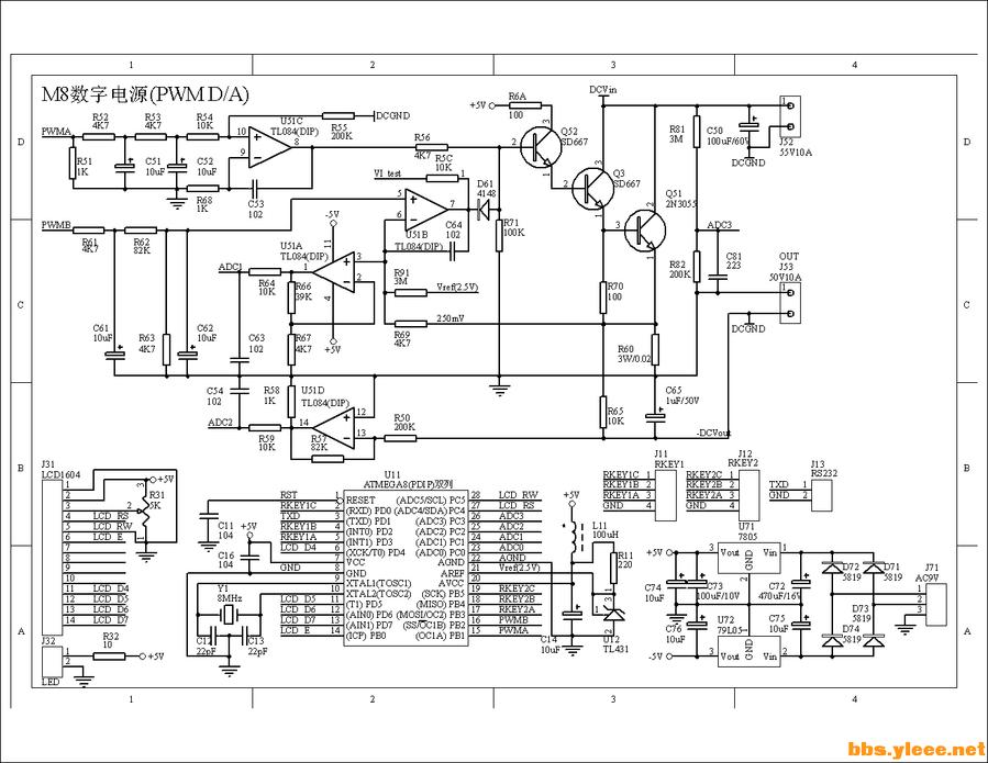
发表于 2013-7-15 11:15 | 显示全部楼层
把主电源盒控制电源分开,不要共地, 控制地接输出正,参考下图
M8_V7.png
回复

使用道具 举报

 楼主| 发表于 2013-7-15 11:23 | 显示全部楼层
美人鱼999 发表于 2013-7-15 11:15
把主电源盒控制电源分开,不要共地, 控制地接输出正,参考下图

好的,我改一下看看,我变压器还有另一组AC双12V 控制部分给单独供电,地给分开,真得谢谢你了,

回复

使用道具 举报

发表于 2013-7-15 17:55 | 显示全部楼层
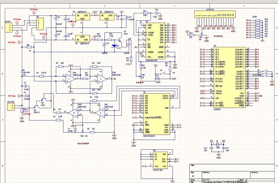
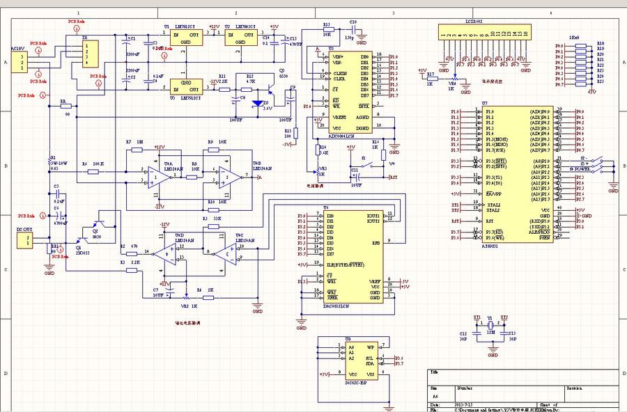
我也在网上看到一个89c51的电路,貌似比楼主你这个还简单很多呢,不过我没实做过
未命名.JPG

回复

使用道具 举报

发表于 2013-7-15 19:17 | 显示全部楼层
本帖最后由 山水2000 于 2013-7-15 19:28 编辑
zgfjcc 发表于 2013-7-15 17:55
我也在网上看到一个89c51的电路,貌似比楼主你这个还简单很多呢,不过我没实做过

哈哈~,终于看到有人把我多年年前发的一个数控电源找出来了(只在01MCU发过),不过这电源还是很不错的,现在还在用,最高输出15V,2.5A,电压0.1V步进,电流10mA步进,调整电压、电流后要按确认才有输出,防止一下子调高电压了烧用电器,重新开机会记住上次电压,电流值,这电路简单,还有三档电流自动转换,输出还很准的哦。

图上面这台台电源就是了,

图上面这台台电源就是了,
回复

使用道具 举报

发表于 2013-7-15 21:07 | 显示全部楼层
本帖最后由 zgfjcc 于 2013-7-15 21:08 编辑
山水2000 发表于 2013-7-15 19:17
哈哈~,终于看到有人把我多年年前发的一个数控电源找出来了(只在01MCU发过),不过这电源还是很不错的,现 ...


呵呵,找到原创了哈,当时也不记得是哪里看到了,反正就保存下来了。不过当时看到没有什么制作、调整说明,没敢轻易动手开工。
不如哥们趁这机会详解一下呗,这样大家要仿制也有个参考。
回复

使用道具 举报

本版积分规则

QQ|一淘宝店|手机版|商店|一乐电子 ( 粤ICP备09076165号 ) 公安备案粤公网安备 44522102000183号

GMT+8, 2026-2-28 00:53 , Processed in 0.047325 second(s), 30 queries , Gzip On.

Powered by Discuz! X3.5

© 2001-2025 Discuz! Team.

快速回复 返回顶部 返回列表