一乐电子

 找回密码
 请使用微信账号登录和注册会员

QQ登录

只需一步,快速开始

微信扫码登录

手机号码,快捷登录

手机号码,快捷登录

搜索
楼主: 巧克力

一元一片的3A可调旧的模块(MP2307DN组成的)

 火... [复制链接]
发表于 2010-5-3 11:08 | 显示全部楼层
果然是没加输出电容的缘故,谢谢!
老弹弓 发表于 2010-5-3 10:55 https://www.yleee.com.cn/images/common/back.gif



    客气,有问题尽管旺旺联系我
回复

使用道具 举报

发表于 2010-5-3 11:09 | 显示全部楼层
就这点想法也被您看出来了,呵呵

另外,今天刚想到一个模块的应用:用BQ2057控制模块, ...
gmliwei 发表于 2010-5-3 09:59 https://www.yleee.com.cn/images/common/back.gif



    李老师,高手!
回复

使用道具 举报

发表于 2010-5-3 11:16 | 显示全部楼层
哪里有0.4的,我买上1000
gmliwei 发表于 2010-5-3 09:35 https://www.yleee.com.cn/images/common/back.gif



    我前几天就去他那买过20个,,,
现在看是0.4元,
不过他说不卖的,这个可能是他的小号店铺!给人说说玩的!为了避免别人坐地涨价!
回复

使用道具 举报

发表于 2010-5-3 11:24 | 显示全部楼层
已经画好带可调的三端式电路板,尺寸12.8*16.5MM,兼容78XX系列管脚,直接取代78XX,嘎嘎
先上个元件布局图:
mp2307_78xx.bmp
回复

使用道具 举报

发表于 2010-5-3 11:48 | 显示全部楼层
这么多洋垃圾哪里来的?
回复

使用道具 举报

发表于 2010-5-3 12:29 | 显示全部楼层
美国矿难家属可能得到的补偿: (139字)

3百万美金一次性赔偿+5倍的年薪(约35万)+家属子女的医保费用+所有子女的四年大学学费. 且接受此赔偿方案不影响家属提出额外的法律诉讼。煤炭公司表示,希望遇难者家属此生能不再为金钱烦恼。
http://www.dailymail.com/News/201004290818


我们拿人家的垃圾当宝贝一点也不稀奇。 看看人家一条命值多少钱?
回复

使用道具 举报

发表于 2010-5-3 12:45 | 显示全部楼层
我国赔偿都不足美国的1/1000,悲哀!!!
回复

使用道具 举报

发表于 2010-5-3 14:57 | 显示全部楼层
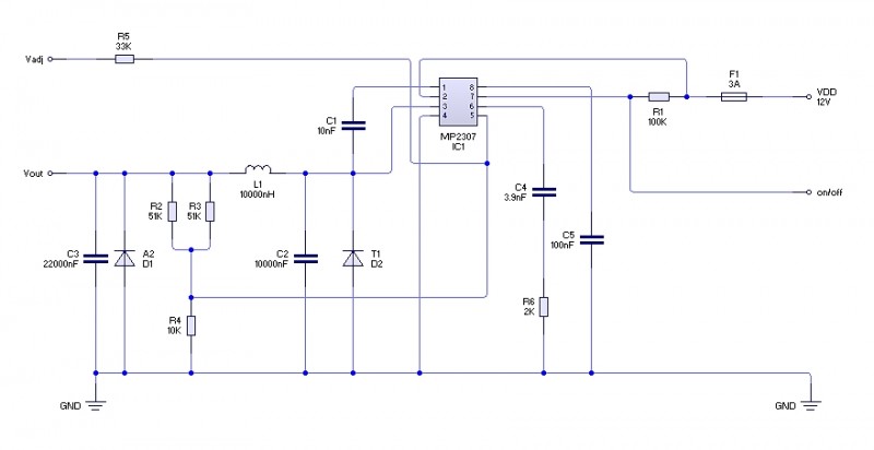
本帖最后由 02123800 于 2010-5-3 15:01 编辑

我模块也到的,画了个图。电容容量乱标的
MP2307-3.jpg
回复

使用道具 举报

发表于 2010-5-3 15:21 | 显示全部楼层
本来今天应该到了,但它们还没送,急啊
请问:外形尺寸是多大的?
回复

使用道具 举报

发表于 2010-5-3 15:29 | 显示全部楼层
pcb 1.9*2.0cm
回复

使用道具 举报

本版积分规则

QQ|一淘宝店|手机版|商店|一乐电子 ( 粤ICP备09076165号 ) 公安备案粤公网安备 44522102000183号

GMT+8, 2026-1-30 05:33 , Processed in 0.031503 second(s), 18 queries , Gzip On.

Powered by Discuz! X3.5

© 2001-2025 Discuz! Team.

快速回复 返回顶部 返回列表