一乐电子

 找回密码
 请使用微信账号登录和注册会员

QQ登录

只需一步,快速开始

微信扫码登录

手机号码,快捷登录

手机号码,快捷登录

搜索
楼主: steven888

团购:DT-14诺基亚充电器 请大家退多出的运费。

 火... [复制链接]
发表于 2010-5-22 11:49 | 显示全部楼层
回复  无锡风


    当然实践过啦,就因为这个问题我花了两天时间才找到原因,其间还不小心弄坏了块M8。 ...
天风雪雨 发表于 2010-5-22 09:31 https://www.yleee.com.cn/images/common/back.gif
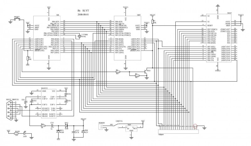
ATTINY26适配器电路图.PNG
回复

使用道具 举报

发表于 2010-5-22 11:54 | 显示全部楼层
无锡风 发表于 2010-5-22 11:49 https://www.yleee.com.cn/images/common/back.gif


怎么文字都没有啦?
我是想问:
是不是
218楼的 “不能给T26供应5伏电源”,和
220楼的“原理图上2脚的确是空的,但在pdf上却赫然标着这个脚接+Vcc”,
是“两码子”的事情?
   
回复

使用道具 举报

发表于 2010-5-22 12:08 | 显示全部楼层
221楼那个是适配器的接线图吧,左边那个接口就是原理图上那个20脚的转接口,在221楼的这个图里转接口的那个用红圈标的2脚不是写着接T26的电源正嘛,如果你的高压编程器不是买的成品而是自己做的话,接线一定会参考这个图接,而不会特地去留意原理图吧,那么这样接口的2脚(也就是T26的5脚)是不是也会想着去接到5伏的电源上去呢。
回复

使用道具 举报

发表于 2010-5-22 12:12 | 显示全部楼层
218楼说的不能供应5伏电源是指不能给T26的5脚电源端供应
回复

使用道具 举报

发表于 2010-5-22 12:16 | 显示全部楼层
回复 223# 天风雪雨
如果是上面的“这个”PDF截图:
左边是“适配器(IDC-20)”接插件的接线图;
右边是“T26芯片(DIP-20)"管脚的端口图;
怎么会混淆呐?

是不给“T26芯片”的Vcc管脚供电,还是不给 “T26芯片”的pin2管脚供电?
我打字很慢......
回复

使用道具 举报

发表于 2010-5-22 12:20 | 显示全部楼层
218楼说的不能供应5伏电源是指不能给T26的5脚电源端供应
天风雪雨 发表于 2010-5-22 12:12 https://www.yleee.com.cn/images/common/back.gif

还是请 hardzoo 来说吧。
回复

使用道具 举报

发表于 2010-5-22 13:10 | 显示全部楼层
slyt的那个高压编程在解锁DT-14上的T26时不接VCC,我用自制的HVProg(兼容STK500)进行解锁的话要接VCC,但VCC电压是受控的,也就是说VCC电压和RST脚的高压是同时开启的(手册上说VCC电压应比12V高压早开启,不超过64ms,实际同时开启也没问题),我已成功解锁DT-14上的T26。
回复

使用道具 举报

发表于 2010-5-22 14:21 | 显示全部楼层
回复 225# 无锡风


    是不给T26的5脚供电,2脚仍然按图上的接。另外T26的解锁是有两种方法的,对于DT-14这种RST被锁的需要12和5伏同时供电。
回复

使用道具 举报

发表于 2010-5-22 14:49 | 显示全部楼层
本帖最后由 hardzoo 于 2010-5-22 14:58 编辑

我把适配器的给T26的5脚Vcc供电的插针脱了,还是不认芯片,无法恢复熔丝,但芯片不发热了;换上新的T26试验,也不认芯片了。恢复后新的T26就正常了。对照Hvpro的原理图,取消5脚的5V供电后,目标芯片的Vcc供电好像没有其他另外的可控的电压源啊。
回复

使用道具 举报

发表于 2010-5-22 16:59 | 显示全部楼层
回到家终于可以发图片来说了。看下下面2张图的接口连线就知道了。其中在1图中可以看到2脚的接口是什么线都没接, 1.JPG 而在2图中却很明确的标明了插座的2脚是接VCC即T26的5脚, 2.png 再看3图中上位机软件对接口的说明,也很清楚的标明2脚为N/A即空脚。 3.JPG 也就是说,在实际使用时,T26的5脚并不需要接电源。
回复

使用道具 举报

本版积分规则

QQ|一淘宝店|手机版|商店|一乐电子 ( 粤ICP备09076165号 ) 公安备案粤公网安备 44522102000183号

GMT+8, 2026-1-30 05:32 , Processed in 0.027620 second(s), 17 queries , Gzip On.

Powered by Discuz! X3.5

© 2001-2025 Discuz! Team.

快速回复 返回顶部 返回列表