一乐电子

 找回密码
 请使用微信账号登录和注册会员

QQ登录

只需一步,快速开始

微信扫码登录

手机号码,快捷登录

手机号码,快捷登录

搜索
楼主: my1048

单电源0-15V/0-5A实验电路,欢迎探讨。

[复制链接]
发表于 2014-3-20 11:18 | 显示全部楼层
留个记号!空了研究
回复

使用道具 举报

发表于 2014-3-20 11:40 | 显示全部楼层
chjhuai 发表于 2014-3-20 10:27
不需要358输出多高的电压哦!只要满足那个三极管在导通和截止之间就好,我的自制电源电压跟随到5V都没有 ...

我说的是输入电压!!!!!
回复

使用道具 举报

发表于 2014-3-20 11:54 来自手机 | 显示全部楼层
电压跟随到5V就是输入5V哦!358输出O到3.5V不影响电源正常工作。
回复

使用道具 举报

发表于 2014-3-20 17:27 来自手机 | 显示全部楼层
chjhuai 发表于 2014-3-20 11:54  电压跟随到5V就是输入5V哦!358输出O到3.5V不影响电源正常工作。

请看左边那个运放!!
回复

使用道具 举报

发表于 2014-3-20 21:23 | 显示全部楼层
benli 发表于 2014-3-20 17:27
请看左边那个运放!!

不是运放吧!?是那个LED,换成4148就好,还有不是低导通的场效应管的话输入电压要8V以上,否则电流上不去。

点评

我的电源做好用了2年了,一点问题都没有,电压最低跟随到5V。  发表于 2014-3-21 16:59
认真看  发表于 2014-3-21 15:24
回复

使用道具 举报

发表于 2014-3-20 23:53 | 显示全部楼层
本帖最后由 mmfinger 于 2014-3-22 09:45 编辑

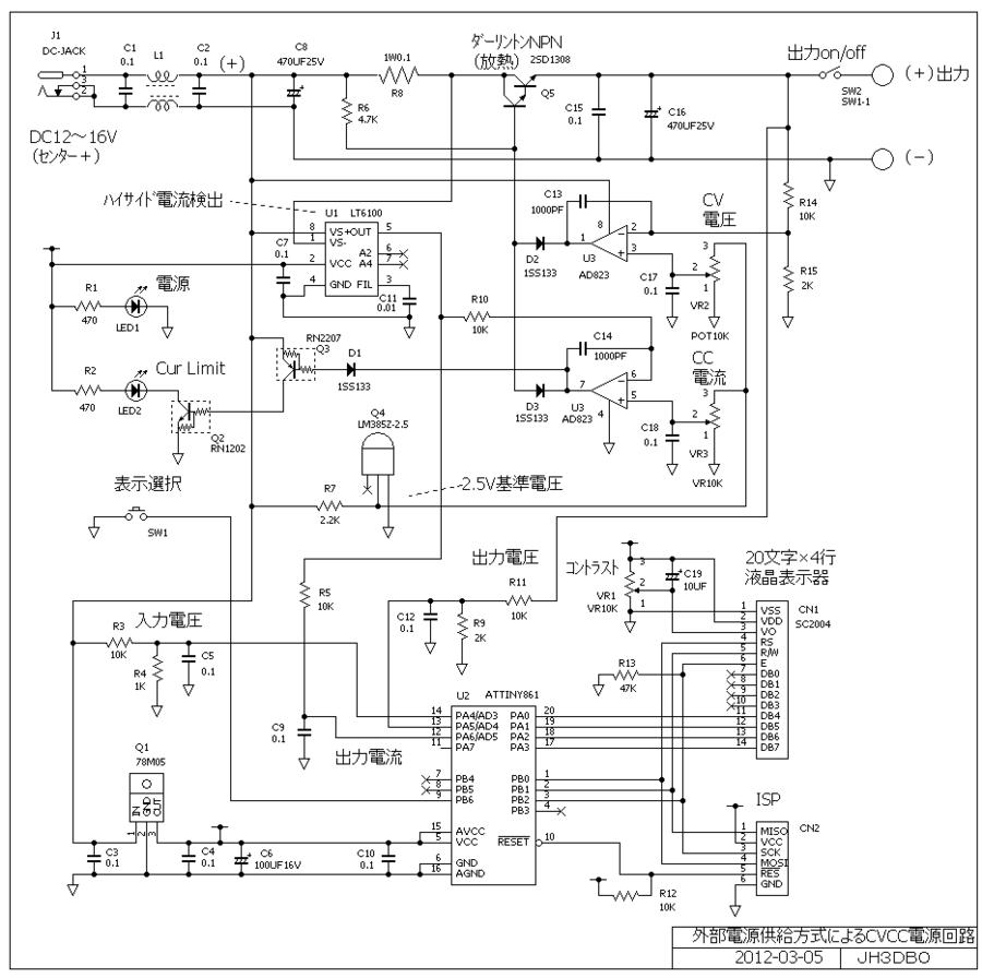
img20120305153500352.png
不好意思,传错图了,这个也是单电源,检流也是放在前面的,不同的是用LT6100专用检流芯片……。
回复

使用道具 举报

发表于 2014-3-21 11:36 | 显示全部楼层
我是进来学习的
回复

使用道具 举报

发表于 2014-3-22 09:51 | 显示全部楼层
benli 发表于 2014-3-20 11:40
我说的是输入电压!!!!!

请教benli兄,象这种情况是否选用072输入高于正电源轨的运放就可以解决问题?
回复

使用道具 举报

发表于 2014-3-22 11:02 | 显示全部楼层
mmfinger 发表于 2014-3-22 09:51
请教benli兄,象这种情况是否选用072输入高于正电源轨的运放就可以解决问题?

请教不敢当。
那电路只有用共模输入电压范围要和电源电压范围相同的运放,造成运放难找,轨至轨运放大多数是低电压的
回复

使用道具 举报

发表于 2014-3-22 11:49 | 显示全部楼层
benli 发表于 2014-3-22 11:02
请教不敢当。
那电路只有用共模输入电压范围要和电源电压范围相同的运放,造成运放难找,轨至轨运放大多 ...

多谢,查了下,072的共模输入是可以到正电源轨的,再次多谢benli兄了……。
回复

使用道具 举报

本版积分规则

QQ|一淘宝店|手机版|商店|一乐电子 ( 粤ICP备09076165号 ) 公安备案粤公网安备 44522102000183号

GMT+8, 2025-11-24 14:50 , Processed in 0.036108 second(s), 29 queries , Gzip On.

Powered by Discuz! X3.5

© 2001-2025 Discuz! Team.

快速回复 返回顶部 返回列表