一乐电子

 找回密码
 请使用微信账号登录和注册会员

QQ登录

只需一步,快速开始

微信扫码登录

手机号码,快捷登录

手机号码,快捷登录

搜索
查看: 8886|回复: 21

[电源DIY] 双路电压电流表头上位机软件

[复制链接]
发表于 2014-4-14 17:53 | 显示全部楼层 |阅读模式
本帖最后由 hl0716 于 2014-4-16 22:11 编辑

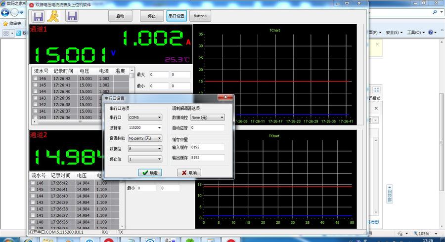
上图
modbus  rtu的协议
串口发送:01 03 00 00 00 08 44 0C
返回:01 03 16 3A 99 03 EA 3A 88 04 55 01 22 01 33 01 44 01 55 B6 68

参照返回格式暂时只有前面 数据有用,后面预留的


QQ图片20140414172610.jpg QQ图片20140414172630.jpg QQ图片20140414172652.jpg QQ图片20140414172708.jpg




软件  4m 传不了,等完善后发布吧



Debug.part2.rar

309.85 KB, 下载次数: 487, 下载积分: 一乐金币 -1

Debug.part1.rar

1 MB, 下载次数: 545, 下载积分: 一乐金币 -1

发表于 2014-4-14 18:12 | 显示全部楼层
支持,等完善后发布
回复

使用道具 举报

发表于 2014-4-14 18:14 | 显示全部楼层
楼主  这个要什么硬件支持?
回复

使用道具 举报

发表于 2014-4-14 18:45 | 显示全部楼层
电脑校准软件不错,很强大,期待好结果!
回复

使用道具 举报

发表于 2014-4-14 19:38 | 显示全部楼层
话说楼主这是啥语言写的上位机?这么好看……
回复

使用道具 举报

发表于 2014-4-14 22:55 | 显示全部楼层
同问,挺好看的!
回复

使用道具 举报

发表于 2014-4-15 07:33 | 显示全部楼层
有电压电流表原理图也一起传个吧,便于咱们克隆
回复

使用道具 举报

发表于 2014-4-15 08:19 | 显示全部楼层
下位机怎样的?上个图来看看呗!
回复

使用道具 举报

 楼主| 发表于 2014-4-15 09:34 | 显示全部楼层
我公开了协议,会改下位机的 ,把串口通信协议改下,就能用了
QQ图片20140415093246.jpg
我的下位机还没有完全做好,

回复

使用道具 举报

 楼主| 发表于 2014-4-15 09:35 | 显示全部楼层
本帖最后由 hl0716 于 2014-4-15 09:45 编辑
jiangdong0110 发表于 2014-4-15 07:33
有电压电流表原理图也一起传个吧,便于咱们克隆

电压电流表我的方案采用的 是 avr16+tlc2543外置 12位 ad,成本没有任何优势,不适合大家
以前  在 ti申请的样品,  avr是公司的  废板拆的
原理图,程序都可以公开.只是觉得对大家没啥用

回复

使用道具 举报

本版积分规则

QQ|一淘宝店|手机版|商店|一乐电子 ( 粤ICP备09076165号 ) 公安备案粤公网安备 44522102000183号

GMT+8, 2026-4-21 17:31 , Processed in 0.043215 second(s), 30 queries , Gzip On.

Powered by Discuz! X3.5

© 2001-2025 Discuz! Team.

快速回复 返回顶部 返回列表