一乐电子

 找回密码
 请使用微信账号登录和注册会员

QQ登录

只需一步,快速开始

微信扫码登录

手机号码,快捷登录

手机号码,快捷登录

搜索
查看: 81604|回复: 124

数字焊台(M8控制国产936手柄)更新控制Lukey852d+热风台电路图和固件

 火... [复制链接]
发表于 2010-6-6 14:22 | 显示全部楼层 |阅读模式
本帖最后由 acbear 于 2010-6-14 00:11 编辑

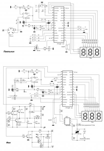
前段时间在手电论坛上看到一个帖子DIY 936 852D+ 焊台 数字温度控制器,正好手上有台国产936,温度不准,要调到400度才可以化锡,校温电位器不起作用,本来想等xxxue的PCB来改造,等了好久都没消息。
决定自己动手,通过万能的google找到他的老家,俄国人做的。有LED显示和LCD显示的,经过比较觉得LED效果比LCD的效果好,而且成本也低,焊台就只是显示温度用LED就够用了,不需要显示太多的信息,用LCD浪费。
LED版本:
网址:http://radiokot.ru/lab/controller/32/

讨论:http://www.radiokot.ru/forum/viewtopic.php?f=25&;t=8505&sid=9b4482d3d07a88d9e38090a61853eeb4

LCD版本:
网址:http://radiokot.ru/lab/controller/10/

讨论:http://www.radiokot.ru/forum/viewtopic.php?t=2016

------------------------------------------------------
通过google翻了1个星期的俄国论坛,找到原理图和PCB图N多,原理图大部分是Splan格式的,PCB图大部分是SP-Layout50格式,我用蓝膜做板,不会用 SP-Layout50做负片打印。没办法只好准备自己画原理图,后来翻到一个俄国网友上传的DXP格式的原理图和PCB图,赶快down下来。用AD9打开,贴片原件很爽,不过是双面板自己不好做板。放弃他的PCB,用他的原理图自己画PCB,同时到淘宝上买原件。前后花去3周时间,主要是现在工作比较忙,业余时间很少,周末刚好没事,赶紧做板焊接,昨天奋斗到4点,终于成功。LED版的原理图是直接用单片机的IO口控制mos管加热的,我感觉这样做不是太安全,把这部分改成LCD版中用光耦+可控硅控制加热。这样既用上原来焊台控制板上的可控硅,有隔离了加热丝,防止加热丝干扰M8,也安全,不会因为MOS失控烧坏M8。
俄国网站上的固件很多,我翻完讨论的帖子,据俄国网友反映3.6版的的比较稳定。
936.jpg

936_2.jpg 936_3.jpg 936_6.jpg 936_4.jpg 936_5.jpg 936_7.jpg 936_8.jpg 7.jpg 3.jpg 上传我修改后原理图,和3.6版本的固件。原理图上MOS管控制和光耦+可控硅画上去了,热电偶放大部分兼容白光936和国产936,手上没有白光936没做测试,国产936测试可以使用,我的万用表没有温度测试功能,不知道温度准不准,感觉比原来控制版的温度要准。我的PCB有点问题,板做好后测试的发现LED的第1位和第3位颠倒了,检查发现原理图上的网络反了,导致PCB跟着布错,最后飞了2根线解决,3个记忆温度的按键开关布局有问题,123.变成321了,还有布板水平有限,PCB跳线太多,PCB就不上传了免得误导大家。
--------------------

LED版本,已验证国产936,白光936未验证
LED版本.rar (112.26 KB, 下载次数: 3863)
CA - common anode -共阳
CC - common cathode -共阴
上一段测试视频

-----------------------
LCD版本,没有验证,请自行测试

LCD版本.rar (206.42 KB, 下载次数: 2590)

---------------------------------
上传找到的源程序,不确定是最新版的。
LED_Source_CA.zip (3.45 KB, 下载次数: 2515)


LCD_payalnik_Sailanser.zip (10.01 KB, 下载次数: 1974)
=======================================
6月14更新控制Lukey852d+热风台电路和固件
没热风台,只有国产936,对热风台控制没怎么关注,可能有热风台的网友会比较感兴趣。
原网址是:http://radiokot.ru/forum/viewtopic.php?p=351877#351877
原理图包括938手柄控制和852热风台控制电路

852.GIF

Firmw.rar

8.21 KB, 下载次数: 2521, 下载积分: 一乐金币 -1

评分

参与人数 2一乐金币 +15 收起 理由
huchuan987 + 5 正需要
无锡风 + 10 支持一下LED显示的!

查看全部评分

发表于 2010-6-6 15:03 | 显示全部楼层
                      喜欢!!!
回复

使用道具 举报

发表于 2010-6-6 15:39 | 显示全部楼层
是控制白光吗?
回复

使用道具 举报

发表于 2010-6-6 15:57 | 显示全部楼层
请问,程序有源程序吗?谢谢!!!
回复

使用道具 举报

发表于 2010-6-6 16:49 | 显示全部楼层
又是M8的作品,怪不得M8价格猛涨。有空也来做一个。
回复

使用道具 举报

 楼主| 发表于 2010-6-6 17:30 | 显示全部楼层
本帖最后由 acbear 于 2010-6-6 17:37 编辑
请问,程序有源程序吗?谢谢!!!
g54188 发表于 2010-6-6 15:57 https://www.yleee.com.cn/images/common/back.gif


有,但是不是最新的就不知道了。
回复

使用道具 举报

发表于 2010-6-6 18:41 | 显示全部楼层
支持一下,出个套件呀
回复

使用道具 举报

发表于 2010-6-7 00:20 | 显示全部楼层
蛮好各取所需
回复

使用道具 举报

发表于 2010-6-7 17:44 | 显示全部楼层
回复 6# acbear

谢谢!朋友,我只是问下,我是菜鸟一个,有源程序好照着学习下.
回复

使用道具 举报

发表于 2010-6-7 18:58 | 显示全部楼层
应该再来个套件的,最好能控制双手柄的
回复

使用道具 举报

本版积分规则

QQ|一淘宝店|手机版|商店|一乐电子 ( 粤ICP备09076165号 ) 公安备案粤公网安备 44522102000183号

GMT+8, 2026-2-25 08:18 , Processed in 0.042192 second(s), 31 queries , Gzip On.

Powered by Discuz! X3.5

© 2001-2025 Discuz! Team.

快速回复 返回顶部 返回列表