一乐电子

 找回密码
 请使用微信账号登录和注册会员

QQ登录

只需一步,快速开始

微信扫码登录

手机号码,快捷登录

手机号码,快捷登录

搜索
查看: 27892|回复: 281

[其他DIY] 台锯完后,折腾千元内雕刻机,顺便求驱动

  [复制链接]
发表于 2015-1-20 22:54 | 显示全部楼层 |阅读模式
这次的台锯团购还行,但也有不圆满的地方,看到矿坛有个超低成本的雕刻机,也想折腾一下,无奈对电路基本小白,淘宝找一圈基本上都100多了

为了降低成本,有谁能帮忙做下驱动的,http://www.crystalradio.cn/thread-236767-1-1.html,洞洞板搭出的也行,自己腐蚀的也行,我会付相应的费用,或者开团成功的话给相应的优惠


如果能搞定驱动的话,整机会不到1000块,自己先整好台样机,然后成本低于1000的话,我会开团搞团购


有能做的回个帖子吧,大家都会感谢你的.


也欢迎大家针对雕刻机提出自己的意见


淘宝买的一些东西
123.jpg
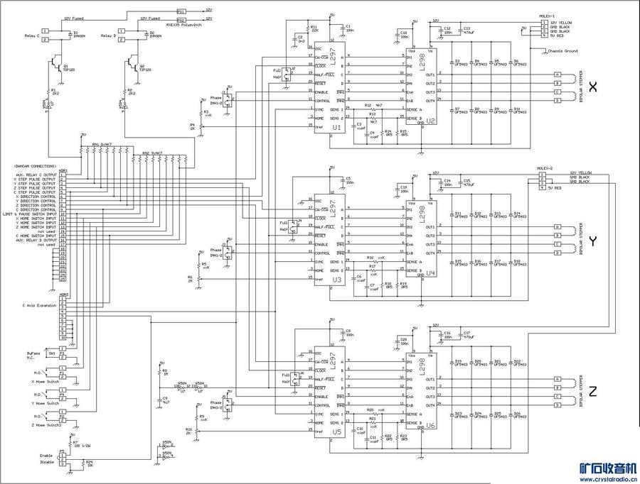
电路图

11122521064fceb99f3a4a8af3.jpg



 楼主| 发表于 2015-1-20 22:54 | 显示全部楼层
真的电路小白,有能搞的旺旺联系,或者回帖
回复

使用道具 举报

发表于 2015-1-20 22:57 | 显示全部楼层
期待中,真能开团的话,算我一个
回复

使用道具 举报

发表于 2015-1-20 23:06 | 显示全部楼层
嗯!不知道能雕刻什么材质的?能雕刻铝合金 纯铝也行,铜的更好。精度也要上去啊。。。
回复

使用道具 举报

发表于 2015-1-20 23:14 | 显示全部楼层
这个太强大了,成本一百元左右,主要是价格啊
回复

使用道具 举报

发表于 2015-1-20 23:33 | 显示全部楼层
性价比很高的一款雕刻机。能搞定,参团的人很多。我也可以学习一台。
回复

使用道具 举报

发表于 2015-1-20 23:49 | 显示全部楼层
搞定电路不成问题,可我们相距大远了,调试太麻烦了!
回复

使用道具 举报

发表于 2015-1-21 00:02 | 显示全部楼层
齿条···做木工雕刻机啊···

电路建议使用可以细分的芯片驱动,比如ta8435等,298在低速的时候会使得电机的声音受不了的。
回复

使用道具 举报

发表于 2015-1-21 00:41 | 显示全部楼层
USB的接口板,大海家158元,驱动板要三块,用6560的,每张大概在40元。再加三个57电机,这几样成本要三百多
当然了,以上两样的电路都是公开的,可以自己做,成本能节省一些,接口板换成并口的,能更省点钱。

我自己设计并3D仿真成功过一台雕刻机,然后自己用45钢做成功了。具体有什么QQ聊
回复

使用道具 举报

发表于 2015-1-21 00:46 | 显示全部楼层
还有,不要先急着买配件,先设计好,再3D仿真,设计成熟后再买配件,这样会减少不必须的开支
回复

使用道具 举报

本版积分规则

QQ|一淘宝店|手机版|商店|一乐电子 ( 粤ICP备09076165号 ) 公安备案粤公网安备 44522102000183号

GMT+8, 2026-4-22 07:13 , Processed in 0.036974 second(s), 30 queries , Gzip On.

Powered by Discuz! X3.5

© 2001-2025 Discuz! Team.

快速回复 返回顶部 返回列表