一乐电子

 找回密码
 请使用微信账号登录和注册会员

QQ登录

只需一步,快速开始

微信扫码登录

手机号码,快捷登录

手机号码,快捷登录

搜索
楼主: 3381638

[其他综合] 做一可调电源前级AC-DC

[复制链接]
 楼主| 发表于 2015-5-12 18:53 | 显示全部楼层
384065902 发表于 2015-5-12 16:22
确实是类似电子变压器,diy一般直接上ir2153就行了,变压器相当简单甚至可以拿磁环缠,效率能到92%左右吧.后 ...

以前考虑过用tl494或者3525做buck电路,但是考虑要用P-MOS或者自举N-MOS,就放弃了。

自举N-MOS,开关速度不好,调试也复杂,也可能是我水平不够。

回复

使用道具 举报

 楼主| 发表于 2015-5-12 19:01 | 显示全部楼层
今天抽空测试了一下前级AC-DC部分满载效率,后面DC-DC的没测。
tmpdir-2015_05-05_12-15_5_12_19_01_07.jpg

回复

使用道具 举报

发表于 2015-5-14 01:32 | 显示全部楼层
3381638 发表于 2015-5-12 19:01
今天抽空测试了一下前级AC-DC部分满载效率,后面DC-DC的没测。

效率挺高的~~ 这么大个正激还是宽可调,不错了
回复

使用道具 举报

发表于 2015-5-14 06:24 | 显示全部楼层
LZ有成品卖吗?来一套
回复

使用道具 举报

 楼主| 发表于 2015-5-14 18:35 | 显示全部楼层
sodohe 发表于 2015-5-14 06:24
LZ有成品卖吗?来一套

没打算,这个至少也要自己长时间验证一下啊。
回复

使用道具 举报

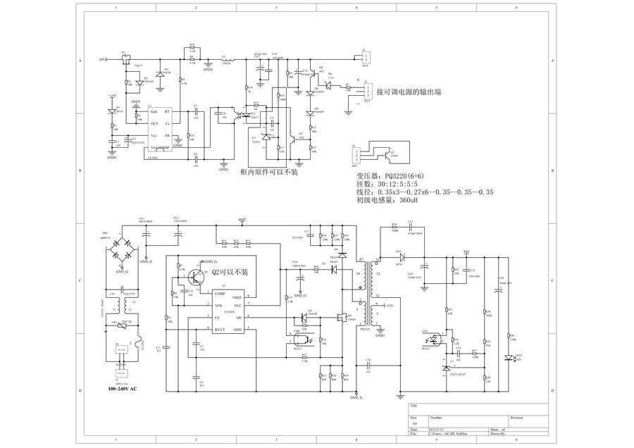
 楼主| 发表于 2015-5-15 19:21 | 显示全部楼层
虽然没多少人关注,但是,做事要有责任心,更新一下有错的地方,优化了一些参数。

1.jpg




AC-DC.pdf (106.52 KB, 下载次数: 48)



评分

参与人数 1一乐金币 +40 收起 理由
3AG1 + 40 赞一个!

查看全部评分

回复 1 0

使用道具 举报

发表于 2015-5-15 20:13 | 显示全部楼层
感谢LZ分享
回复

使用道具 举报

发表于 2015-8-27 22:51 | 显示全部楼层
弱弱的请教下,可调在啥地方啊
回复

使用道具 举报

 楼主| 发表于 2015-8-28 08:05 | 显示全部楼层
jiajia520abc 发表于 2015-8-27 22:51
弱弱的请教下,可调在啥地方啊

这个是电压跟随的,用在可调电源的前级,用与降低压差,减少损耗的。
可以参考一下,你可以看看论友的电压跟随器的用法。
回复

使用道具 举报

发表于 2015-8-28 08:51 | 显示全部楼层
下载学习了,多谢楼主分享
回复

使用道具 举报

本版积分规则

QQ|一淘宝店|手机版|商店|一乐电子 ( 粤ICP备09076165号 ) 公安备案粤公网安备 44522102000183号

GMT+8, 2025-11-25 06:51 , Processed in 0.037760 second(s), 32 queries , Gzip On.

Powered by Discuz! X3.5

© 2001-2025 Discuz! Team.

快速回复 返回顶部 返回列表