一乐电子

 找回密码
 请使用微信账号登录和注册会员

QQ登录

只需一步,快速开始

微信扫码登录

手机号码,快捷登录

手机号码,快捷登录

搜索
查看: 6119|回复: 15

[其他综合] 那位大哥有胜利万用表图集

[复制链接]
发表于 2015-8-4 08:07 | 显示全部楼层 |阅读模式
本帖最后由 yleee 于 2015-8-4 09:43 编辑

那位大哥有胜利万用表图集
发表于 2015-8-4 10:09 | 显示全部楼层
需要了解那一款?
回复

使用道具 举报

 楼主| 发表于 2015-8-4 13:52 | 显示全部楼层
yangguang 发表于 2015-8-4 10:09
需要了解那一款?

vc97的新款,老款2种
回复

使用道具 举报

发表于 2015-8-4 16:38 | 显示全部楼层
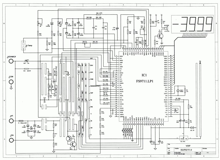
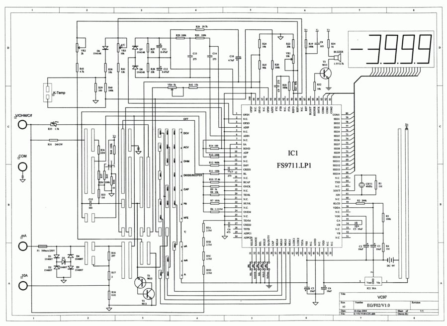
VC97主芯片FS9711.LP1原理图:

VC97主芯片FS9711

VC97主芯片FS9711


回复

使用道具 举报

 楼主| 发表于 2015-8-5 06:39 | 显示全部楼层
yangguang 发表于 2015-8-4 16:38
VC97主芯片FS9711.LP1原理图:

这个是老版的有没有新版的呀
回复

使用道具 举报

发表于 2015-8-5 08:18 | 显示全部楼层
本帖最后由 yangguang 于 2015-8-5 09:08 编辑

VC97主芯片FS9721.LP3原理图:

VC97-FS9721

VC97-FS9721
回复

使用道具 举报

 楼主| 发表于 2015-8-7 14:08 | 显示全部楼层
yangguang 发表于 2015-8-5 08:18
VC97主芯片FS9721.LP3原理图:

还是不对。我的vc97的万用表芯片是64脚的
1.jpg
2.jpg
3.jpg
4.jpg
5.jpg
6.jpg
回复

使用道具 举报

发表于 2015-8-7 15:35 | 显示全部楼层
官修 发表于 2015-8-7 14:08
还是不对。我的vc97的万用表芯片是64脚的

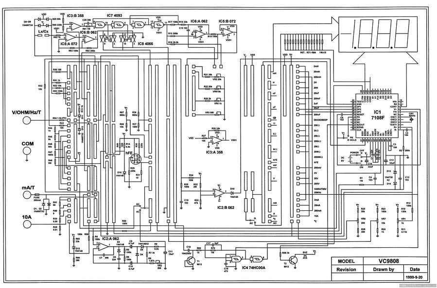
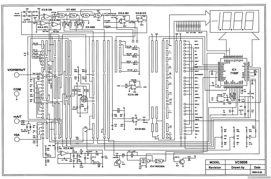
从你发的图片看,除了主芯片外,还有贴片集成电路。根据外围集成电路型号,对照一下VC9808电路图。

VC9808

VC9808



回复

使用道具 举报

 楼主| 发表于 2015-8-8 09:19 | 显示全部楼层
yangguang 发表于 2015-8-7 15:35
从你发的图片看,除了主芯片外,还有贴片集成电路。根据外围集成电路型号,对照一下VC9808电路图。

大哥能不能给个压缩的文件,这个看不清,谢谢了
回复

使用道具 举报

 楼主| 发表于 2015-8-8 09:24 | 显示全部楼层
yangguang 发表于 2015-8-7 15:35
从你发的图片看,除了主芯片外,还有贴片集成电路。根据外围集成电路型号,对照一下VC9808电路图。

好像还是不对,我这个万用表板子。上有一个存储器24c02,9808的没有
回复

使用道具 举报

本版积分规则

QQ|一淘宝店|手机版|商店|一乐电子 ( 粤ICP备09076165号 ) 公安备案粤公网安备 44522102000183号

GMT+8, 2025-11-24 04:20 , Processed in 0.035133 second(s), 30 queries , Gzip On.

Powered by Discuz! X3.5

© 2001-2025 Discuz! Team.

快速回复 返回顶部 返回列表