一乐电子

 找回密码
 请使用微信账号登录和注册会员

QQ登录

只需一步,快速开始

微信扫码登录

手机号码,快捷登录

手机号码,快捷登录

搜索
楼主: 官修

[其他综合] 那位大哥有胜利万用表图集

[复制链接]
发表于 2015-8-8 11:02 | 显示全部楼层
官修 发表于 2015-8-8 09:19
大哥能不能给个压缩的文件,这个看不清,谢谢了

直接点击图片,可以放大的,够清晰的了。
回复

使用道具 举报

发表于 2015-8-8 11:13 | 显示全部楼层
求VC890C+ 新版图 谢谢啊
回复

使用道具 举报

 楼主| 发表于 2015-8-8 14:44 | 显示全部楼层
我这个VC97 万用表的板子上有存储器24c02
153451xrdzz1l85rxh42is.gif.thumb (1).jpg
140842ut2at842z2oa20tf.jpg
回复

使用道具 举报

发表于 2015-8-21 15:27 | 显示全部楼层
chuchun 发表于 2015-8-8 11:13
求VC890C+ 新版图 谢谢啊

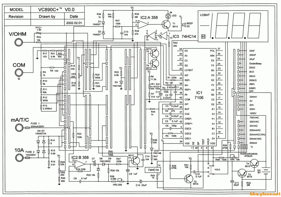
VC890C+数字万用表原理图:

VC890C+

VC890C+


回复 3 0

使用道具 举报

发表于 2015-8-24 09:33 | 显示全部楼层
yangguang 发表于 2015-8-21 15:27
VC890C+数字万用表原理图:

谢谢老师!!!
回复

使用道具 举报

发表于 2022-9-16 09:21 | 显示全部楼层
这个都有,老师神人,佩服
回复

使用道具 举报

本版积分规则

QQ|一淘宝店|手机版|商店|一乐电子 ( 粤ICP备09076165号 ) 公安备案粤公网安备 44522102000183号

GMT+8, 2025-11-24 04:20 , Processed in 0.031508 second(s), 24 queries , Gzip On.

Powered by Discuz! X3.5

© 2001-2025 Discuz! Team.

快速回复 返回顶部 返回列表