一乐电子

 找回密码
 请使用微信账号登录和注册会员

QQ登录

只需一步,快速开始

微信扫码登录

手机号码,快捷登录

手机号码,快捷登录

搜索
查看: 10273|回复: 26

[DIY套件散件出售] 又一颗大白菜 RAV4车机25363版Vfd2usb 9.9元

[复制链接]
发表于 2015-11-5 18:00 | 显示全部楼层 |阅读模式
本帖最后由 luckroll 于 2015-11-5 18:09 编辑

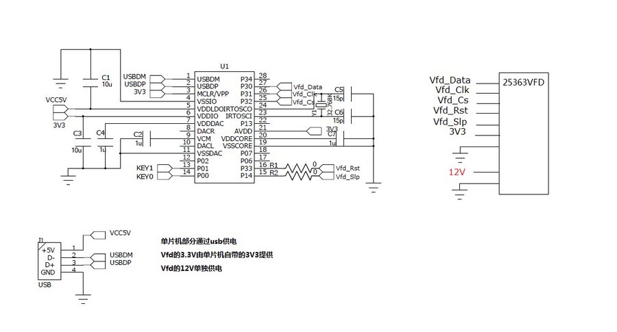
继续造福坛友 大白菜RAV4车机25363 VFD屏幕版Lcd2Usb套件来了 还是只要9.9元
25363Vfd屏Lcd2Usb套料淘宝链接
9.9元不含25363 Vfd屏
效果图 原理图 板子等
QQ图片20151104210658.jpg
Vfd2USB.jpg
接线图.JPG
QQ图片20151105163100.jpg
QQ图片20151105163107.jpg
QQ图片20151105163042.jpg

评分

参与人数 1一乐金币 +10 收起 理由
pioneersony + 10 很给力!

查看全部评分

发表于 2015-11-5 20:34 | 显示全部楼层
好漂亮啊,能有个成品就好了
回复

使用道具 举报

发表于 2015-11-5 21:13 | 显示全部楼层
VFD屏哪里有买呢?
回复

使用道具 举报

发表于 2015-11-5 22:10 | 显示全部楼层
带USB的单片机
回复

使用道具 举报

发表于 2015-11-6 08:54 | 显示全部楼层
还得单独给VFD供12v电有点不方便啊,
回复

使用道具 举报

发表于 2015-11-6 09:05 | 显示全部楼层
好漂亮的 VFD   没有这个屏幕耶   
回复

使用道具 举报

 楼主| 发表于 2015-11-6 09:12 | 显示全部楼层
slqin2418 发表于 2015-11-6 08:54
还得单独给VFD供12v电有点不方便啊,

2根线而已呀 你这个大懒虫

回复

使用道具 举报

发表于 2015-11-6 13:42 | 显示全部楼层
怎么不弄glcd2usb呢。。。。不过好像这个也算了吧。。。
回复

使用道具 举报

 楼主| 发表于 2015-11-6 14:03 | 显示全部楼层
jckimi 发表于 2015-11-6 13:42
怎么不弄glcd2usb呢。。。。不过好像这个也算了吧。。。

有看了一下Glcd2usb  没有适合25363这个VFD屏现成的驱动 有哪位愿意帮忙改一个驱动出来就可以做这个25363的glcd2usb(楼主上位机不熟)


回复

使用道具 举报

发表于 2015-11-6 15:08 | 显示全部楼层
luckroll 发表于 2015-11-6 14:03
有看了一下Glcd2usb  没有适合25363这个VFD屏现成的驱动 有哪位愿意帮忙改一个驱动出来就可以做这个25363 ...

lcd4linux的话,应该比较好改
回复

使用道具 举报

本版积分规则

QQ|一淘宝店|手机版|商店|一乐电子 ( 粤ICP备09076165号 ) 公安备案粤公网安备 44522102000183号

GMT+8, 2025-11-23 22:54 , Processed in 0.036412 second(s), 31 queries , Gzip On.

Powered by Discuz! X3.5

© 2001-2025 Discuz! Team.

快速回复 返回顶部 返回列表