一乐电子

 找回密码
 请使用微信账号登录和注册会员

QQ登录

只需一步,快速开始

微信扫码登录

手机号码,快捷登录

手机号码,快捷登录

搜索
楼主: hicool

[其他综合] 真心求助:谁能帮我点亮这块VFD的屏(有奖)

[复制链接]
发表于 2010-11-26 20:19 | 显示全部楼层
恩?51的io直接接vfd. 还要其它东西么?
回复

使用道具 举报

 楼主| 发表于 2010-11-26 22:12 | 显示全部楼层
恩?51的io直接接vfd. 还要其它东西么?
litchiate 发表于 2010-11-26 20:19 https://www.yleee.com.cn/images/common/back.gif


您给的链接里面就是这么接的,恕我比较菜
http://www.docin.com/p-70354998.html
回复

使用道具 举报

发表于 2010-11-26 22:34 | 显示全部楼层
本帖最后由 狗狗百里游 于 2010-11-26 22:39 编辑

哪里有卖?求链接。
如果你的vfd跟日本那个例子里面的一样,需要额外做个70v的升压电路的哦
回复

使用道具 举报

 楼主| 发表于 2010-11-26 22:46 | 显示全部楼层
哪里有卖?求链接。
如果你的vfd跟日本那个例子里面的一样,需要额外做个70v的升压电路的哦
狗狗百里游 发表于 2010-11-26 22:34 https://www.yleee.com.cn/images/common/back.gif


可以已下架,你可以旺旺一下店主,看能不能在让你一块

此模块为拆机件,另有一块板提供70V阳极电压,卖家成套卖的。

http://item.taobao.com/item.htm?id=7655686926
回复

使用道具 举报

发表于 2010-11-26 22:52 | 显示全部楼层
接成那样子估计是要用51的move什么指令吧,我没用过。
我写的是直接io模拟时序的。


之前搜资料的时候看到过淘宝链接。
回复

使用道具 举报

 楼主| 发表于 2010-11-26 23:04 | 显示全部楼层
本帖最后由 hicool 于 2010-11-26 23:11 编辑

小日本的AVR 汇编代码:
; GP1059A01 VFD control functions


vfd_init:
        ldi        CL, 40                ;500ms
        ldiw        A, 50000        ;
        subiw        A, 1                ;
        brne        PC-2                ;
        dec        CL                ;
        brne        PC-6                ;/

        ldiw        B, 0                ;Display start address
         rcall        set_disp        ;/

        ldi        AL, 6                ;Intensity = 15
         rcall        wr_cmd                ;
        stsi        Intensity, 15        ;
        ldi        AL, 15                ;
         rcall        wr_data                ;/

        ldiw        B, 0                ;Clear VRAM
         rcall        set_addr        ;
        ldiw        X, 8*240        ;
        ldi        AL, 0                ;
         rcall        wr_data                ;
        sbiw        XL, 1                ;
        brne        PC-3                ;/

        ret


set_disp:
        ldi        AL, 7                ;address low
         rcall        wr_cmd                ;
        mov        AL, BL                ;
         rcall        wr_data                ;/
        ldi        AL, 8                ;address high
         rcall        wr_cmd                ;
        mov        AL, BH                ;
         rcall        wr_data                ;/
        ret


set_addr:
        ldi        AL, 4                ;address low
         rcall        wr_cmd                ;
        mov        AL, BL                ;
         rcall        wr_data                ;/
        ldi        AL, 5                ;address high
         rcall        wr_cmd                ;
        mov        AL, BH                ;
         rcall        wr_data                ;/
        ldi        AL, 2                ;data mode
         rcall        wr_cmd                ;/
        ret


wr_cmd:        sbi        PORTD, CD        ;CD=H
        rjmp        PC+2
wr_data:cbi        PORTD, CD        ;CD=L
        out        PORTC, AL        ;DATA=data
        cbi        PORTD, CS        ;CS=L
        cbi        PORTD, WR        ;WR=L
        rjmp        PC+1
        sbi        PORTD, WR        ;WR=H
        sbi        PORTD, CS        ;CS=H
        rjmp        PC+1
        rjmp        PC+1
        rjmp        PC+1
        rjmp        PC+1
        ret



这段比较关键,我看的二懂二懂的,就是不知道如何转换为C51代码

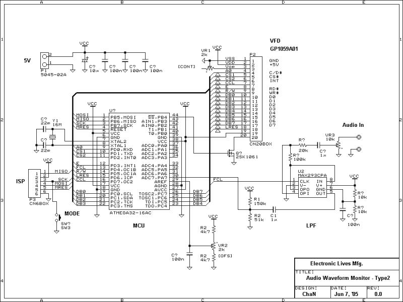
原理图

原理图
回复

使用道具 举报

发表于 2010-12-1 01:26 | 显示全部楼层
记号!
回复

使用道具 举报

 楼主| 发表于 2010-12-1 09:14 | 显示全部楼层
本帖最后由 hicool 于 2010-12-1 09:42 编辑

按照litchiate思路,参考小日本的AVR汇编,终于把它给点亮了,但是这玩意的点阵很不好控制,我现在连最简单的5×8字模显示都很困难, 如下图


另外rw地址好像也不是连续的,反复做了数十次试验确认地址情况如下
其中第31~35行所占地址数据为高位有效,低位超出了显示范围,详见附件。
未命名.JPG

点阵分布.xls

43 KB, 下载次数: 536, 下载积分: 一乐金币 -1

回复

使用道具 举报

本版积分规则

QQ|一淘宝店|手机版|商店|一乐电子 ( 粤ICP备09076165号 ) 公安备案粤公网安备 44522102000183号

GMT+8, 2026-3-21 19:09 , Processed in 0.037962 second(s), 26 queries , Gzip On.

Powered by Discuz! X3.5

© 2001-2025 Discuz! Team.

快速回复 返回顶部 返回列表