一乐电子

 找回密码
 请使用微信账号登录和注册会员

QQ登录

只需一步,快速开始

微信扫码登录

手机号码,快捷登录

手机号码,快捷登录

搜索
查看: 20465|回复: 37

秀一下M8电子负载

[复制链接]
发表于 2008-11-22 19:43 | 显示全部楼层 |阅读模式
谢谢C.PC的充电器外壳,一般小功率应用足够
PICT0021.jpg
PICT0025.jpg
发表于 2008-11-22 21:28 | 显示全部楼层

很漂亮

这个,是不是 c.pc 的套件?

        我的PIC芯片挂了,这几天可能会来鼓捣 M8电子负载。

        我已经“习惯于”有电路图才能“工作”了——您能否在这里,上传“相关的”电路图?

        谢谢!
回复

使用道具 举报

发表于 2008-11-22 22:21 | 显示全部楼层
原帖由 aaaxy 于 2008-11-22 19:43 发表 https://www.yleee.com.cn/BBS/images/common/back.gif
谢谢C.PC的充电器外壳,一般小功率应用足够

这种电源的外壳也能这样用,亏您想得出啊!我这边这种外壳很多,呵呵!
回复

使用道具 举报

发表于 2008-11-22 22:49 | 显示全部楼层
原帖由 yleee 于 2008-11-22 22:21 发表 https://www.yleee.com.cn/BBS/images/common/back.gif
这种电源的外壳也能这样用,亏您想得出啊!我这边这种外壳很多,呵呵!


关键是:价格怎么样?!

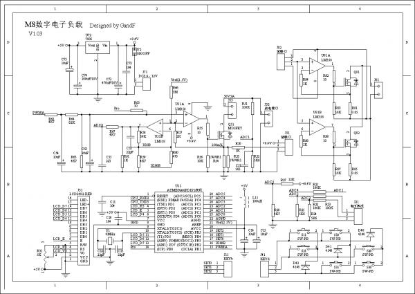
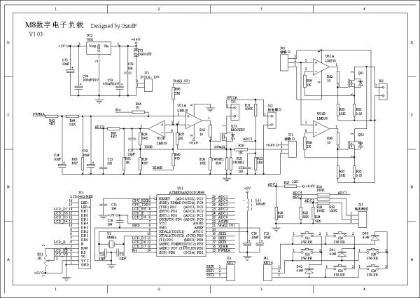
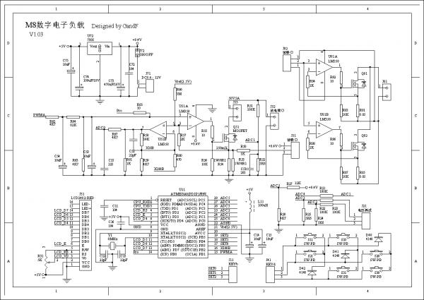
楼主看看:这张 V1.03版电路图,是不是和 c.pc版的PCB“一致”的版本?

    M8 数字负载电路图 V1.03.png

        麻烦 确认一下。谢谢!
回复

使用道具 举报

 楼主| 发表于 2008-11-23 13:53 | 显示全部楼层
回老冯:
这个就是C.PC的套件。
上面电路图不能确认是不是和PCB完全一致(呵呵,懒了没全部比对),我大多是按照PCB板上标的安装,按照gandf的提示,供电电源12V时将R28改成了2.4k,另R31不安装,没有安装扩展板,板上的接口部分都是比照PCB上的元件安装的,C.PC的套件可能会有1,2个阻容元件不对,板上还有温控风扇电路是图中没有的,要实际安装。
回复

使用道具 举报

 楼主| 发表于 2008-11-23 14:34 | 显示全部楼层
原帖由 yleee 于 2008-11-22 22:21 发表 https://www.yleee.com.cn/BBS/images/common/back.gif

这种电源的外壳也能这样用,亏您想得出啊!我这边这种外壳很多,呵呵!

要不是C.PC寄来这种壳,就用大的了,觉的这样还不错,我把所谓的“分功电阻”引出在外(2个红色接线柱),平时小功率短接2接线柱,功率大时在2红色接线柱处接入大功率电阻,已经测试过几百瓦。

这是我的功率电阻

这是我的功率电阻
回复

使用道具 举报

发表于 2008-11-23 14:40 | 显示全部楼层
原帖由 aaaxy 于 2008-11-23 13:53 发表 https://www.yleee.com.cn/BBS/images/common/back.gif
回老冯:
这个就是C.PC的套件。
上面电路图不能确认是不是和PCB完全一致(呵呵,懒了没全部比对),我大多是按照PCB板上标的安装,按照gandf的提示,供电电源12V时将R28改成了2.4k,另R31不安装,没有安装扩展板, ...


谢谢 答复!
回复

使用道具 举报

发表于 2008-11-23 14:47 | 显示全部楼层
原帖由 aaaxy 于 2008-11-23 14:34 发表 https://www.yleee.com.cn/BBS/images/common/back.gif

要不是C.PC寄来这种壳,就用大的了,觉的这样还不错,我把所谓的“分功电阻”引出在外(2个红色接线柱),平时小功率短接2接线柱,功率大时在2红色接线柱处接入大功率电阻,已经测试过几百瓦。


      “把所谓的“分功电阻”引出在外”——这个方式好,我们自己设计的(模拟电路的)亦是类似的考虑;
       只是,我们使用了1ΩW的功率电阻、串并联——主要是有引出线,可以焊接,接触比较可靠。
       您的这个功率电阻,好像不错!是DIY的吗?引出线的接触电阻,会不会“每次变化”?
回复

使用道具 举报

 楼主| 发表于 2008-11-23 15:09 | 显示全部楼层
这个电阻是接在“M8数字电子负载电路图”中的J53位置,电阻的变化不影响电子负载的精度。
呵呵,这个电阻不是我DIY的,材料应该是康铜,我有好几种电流不同规格的。
回复

使用道具 举报

发表于 2008-11-23 15:22 | 显示全部楼层
“电阻是接在“M8数字电子负载电路图”中的J53位置,电阻的变化不影响电子负载的精度”,
电阻的缓慢变化,的确不会影响电子负载的精度;
只是,如果大电流时接触不良、可能的“打火”,有可能产生过电压脉冲?我们是使用于测试集成电路,相对比较“娇气”。

如果是康铜材料的,那才是好东西——稳定而且可焊!
回复

使用道具 举报

本版积分规则

QQ|一淘宝店|手机版|商店|一乐电子 ( 粤ICP备09076165号 ) 公安备案粤公网安备 44522102000183号

GMT+8, 2025-10-16 04:30 , Processed in 0.036974 second(s), 29 queries , Gzip On.

Powered by Discuz! X3.5

© 2001-2025 Discuz! Team.

快速回复 返回顶部 返回列表