一乐电子

 找回密码
 请使用微信账号登录和注册会员

QQ登录

只需一步,快速开始

微信扫码登录

手机号码,快捷登录

手机号码,快捷登录

搜索
楼主: zyh555

新版晶体管测试器AVR-Transistortester

 火... [复制链接]
发表于 2013-9-4 23:03 | 显示全部楼层
zhqsoft 发表于 2013-9-4 22:06
你再5v上去并一个3v的稳压管当然会吧电压拉到3v的啦。。。功率全损耗再稳压上面去了。。。加至少也 ...

刚才试了下把 稳压管电路和板分开了长按按钮也会显示电压。
QQ截图20130904230232.jpg

回复

使用道具 举报

发表于 2013-9-5 00:10 来自手机 | 显示全部楼层
xiaowendiy 发表于 2013-9-4 23:03
刚才试了下把 稳压管电路和板分开了长按按钮也会显示电压。

这个是你加的高压的电压。测试的电压本来就是要与系统隔离的。
回复

使用道具 举报

发表于 2013-9-5 00:34 | 显示全部楼层
zhqsoft 发表于 2013-9-5 00:10
这个是你加的高压的电压。测试的电压本来就是要与系统隔离的。

这个是没有加稳压电路和高压时按按钮显示的,等周未有时间焊个隔离测试电源再看看。
回复

使用道具 举报

发表于 2013-9-5 01:52 | 显示全部楼层
本帖最后由 xiaowendiy 于 2013-9-5 01:55 编辑
zhqsoft 发表于 2013-9-5 00:10
这个是你加的高压的电压。测试的电压本来就是要与系统隔离的。

搞了个隔离电源现在测试OK,PDF文件英文看不懂,请问如何校准测试仪。有无有翻译好的PDF,用翻译软件翻译出来不三不四。。。。。。。。
回复

使用道具 举报

发表于 2013-9-5 10:03 | 显示全部楼层
xiaowendiy 发表于 2013-9-5 01:52
搞了个隔离电源现在测试OK,PDF文件英文看不懂,请问如何校准测试仪。有无有翻译好的PDF,用翻译软件翻译 ...

3个接口短路。按测试键有显示后 去除短路,。。等。。。。。会提示在1&3pin上接一个大于100nf的电容。照加就可以了。
回复

使用道具 举报

发表于 2013-9-5 19:53 | 显示全部楼层
wumaoxu 发表于 2013-9-4 08:57
这个词是我硬翻的,原文如下:
# Operation with 8MHz crystal and /1 divider , full swing crystal
...

这两种怎么区别?
市面上卖的那种两脚的算啥?.........
回复

使用道具 举报

发表于 2013-9-5 23:43 | 显示全部楼层
adsl_95 发表于 2013-9-5 19:53
这两种怎么区别?
市面上卖的那种两脚的算啥?.........

Full Swing Crystal Oscillator
Pins XTAL1 and XTAL2 are input and output, respectively, of an inverting amplifier which can be configured for use
as an On-chip Oscillator, as shown in Figure 9-2 on page 28. Either a quartz crystal or a ceramic resonator may be
used.
This Crystal Oscillator is a full swing oscillator, with rail-to-rail swing on the XTAL2 output. This is useful for driving
other clock inputs and in noisy environments. The current consumption is higher than the ”Low Power Crystal
Oscillator” on page 28. Note that the Full Swing Crystal Oscillator will only operate for VCC = 2.7 - 5.5 volts.

Low Power Crystal Oscillator
Pins XTAL1 and XTAL2 are input and output, respectively, of an inverting amplifier which can be configured for use
as an On-chip Oscillator, as shown in Figure 9-2 on page 28. Either a quartz crystal or a ceramic resonator may be
used.
This Crystal Oscillator is a low power oscillator, with reduced voltage swing on the XTAL2 output. It gives the lowest
power consumption, but is not capable of driving other clock inputs, and may be more susceptible to noise in
noisy environments.

上文摘自Atmel-8271-8-bit-AVR-Microcontroller-ATmega48A-48PA-88A-88PA-168A-168PA-328-328P_datasheet.pdf P28-P29,
简而言之:
     全幅晶振可以使用石英或陶瓷振子,XTAL2输出是轨到轨的,这对驱动其它时钟输入端和在噪声大的环境中是有用的。这种
状态下消耗的电流要高于低功耗晶振。注意全幅晶振只能工作于2.7V-5.5V电源下。
      低功耗晶振是减少了XTAL2输出的电压摆幅,这减少了电源的消耗,但是不适于驱动其它时钟输入端,在噪声大的环境中易受影响。

实际上这两种方式主要是设置MCU内部的振荡电路,对晶振来说没有区别,主要是看是否需要输出时钟信号、降低电流消耗和环境噪声大小的影响。

回复

使用道具 举报

发表于 2013-9-17 14:11 | 显示全部楼层
203楼的 请问怎么做校准 我的测量电容精度还可以 但是esr误差很大 47uf以上总是.00 2。2uf显示2.x欧姆 不知道需要怎么校对 用的m328
回复

使用道具 举报

发表于 2013-10-1 09:30 | 显示全部楼层
本帖最后由 zydl123 于 2013-10-1 09:32 编辑
wumaoxu 发表于 2013-8-30 19:47
按照要求编译了一下,试一下行吧。


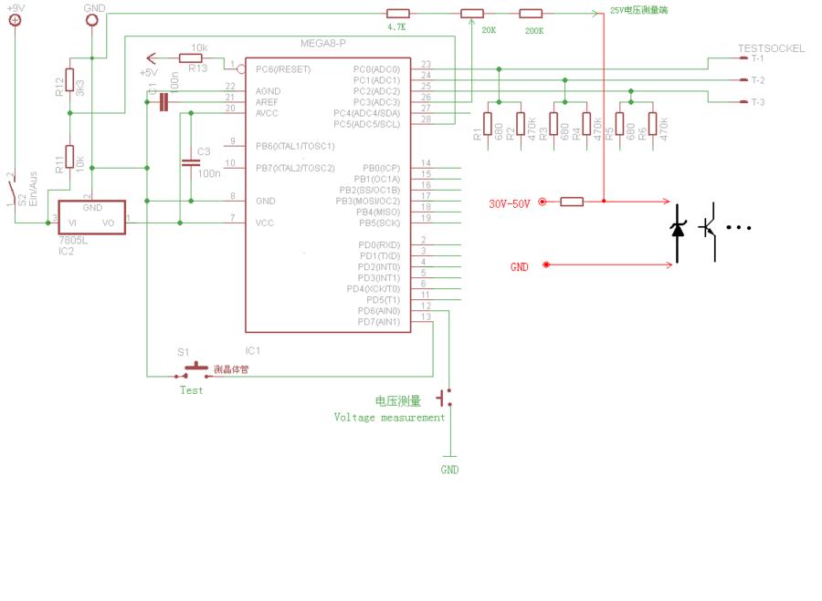
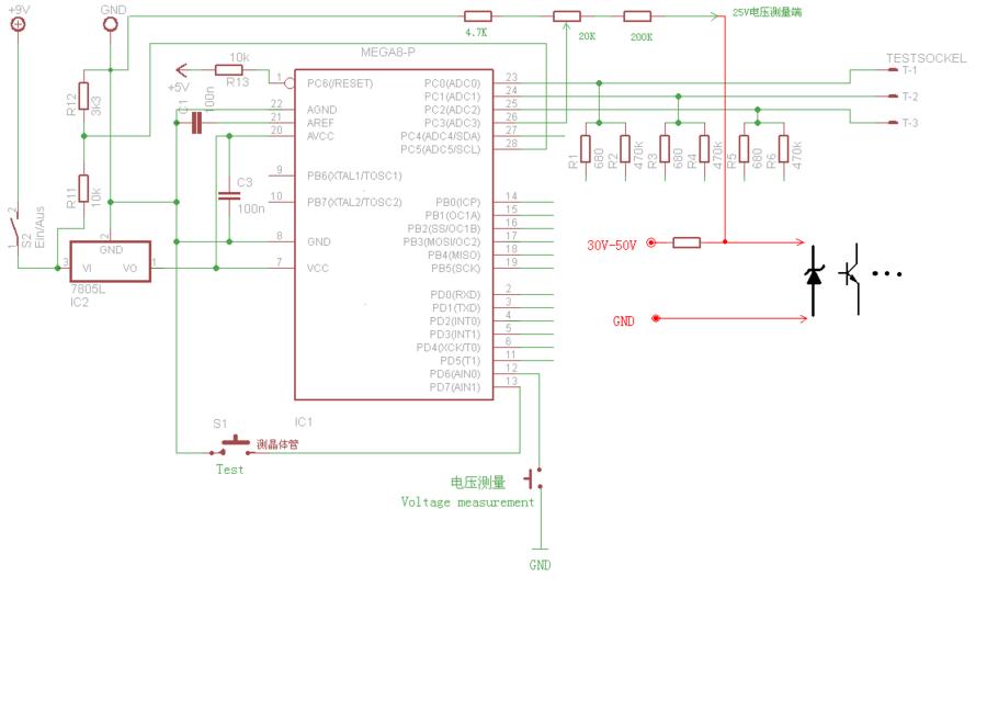
真心谢谢你的编译!我按你的教程没弄出,放在一边再没去理会了。这里说明一下,我向原作者提出来是用PC3测电压,由于言语不通,于是图片加解释,变成了今天测稳压二极管的电路,实际上以测电压为主(可扩展为5V,50V,500V),增加有电流检测,并可测试元件好坏,可测稳压二极管,发光二极管串,光耦等,这部分电路我这里有。这个小仪器的另一亮点就是能测L,C,R,并能测ESR,对于搞维修的很实用。
回复

使用道具 举报

发表于 2013-10-3 06:24 | 显示全部楼层
找到了当时的楼层,下面给出部分图,没想到这东西很火的,找了老半天
2.PNG
1.PNG
bbb.png
回复

使用道具 举报

本版积分规则

QQ|一淘宝店|手机版|商店|一乐电子 ( 粤ICP备09076165号 ) 公安备案粤公网安备 44522102000183号

GMT+8, 2026-4-21 16:10 , Processed in 0.036640 second(s), 28 queries , Gzip On.

Powered by Discuz! X3.5

© 2001-2025 Discuz! Team.

快速回复 返回顶部 返回列表