一乐电子

 找回密码
 请使用微信账号登录和注册会员

QQ登录

只需一步,快速开始

微信扫码登录

手机号码,快捷登录

手机号码,快捷登录

搜索
楼主: GandF

[avr] M8单片机恒流型数字电子负载

 火.. [复制链接]
发表于 2014-12-25 17:33 | 显示全部楼层
Hi, my name is Andrew.
Bought a load of electronical M6 M8. But accidentally brought it down, very similar to the failure of the processor.
The processor can set a new one, but I do not have the firmware for it.
Help please.

I have a board with 2004 display and encoder
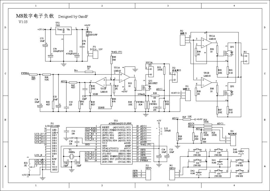
Designed by Gandf 2013-1-1
By Drageng/Yleee
M8 V6

GandF, how can I contact you?
回复

使用道具 举报

发表于 2014-12-25 18:07 | 显示全部楼层
本帖最后由 honggun 于 2014-12-25 18:37 编辑

原来俄国来的朋友发不了短消息,看来只能楼主来解答了。
回复

使用道具 举报

发表于 2014-12-25 18:13 | 显示全部楼层
本帖最后由 kirich 于 2014-12-25 18:16 编辑

I am very hard to understand Chinese.
I was trying to figure out how to write to the author.
I know the Russian language and little English.
That's why I wrote here, sorry.
An opportunity author can give your email or Skype.

I tried to write to the author. But it is impossible
抱歉,您目前还不能使用发送短消息功能
回复

使用道具 举报

发表于 2014-12-25 18:37 | 显示全部楼层
本帖最后由 kirich 于 2014-12-25 19:15 编辑

honggun
Sorry that I write here, I can send you a private message.
Thank you, but I have a board version 6, does it fit the program from version 7?
And display 2004

My board
And now displays :(



PICT0026.jpg
PICT0020.jpg
PICT0019.jpg
回复

使用道具 举报

发表于 2014-12-25 20:12 | 显示全部楼层
kirich 发表于 2014-12-25 18:37
honggun
Sorry that I write here, I can send you a private message.
Thank you, but I have a board v ...

You can download the attachment file.

M8电子负载V6.11 L2004.rar

46.56 KB, 下载次数: 99, 下载积分: 一乐金币 -1

回复

使用道具 举报

发表于 2014-12-25 22:12 | 显示全部楼层
Very very big thank you.
I will try later today, bought a new processor.
After that, I plan to increase the maximum current of 5 Amps to 15 Amps.
May suggest a link, how to do it correctly?
This device is planned to review at the biggest online shopping (in Russian).
An example of my review, if you're interested - http://mysku.ru/blog/aliexpress/24986.html
and further - http://mysku.ru/blog/china-stores/27072.html
回复

使用道具 举报

发表于 2014-12-25 22:18 | 显示全部楼层
Very very big thank you.

I will try later today, bought a new processor.
After that, I plan to increase the maximum current of 5 Amps to 15 Amps.
May suggest a link, how to do it correctly?
This device is planned to review at the biggest online shopping (in Russian).
Examples of my reviews, if you're interested - (how to make a link to my blog?)
回复

使用道具 举报

发表于 2014-12-25 22:47 | 显示全部楼层
本帖最后由 kirich 于 2014-12-25 23:00 编辑

I have a suggestion to the author.
I will write a review on this product on the website, which publishes links to products online stores in China.
If the author had made a version of computer programs in English (and possibly in Russian, I would have helped), then it would add buyers from Russia, Ukraine, Belarus, Kazakhstan.

Author interested this?
As in the review will be fully applying of the device as well as a more powerful version of its improvements.
I am an engineer electronics.
回复

使用道具 举报

发表于 2014-12-26 17:16 | 显示全部楼层
Tried to write firmware without having to replace the processor.
All perfectly worked.
Why has deteriorated previous firmware is unclear.
Now plans to make more power, but also would like to replace the shunt resistors for current sensor ACS712
Has anyone done this?
回复

使用道具 举报

发表于 2014-12-27 07:30 | 显示全部楼层
本帖最后由 kirich 于 2014-12-27 07:36 编辑
kazuyuki 发表于 2014-12-25 20:12
You can download the attachment file.

Excuse me, can I have a current firmware 15A ± 15mA and (or) 30A ± 30mA?
I would like to make the device more powerful with multiple FETs and operational amplifiers.

The now firmware  -
0-5 Amps
0-0.25 volts
5-15 Amps
0.25-0.25 V
:(

right after
0-15 Amps
0-0.25 V or
0-30 Ampere
0-0.25  V PWM?
I will use this circuit current gain -
20081202_75c1886440c59c55c070y8zbauhgQvje.png
回复

使用道具 举报

本版积分规则

QQ|一淘宝店|手机版|商店|一乐电子 ( 粤ICP备09076165号 ) 公安备案粤公网安备 44522102000183号

GMT+8, 2025-10-16 04:32 , Processed in 0.042310 second(s), 28 queries , Gzip On.

Powered by Discuz! X3.5

© 2001-2025 Discuz! Team.

快速回复 返回顶部 返回列表