一乐电子

 找回密码
 请使用微信账号登录和注册会员

QQ登录

只需一步,快速开始

微信扫码登录

手机号码,快捷登录

手机号码,快捷登录

搜索
查看: 178352|回复: 594

[avr] M8数字电源

 火... [复制链接]
发表于 2008-12-2 12:26 | 显示全部楼层 |阅读模式
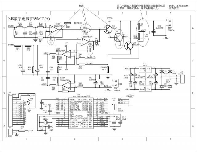
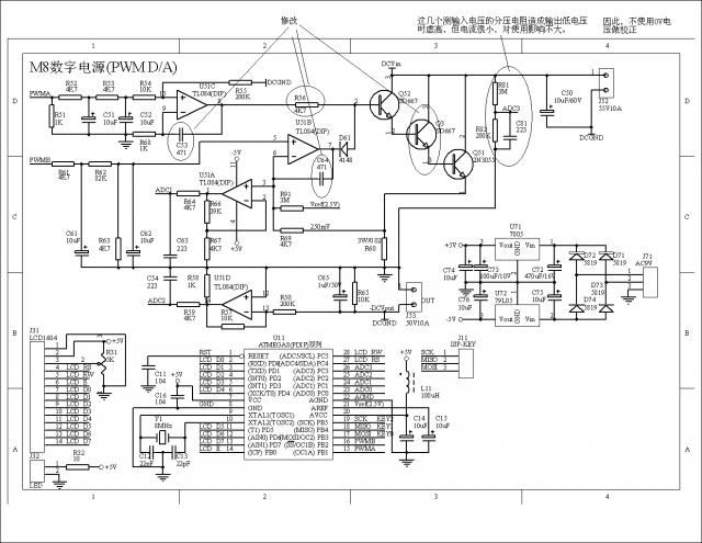
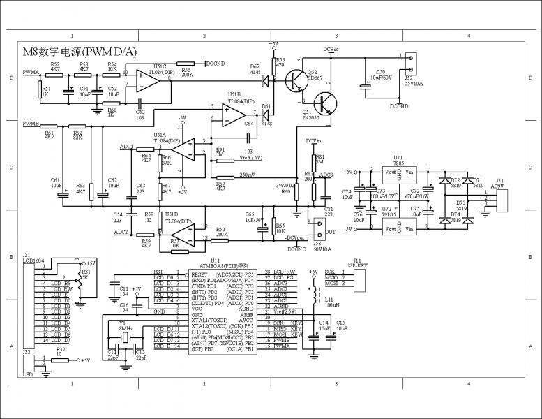
M8数字电源(50V10A)

1、恒压恒流输出
2、这个电路还有一个功能,就是在输入电压的正端和输出电压的正端之间可以当作恒流负载用
显示使用LCD1604,也可以用LCD1602、LCD2402,只是显示信息相应减少。留有的接口以后也接LCD12864


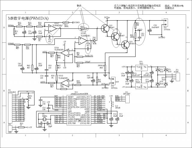
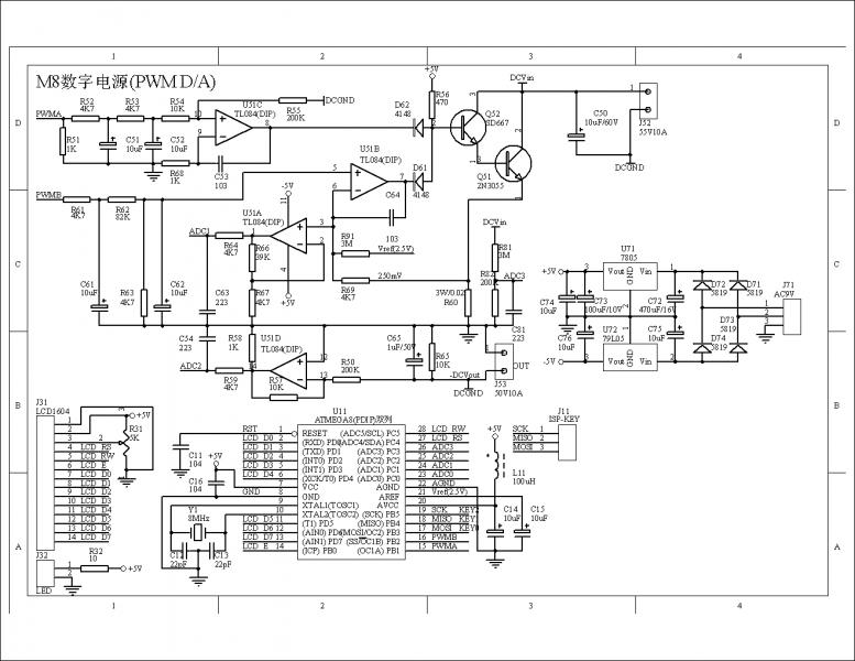
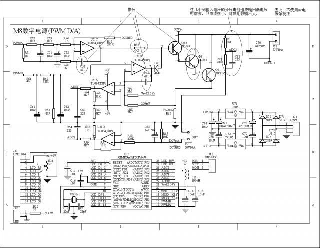
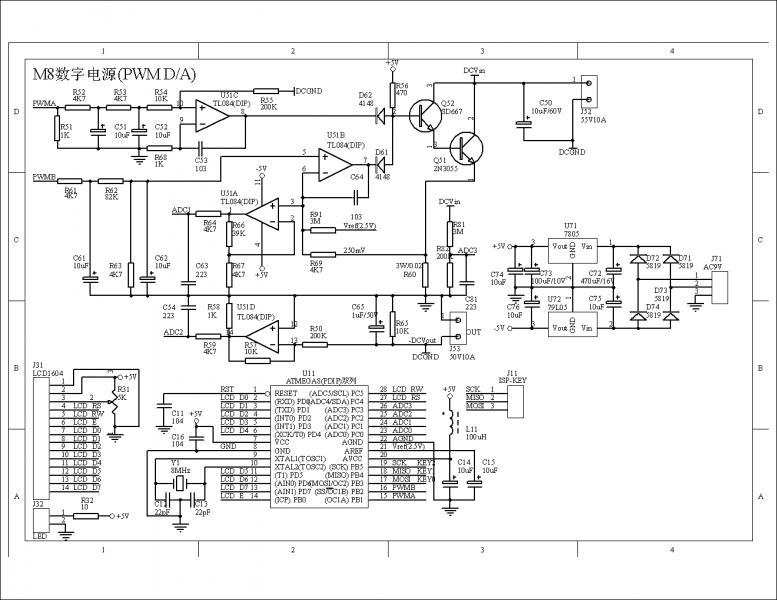
电路图 M8数字电源(PWM D_A)SCH.JPG
M8数字电源(PWM D_A)PCB.JPG


校正说明
原理:使用差比法
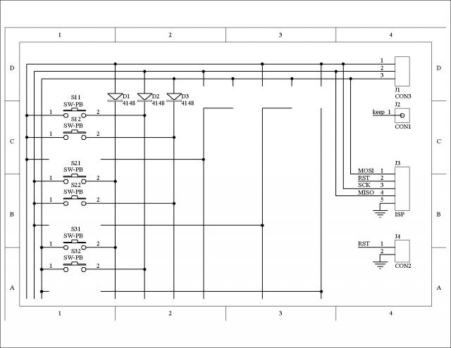
S11,S12,S21,S22分别为UP,DOWM ,步进,电压/电流 设定切换
1、按住S32键启动电源,进入校正模式;
(电压校正)
11、显示"VOmin= 1.00V";按S11,S12,S21,调节将要输出的最小电压;按S31键确认;
12、显示"PWMmin= 0.000";按S11,S12,S21,调节输出的最小电压,用万用表测输出电压;按S31键确认;

13、显示"VOmax= 8.00V";按S11,S12,S21,调节将要输出的最大电压;按S31键确认;
14、显示"PWMmax= 0.000";按S11,S12,S21,调节输出的最大电压,用万用表测输出电压;按S31键确认;
(内部运算出参数值,显示)
(电流校正)
21、与电压校正相似;

(输入电压校正)
(内部运算出参数值,显示)
31、显示"Vimin=15.00V";用万用表测输出电压;按S11,S12,S21,调节输入电压;按S31键确认;

(内部运算出参数值,显示)
按S31键确认;参数写入FLASH  ROM区(不是EEPROM,这样会稳定很多);退出校正;


显示格式
设定电压      设定电流
输出电压      输出电流
输出功率      输入电压
负载电阻      输入功率
电压显示.jpg


2402.jpg
测试程序

M8数控电源V4.018
M8数控电源V4.018.rar (6.32 KB, 下载次数: 2533)


更新
2009-04-06
M8数控电源V4.02sch.PNG

丝位设定
熔丝位设定.JPG

PCB文件
M8数控电源PCB V4.02.rar (31.78 KB, 下载次数: 2256)
程序
M8数控电源V4.028.rar
M8数控电源V4.028.rar (6.35 KB, 下载次数: 1753)

更新
2009-05-03
1、增加一级输出三极管,增大放大倍数,减小放大器的控制电流。
2、减小反馈电容。

电路图
M8数控电源V4.03Sch.PNG

三线六键盘
三线6键.PNG

PCB
M8数控电源V4.03.rar (31.35 KB, 下载次数: 1799)
M8数控电源V4.061.rar (32.32 KB, 下载次数: 907)

程序V4.030
M8数控电源V4.030.rar (6.44 KB, 下载次数: 1188)

程序V4.038
增加电压自动微调。

使用模拟的反馈主控和数字慢速反馈微调双环控制。有效地解决了工作电压波动对PWM输出造成的影响。
程序支持的最大值为64V 、5 - 32A(对应的取样电阻R60为0.05 - 0.008欧,超出这范围都出错)。
M8数控电源V4.038.rar (6.64 KB, 下载次数: 1249)

程序V4.052
调小支持的最大电流。估计大家也用不了32A的电流。
程序支持的最大值为64V 、3 - 16A(对应的取样电阻R60为0.1 - 0.016欧,超出这范围都出错)。
输出的最大电流是由硬件控制的(250mV/取样电阻)。软件只是支持硬件。
M8数控电源V4.052电流3-16A.rar (6.71 KB, 下载次数: 1993)


2004屏程序
M8数控电源V4-LCD2004.rar
M8数控电源V4-LCD2004.rar (6.68 KB, 下载次数: 899)

电路调整
PWM控制部分改进一下。
M8数字电源(PWM D_A)  V5 Sch.JPG





V6.006版
20110226
V6.006.rar (7.59 KB, 下载次数: 1310)
程序支持的最大值为64V 、3 - 16A(对应的取样电阻R60为0.1 - 0.016欧,超出这范围都出错)。
显示屏:LCD1604或1602
按键:用单个数码旋转开关代替六键按键;使用M8的PD0-2接口,接线见下图。
数字旋转编码开关.JPG

操作:
工作模式:
1、锁定状态:启动后默认;按住中键4秒;无按键操作10秒后自动进入
     左右旋转却换屏显示功率、电阻等(用于支持1602屏)
2、调节状态:短按中键进入
     短按中键选择步进,100》10》1循环,左右旋转增减设定值
     按住中键1秒却换V/I设定
调试模式:
按住中键启动系统进入;左右旋转选择菜单功能。
1、Vo            校正输出电压
2、Vi             校正输入电压(必须先校正好输出电压)
3、I               校正输出电流
4、load EEP    将EEPROM备份数据载入系统
5、save EEP    将系统校正好的数据备份入EEPROM中
6、EXIT          退出





声明:
该设计及资料仅供本论坛及CT论坛注册会员测试使用。未经许可不得用于其他用途。

[ 本帖最后由 GandF 于 2009-7-30 00:28 编辑 ]
 楼主| 发表于 2008-12-2 12:26 | 显示全部楼层
:12;
注意事项:

1、功率三极管Q51和电流取样电阻R60是根据自己的实际使用范围来选择的。如果功率三极管功率不够,可以增加功率三极管并联。反正都是要用引线接出来放到散热片上。
2、两组电源是完全独立的。

3、将控制和输出部分分离是个不错的主意!控制部分用贴片元件做,这样会缩小很多。分离后,功能拓展更方便。输出部分:J52、J53、Q52、Q53、Q51、C50、R60、R65、C65。分离后有五条线:DCVin(Vin+)、GND(Vout+)、DCGND(Vout-共Vin-)、电流测试线和输出控制线。控制部分两面贴片布板,缩小后就成了数调版的LM317了。
:12;


友情链接
gandF版M8数控电源调试指引
https://www.yleee.com.cn/viewthread.php?tid=994&highlight
仿照gandF版M8数控电源(初步调试好了,各项功能实现)
https://www.yleee.com.cn/viewthread.php?tid=953&extra=page%3D1

[ 本帖最后由 GandF 于 2009-5-4 22:58 编辑 ]
回复 1 0

使用道具 举报

发表于 2008-12-2 15:34 | 显示全部楼层


回复 1 0

使用道具 举报

发表于 2008-12-3 22:54 | 显示全部楼层
放毒啊,什么时候在CT出套件啊?
回复 1 0

使用道具 举报

发表于 2008-12-17 18:17 | 显示全部楼层
同样期待套件
呵呵
回复 1 0

使用道具 举报

发表于 2008-12-29 11:27 | 显示全部楼层
同样期待套件呵呵
回复 0 1

使用道具 举报

 楼主| 发表于 2009-1-1 22:50 | 显示全部楼层
由于电源设计比较复杂,为了最终成果的尽量完美,借鉴于PIC电源的经验,我想增加一测试环节。而且本人测试工具、条件都有限。
有志愿者不?
显示先改回1602
回复 1 0

使用道具 举报

发表于 2009-1-1 23:58 | 显示全部楼层
我的条件也比较有限,示波器刚刚卖出,还少了一个示波器哈!不过如果有需要帮忙的我还是要帮忙!
回复 1 0

使用道具 举报

发表于 2009-1-2 13:55 | 显示全部楼层
<P>
原帖由 <I>GandF</I> 于 2009-1-1 22:50 发表 <A href="https://www.yleee.com.cn/redirect.php?goto=findpost&amp;pid=2598&amp;ptid=309" target=_blank><IMG alt="" src="https://www.yleee.com.cn/images/common/back.gif" border=0></A> 由于电源设计比较复杂,为了最终成果的尽量完美,借鉴于PIC电源的经验,我想增加一测试环节。而且本人测试工具、条件都有限。有志愿者不?显示先改回1602
</P>
<P>&nbsp;</P>
<P>不知道要“干什么”? </P>
<P>c.pc的,还没有完成呐——惭愧! </P>
回复 1 0

使用道具 举报

发表于 2009-2-9 18:36 | 显示全部楼层

非常希望能帮忙打打杂,不知楼主在什么地方?

非常希望能帮忙打打杂,不知楼主在什么地方?
不知道现在进度如何?
回复 1 0

使用道具 举报

本版积分规则

QQ|一淘宝店|手机版|商店|一乐电子 ( 粤ICP备09076165号 ) 公安备案粤公网安备 44522102000183号

GMT+8, 2025-11-24 03:01 , Processed in 0.044025 second(s), 30 queries , Gzip On.

Powered by Discuz! X3.5

© 2001-2025 Discuz! Team.

快速回复 返回顶部 返回列表