一乐电子

 找回密码
 请使用微信账号登录和注册会员

QQ登录

只需一步,快速开始

微信扫码登录

手机号码,快捷登录

手机号码,快捷登录

搜索
查看: 10474|回复: 50

[DIY套件预览] 真白菜 LCD2USB 0.99元

[复制链接]
发表于 2015-2-2 23:28 | 显示全部楼层 |阅读模式
上次的帖子《DIY超低价的UsbAsp下载器》https://www.yleee.com.cn/forum.php?mod=viewthread&tid=37668&page=2#pid690097
很多网友很有兴趣就是感觉楼主的淘宝店宝贝太少 所以这次增加一个超白菜的宝贝LCD2USB 主芯片只要0.99元
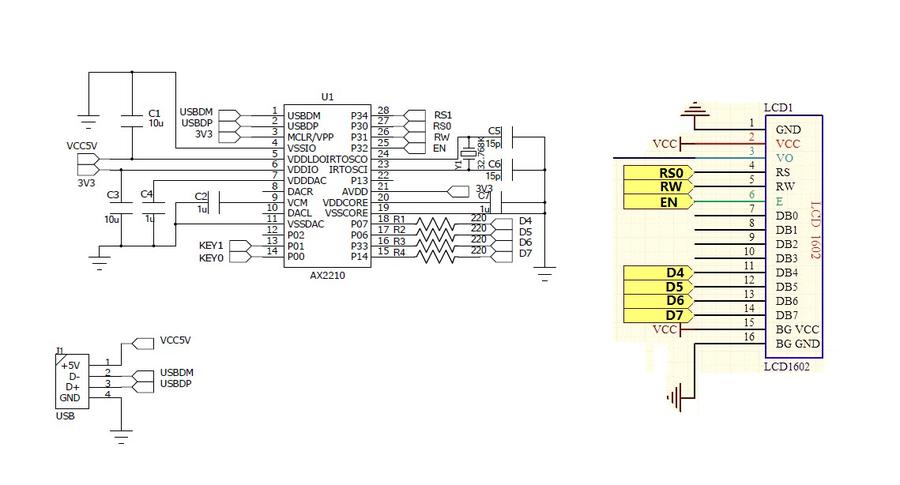
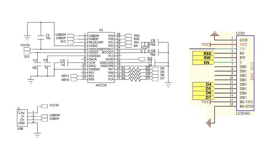
原理图是这样滴
为了布线方便芯片引脚的选择按1602的顺序安排 这样即使用洞洞板也很容易DIY
有网友愿意帮忙布线的话楼主可以洗一批板子供大家玩玩
发表于 2015-2-2 23:45 | 显示全部楼层
支持!!!!!!!!!!!!
回复

使用道具 举报

发表于 2015-2-3 00:08 | 显示全部楼层
挺不错的支持
回复

使用道具 举报

发表于 2015-2-3 00:28 | 显示全部楼层
支持!!!!!!!!!!!!
回复

使用道具 举报

 楼主| 发表于 2015-2-3 01:25 | 显示全部楼层
感谢大家的支持 有你们的支持就是我前进的动力
原理图竟然没有显示出来 这里补充一下
MyLCD2USB.jpg
电路没几个元件 数据线D4-D7串了200欧的电阻这样电路兼容5v和3.3v的1602
1602的V0及背光电压请根据具体屏的要求改 有哪些不足的地方请各位指正谢谢
若有哪位网友愿意帮忙布线的话楼主将万分感谢并送出一些小礼物
回复

使用道具 举报

发表于 2015-2-3 03:47 | 显示全部楼层
AX2210这么便宜,链接呢?
回复

使用道具 举报

发表于 2015-2-3 07:33 | 显示全部楼层
图上既有5V又有3V3,看来还要安排一个1117-3.3啊
回复

使用道具 举报

发表于 2015-2-3 07:45 | 显示全部楼层
要是有USB-12864,或者320240就好了。直接转USB的数据,可以用来测试不明的LCD,这样只要上位机做好,可以通吃LCD
回复

使用道具 举报

 楼主| 发表于 2015-2-3 08:02 | 显示全部楼层
sblinux 发表于 2015-2-3 07:33
图上既有5V又有3V3,看来还要安排一个1117-3.3啊

芯片内置3.3v LDO 不需要外部3.3v电源

回复

使用道具 举报

 楼主| 发表于 2015-2-3 08:08 | 显示全部楼层
fujiachun 发表于 2015-2-3 07:45
要是有USB-12864,或者320240就好了。直接转USB的数据,可以用来测试不明的LCD,这样只要上位机做好,可以 ...

USB-12864,或者320240 可以做 但只能用SPI接口 或者改用48PIN的芯片不然IO口数量不够 需要的网友多的话可以弄一个48PIN的大家玩玩

回复

使用道具 举报

本版积分规则

QQ|一淘宝店|手机版|商店|一乐电子 ( 粤ICP备09076165号 ) 公安备案粤公网安备 44522102000183号

GMT+8, 2025-11-24 00:25 , Processed in 0.040219 second(s), 30 queries , Gzip On.

Powered by Discuz! X3.5

© 2001-2025 Discuz! Team.

快速回复 返回顶部 返回列表