一乐电子

 找回密码
 请使用微信账号登录和注册会员

QQ登录

只需一步,快速开始

微信扫码登录

手机号码,快捷登录

手机号码,快捷登录

搜索
查看: 7722|回复: 24

3.6A/12V充电器原理讨论

  [复制链接]
发表于 2011-4-2 08:40 | 显示全部楼层 |阅读模式
本帖最后由 beary2010 于 2011-4-2 10:10 编辑

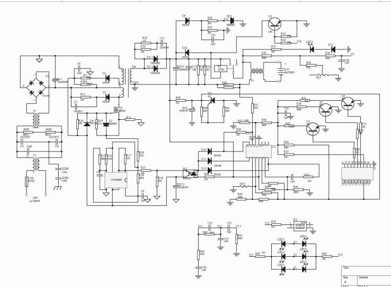
最近刚开始研发充电器,现在遇到个问题,使用的是3844开关芯片没有工作7,8脚输出才3V的脉冲,变压器也没有输出,请教下应该是哪里出了问题。
为了能看更清楚点上传了PDF档的原理图。
未命名.jpg

原理图.pdf

32.81 KB, 下载次数: 246, 下载积分: 一乐金币 -1

 楼主| 发表于 2011-4-2 08:52 | 显示全部楼层
补充下,其中MOS管 G极和S极的稳压管是3V
回复

使用道具 举报

发表于 2011-4-2 09:15 | 显示全部楼层
这个一般电源都是18V左右的。
回复

使用道具 举报

 楼主| 发表于 2011-4-2 09:21 | 显示全部楼层
是输出12V/3.6A与0.8A切换的充电器。本来变压器输出应该有18V,但是现在3844没有工作 是什么原因呢?
回复

使用道具 举报

发表于 2011-4-2 09:25 | 显示全部楼层
本帖最后由 lihongran 于 2011-4-2 09:26 编辑

回复 1# beary2010


      好歹你也上个清晰图啊,都来这了还怕泄密啊,其实也没什么密可泄。看得晕乎乎的
你重点看看启动电路有异常不:启动电阻选值合不合适?反馈绕组输出电压够不够?等等
回复

使用道具 举报

 楼主| 发表于 2011-4-2 09:56 | 显示全部楼层
纠结,怎么才能上传清晰的!
回复

使用道具 举报

发表于 2011-4-2 09:59 | 显示全部楼层
回复 6# beary2010


    你肯定是先要把你的SCH导出成一张清晰的图片才能上传啊
回复

使用道具 举报

 楼主| 发表于 2011-4-2 10:10 | 显示全部楼层
上传了清晰的PDF的原理图
回复

使用道具 举报

发表于 2011-4-2 10:17 | 显示全部楼层
本帖最后由 lihongran 于 2011-4-2 11:16 编辑
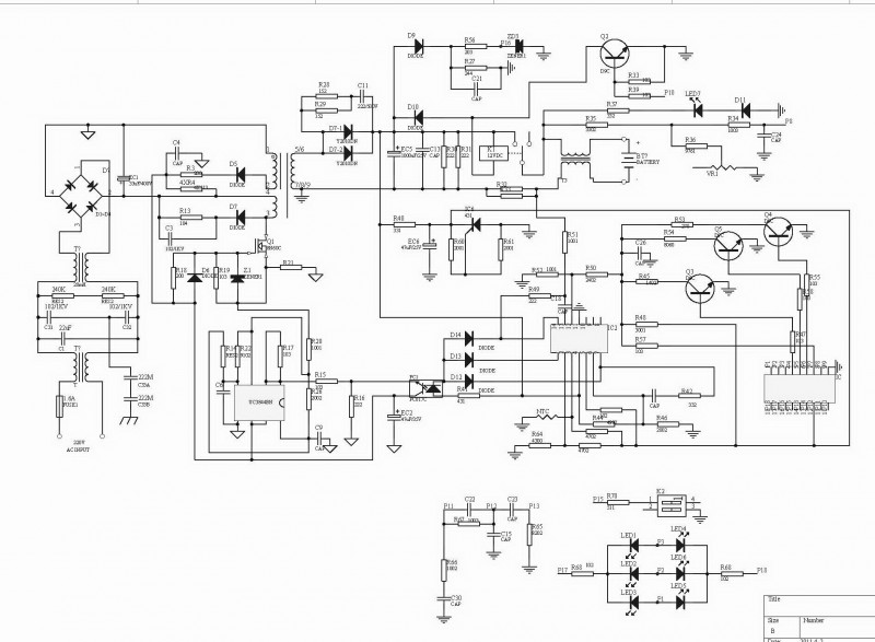
补充下,其中MOS管 G极和S极的稳压管是3V
beary2010 发表于 2011-4-2 08:52 https://www.yleee.com.cn/images/common/back.gif



    稳压管怎么是3V ,一般是在8V到18V之间选取。
那也就是说控制脉冲幅度最高也只有3V,能开启8N60C吗?

将此WD值提高8V以上试试
11111.JPG

原理图0000.jpg
回复

使用道具 举报

 楼主| 发表于 2011-4-2 10:23 | 显示全部楼层
如果7,8脚连一起会不会有问题?
回复

使用道具 举报

本版积分规则

QQ|一淘宝店|手机版|商店|一乐电子 ( 粤ICP备09076165号 ) 公安备案粤公网安备 44522102000183号

GMT+8, 2026-3-14 17:09 , Processed in 0.033492 second(s), 30 queries , Gzip On.

Powered by Discuz! X3.5

© 2001-2025 Discuz! Team.

快速回复 返回顶部 返回列表