一乐电子

 找回密码
 请使用微信账号登录和注册会员

QQ登录

只需一步,快速开始

微信扫码登录

手机号码,快捷登录

手机号码,快捷登录

搜索
楼主: fish8840

fish8840套件地摊之向所有坛友征集套件方案

 火.. [复制链接]
发表于 2011-10-31 00:02 | 显示全部楼层
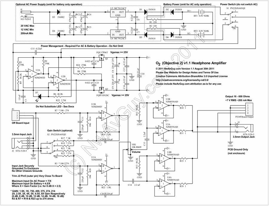
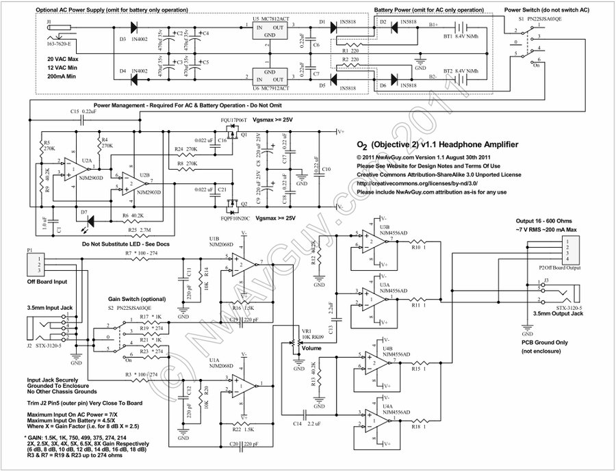
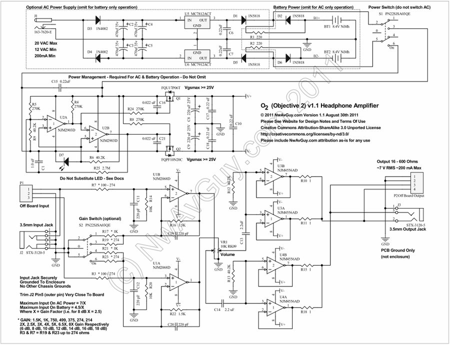
photo.PNG ; _: ^$ L5 x' c/ o7 Z+ H4 j
老外的套件刚到手,资料在整理中
( l) J  C0 ^2 Z- Y0 s% k3 }大家都有與趣的话,可以做套件出來玩玩
, Q, {8 h* l  j/ ?这个是耳擴,双9V的,如果可改成鋰电会更好
回复

使用道具 举报

发表于 2011-10-31 12:42 | 显示全部楼层
电池的充放电测试仪,将充电和电子负载结合,可以冲各种电池,镍氢、磷酸铁锂、锂电、聚合物,可以选择,单节多节充放电,平衡充放电等
回复

使用道具 举报

发表于 2011-10-31 12:43 | 显示全部楼层
单片机控制的自动量程双路音频毫伏表。LCD显示两路信号电平,两路间的信号幅度差(增益,以分贝表示),以及信号频率等。呵呵,想法而已。
回复

使用道具 举报

发表于 2011-11-1 12:53 | 显示全部楼层
50MHZ-2GHZ频率计  这个可以出套件 (此贴在矿坛)" e% Z- c( H- j& w6 W9 j( r/ q

/ X) J! ~4 f0 l0 d                               
登录/注册后可看大图

7 e! |" A+ a% K2 m( i* F2 o. j( q$ G( _' Q

  f' D6 ]+ p& j& M                               
登录/注册后可看大图

& y; y8 F( T! \6 b2 Y' m5 M

5 J$ B; Y  \& x3 z                               
登录/注册后可看大图
回复

使用道具 举报

发表于 2011-11-1 14:59 | 显示全部楼层

写在开头:

其实这个帖子被我翻看了无数遍,每次都想写点什么,无奈最近人懒得不成样子,一直不想敲字,今天上班没事,砌点砖块打发无聊的时间。

言归正传:

之前在楼主那买过数显白光套件,宝贝用着很顺手。现在赶上楼主征集套件创意方案,我作为初级菜鸟也说说自己的需要吧。

想大家都已经看到,现在M8数控电源套件在论坛那炒得是非常之火,fish的,DZ的套件都非常棒,功能也非常全面,确实是一件“居家旅行,杀人灭口的必备良药”。

但是作为初级菜鸟的我(或则我们)需要可能没有这么多,并且作为业余玩玩,成本预算可能也不是很充裕,就拿我来说,我现在是需要一台可调电源,电压不需要太高的(0-24vDC以内),电流也无需太大,毕竟就是业余玩玩,不会有太大功率的东东,当然最关键的是成本不能太高。

讲到此可能有大大要讲话了“那你干嘛不直接上淘宝找块降压板就得了”,您还真说对了,这就是我目前的想法。但在万能的淘宝游荡多日阅过无数降压板之后,还真就没有一块降压板能引起我的兴趣,其实也不是我的要求太高,通过前面的一堆废话大家也能看出来我要求很低很业余,但是缘分这个东西不是谁天天都能碰得到的。思来想去还是来这儿提建议吧:

1、作为一个DIYer,首先第一条要求这个可调电源套件是DIY套件,当然也可以提供成品给部分动手能力稍弱点的朋友;

2、电源控制套件能调恒压、恒流。这个调节范围可以不必太大,我个人的想法就是可以直接利用类似笔记本电源之类的开关电源作为电压源,一来这样的电源好找,二来在可能的情况下可以共享诸如白菜白光烙铁的电源,一电多用(在能够保障功率的前提下),合理利用资源;

3、套件最好带数显功能,为了控制成本可以选择数码管作为显示方案(fish现在不就有数码管显示的白光控制器面世了吗),建议可以采用两个三位数码管分别显示电压和电流,现在市面上多数可调电源都是采用的这种显示方式;

4、控制器尽可能做得巧,小,如有必要直接做成贴片的也ok

5、控制器调试尽量做得傻瓜,可以满足像我这样的菜鸟调试DIY成品;

6、在满足控制使用要求的前提下尽可能控制成本,让更多爱好者能够用上可调电源,造福DIYer

7、其他考虑不周(全)或讲得有误的地方烦请其他坛友和楼主纠正。

另外给出一个我游荡淘宝多日找到的一个稍能引起我兴趣的宝贝链接(首先申明这个不是我在打广告,我也不是商家的托儿,楼主和斑竹如觉得我有此嫌疑可以删除这个链接),我只是一个爱好者和初级菜鸟,在此提一点我想要的东西。

http://item.taobao.com/item.htm?id=8225426955
6 G2 y# a% N" k

我对上面这个宝贝的不满之处就是,体积太大,不能恒压恒流,显示不全。

最后祝愿所有的坛友朋友能够玩上自己喜欢的套件,也祝愿楼主的生意蒸蒸日上!

附上我D的在fish那买的数显白光套件,DIY过程帖子我发在数码之家了,最近给她换了身衣服,让她出来一乐露个脸。


7 c8 e  Q/ `. Z. V/ \" p 换衣之前.jpg 换衣之前-全家福.jpg 换衣之后.jpg 换衣之后-全家福.jpg

回复

使用道具 举报

发表于 2011-11-2 15:06 | 显示全部楼层
接楼上继续
( T) w' I7 X7 v7 zhttp://item.taobao.com/item.htm?id=13983388389* Q3 r" c" C* k5 X  l
在这个的基础上增加调节输出电流,并增加电流显示(可以增加一个数码管或则通过切换显示也行),输入/出电压和电流显示时分别通过一个双色发光二极管指示,出套件
回复

使用道具 举报

发表于 2011-11-2 15:46 | 显示全部楼层
提个建议,就是如果批量的话,楼主可以在各个大地区弄个分团,邮费可以省很多了。
回复

使用道具 举报

发表于 2011-11-3 09:48 | 显示全部楼层
建议搞这个矿坛的LCR套件。) J5 D$ l8 E; ^
http://www.crystalradio.cn/bbs/thread-221978-1-1.html
. k5 N5 G1 R' e' P- H作者没有时间出套件,很多人都想要。下面是作者在47楼的回复。
8 S- T* S9 @4 }, `0 `" Z; N========================================$ F- s7 _% z  I& j3 k2 t
这么多人要套件啊!
7 y; @7 J7 Q: Y# z7 k, B这样吧,你们当中一人组织套件。) H: Z! @* N* y! Y
我把PCB板工程文档发给他,直接拿去打样即可。
9 f9 Y. X0 d# R* _如果当心调试不出来,可以寄一套给我调试。通常没有这个必要的。
; f: T: t9 r0 o* m5 W) l. T如果需要1602,那可能有必要寄一套过来调试。否则得你们得自行更改显示驱动。熟悉单片机的,也可以自己改驱动程序。* z) q1 E  b' Z  L( r0 k

7 `: {3 x5 u# n9 y& X显示方式的选择,与最终的LCR表装修是相关联的。
$ n9 T8 }  d9 t8 }如果不打算装修,就用这个LED电路,方便快捷。直接把主板装进盒子里,固定好,盒子上装两个接线柱,用四条屏蔽线(尽量短一些),将LCR表的测试端子接到接线柱即可。要用的时候,打开合子,用完后,盖上盒子。. i1 b$ o/ t- _( m- I8 L
如果使用1602,建议想办法装修一下,不然那个1602不小心会搞坏了,命不长。用LED,经常晒太阳也不会坏,我DIY的东西,经常晒太阳。: {6 ^/ d! G2 ^2 ?# d- H
  P9 g( }" X: C, Y  X" @
如果有套件,装机耗时大约如下:
/ R7 r  b+ h( F熟悉电路板:2小时
" U& X8 L; e, O% t' U2 ?/ b) D找元件:2小时
0 U4 ]& U. U+ [% j) I7 a) @2 H装元件:3至4小时
  `! i2 k" @5 T' V7 M% M) N筛选电阻:2至3小时$ `! J" g) Z  \3 B# @* y
装错反工:2小时* @" ]! I$ O$ N" b2 I% j* s0 G$ d# i$ h
制作下载器,学习下载程序:4小时,如果做得不顺,两天也弄不出来。
& a! Z9 u! C; l: H2 L初步调试验证:1小时& Q7 X* z# @$ Y- L) P% Q
练习使用,全面测试:5小时
* j# \  M2 B' @" [+ q也就是说,一天时间,可能装不完,估计需要两三天或更久。熟悉单片机及LCR表的,会比较顺利,1天基本够用。
回复

使用道具 举报

发表于 2011-11-3 10:40 | 显示全部楼层
接楼上继续
$ v. _/ i# ~2 O* L# F+ d# C' a& Z6 G5 Y# z
在这个的基础上增加调节输出电流,并增加电流显示(可以增加一个数码管或则通过切换显示也行 ...6 i& M; M) A0 k" R6 j+ L: s8 M& i
slqin2418 发表于 2011-11-2 15:06
# z7 R4 R7 G' p1 ?% _& y3 H. G; [

2 J8 v6 A3 M6 w0 j, G芯片看着像mp2307
回复

使用道具 举报

发表于 2011-11-3 10:42 | 显示全部楼层
建议搞这个矿坛的LCR套件。7 G7 K7 |" Z) V2 [7 N8 {* G

' G7 o) Y: P9 O, l作者没有时间出套件,很多人都想要。下面是作者在47楼的回复。" T' x! Z4 u4 u2 F# a% x" [
=========== ...
& f0 g0 L: k0 P, V' P, Q8 N" uacbear 发表于 2011-11-3 09:48

2 E) u2 c5 `! w$ ^+ G( f; |" r+ n5 Z: A: t! j2 r
支持这个套件,在LCR另一帖里我也提到过这个表。
回复

使用道具 举报

本版积分规则

QQ|一淘宝店|手机版|商店|一乐电子 ( 粤ICP备09076165号 ) 公安备案粤公网安备 44522102000183号

GMT+8, 2026-1-12 07:09 , Processed in 0.033601 second(s), 18 queries , Gzip On.

Powered by Discuz! X3.5

© 2001-2025 Discuz! Team.

快速回复 返回顶部 返回列表