一乐电子

 找回密码
 请使用微信账号登录和注册会员

QQ登录

只需一步,快速开始

微信扫码登录

手机号码,快捷登录

手机号码,快捷登录

搜索
查看: 185319|回复: 454

[其他综合] 晶体管测试器AVR-Transistortester

 火... [复制链接]
发表于 2010-2-10 17:03 | 显示全部楼层 |阅读模式
本帖最后由 jbzzz 于 2010-3-28 20:46 编辑

在CT看到的,做了个,不错
原网站: http://www.mikrocontroller.net/articles/AVR-Transistortester
有源码
功能
*自动检测NPN和PNP晶体管,N沟道和P沟道MOSFET,二极管(包括双二极管),晶闸管,三极管,电阻器和电容器。
*自动检测和测试元件的引脚报告
*检测及晶体管和MOSFET保护二极管显示器
*的放大系数和基数的确定发射极晶体管的正向电压
*测量栅极阈值电压和栅电容的MOSFET
*显示值在文本液晶(2 * 16个字符)
*有效期组件测试:在2秒(除在较大的电容器)
*一键操作,自动切断
*功率消耗关闭模式:小于20 nA的

自开展例如场效应管(JFET的)现在支持。是晶闸管和Traics情况下可能导致问题,如果(在测试电流7毫安)低于维持电流。 MOSFET和晶体管已经发现了,但在我的测试总是准确的。
对于电阻测量范围约2欧姆为20M欧姆,覆盖了电阻值最大。其精确度不高。
电容器可以衡量的约0.2 nF至7000μF好。上面的准确性4000μF日益恶化。在原则上,大电容的测量还需要较长时间,测量的时间为1分钟是正常的。
Transistortester_ohne_Abschaltung.png

点评

新的在这里http://www.mikrocontroller.net/articles/AVR_Transistortester  发表于 2015-1-24 20:10

评分

参与人数 1一乐金币 +6 收起 理由
zydl123 + 6 新的http://www.mikrocontroller.net/artic.

查看全部评分

 楼主| 发表于 2010-2-10 17:07 | 显示全部楼层
本帖最后由 jbzzz 于 2010-2-10 18:17 编辑

IMG_0715.JPG
IMG_0717.JPG
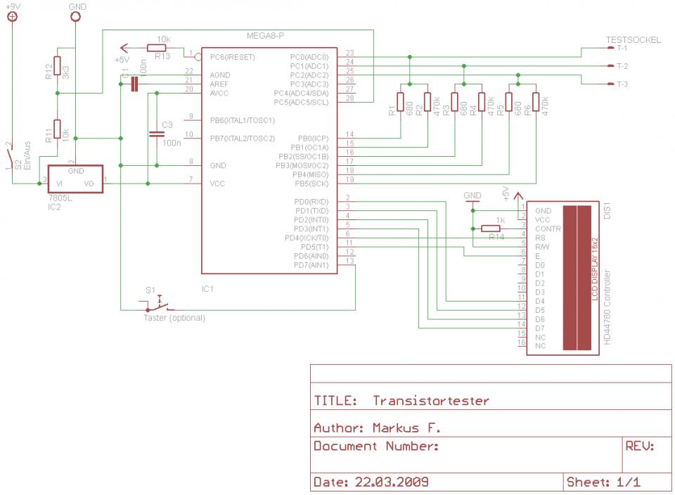
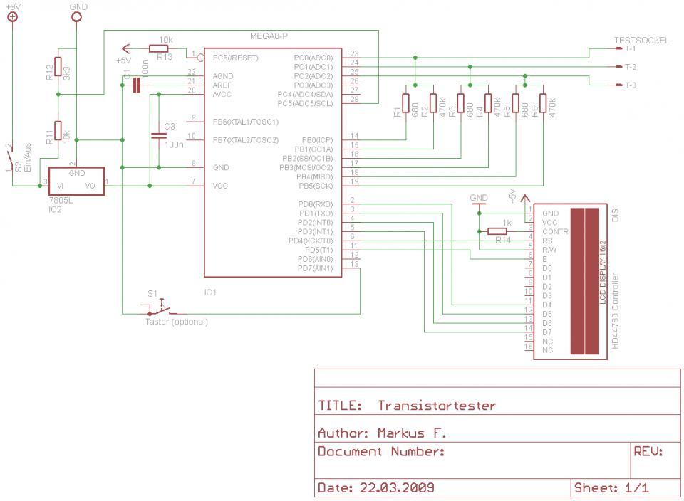
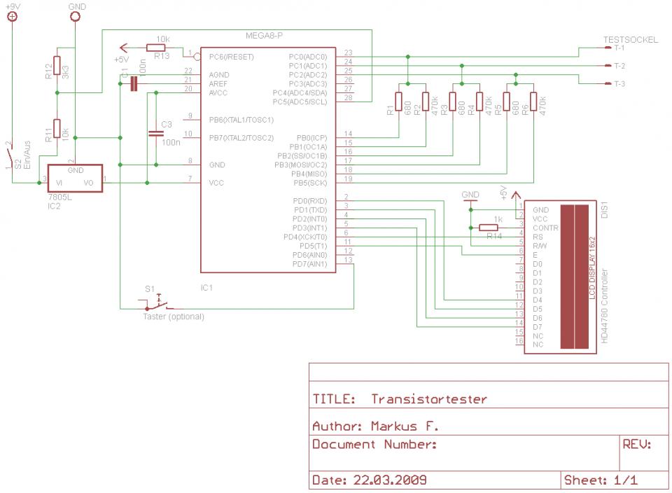
schaltplan.png
我做的是上面这个图
搭了个,按下测试钮,显示结果,过几秒,自动关闭电路,再按钮,可以再看到显示结果,几秒后关闭

评分

参与人数 7 +29 一乐金币 +91 +9 收起 理由
yleee + 80 谢谢兄弟介绍这么好的东西!
968201 + 6 不错,好东西!
80956587 + 10 + 4 + 8
benxiong22 + 1 + 1 + 1
暗夜迷影 + 6 不错
fat + 6 谢谢兄弟介绍这么好的东西!
fujiachun + 6 很不错的

查看全部评分

回复 1 0

使用道具 举报

发表于 2010-2-10 17:40 | 显示全部楼层
这个不错,可以做到很小
回复

使用道具 举报

发表于 2010-2-10 17:43 | 显示全部楼层
不错,好快的手,我刚看到,都有完工的啦
回复

使用道具 举报

发表于 2010-2-10 19:43 | 显示全部楼层
不太明白为什么都喜欢作这个,实用性大吗?
回复

使用道具 举报

发表于 2010-2-10 20:05 | 显示全部楼层
这个制作起来,比起 PIC 16F876 那个,成本便宜不小了。。。。。。。。。。。
回复

使用道具 举报

 楼主| 发表于 2010-2-10 22:55 | 显示全部楼层
本帖最后由 jbzzz 于 2010-2-11 01:25 编辑

看来是德语,Google翻译了下
功能
*自动检测NPN和PNP晶体管,N沟道和P沟道MOSFET,二极管(包括双二极管),晶闸管,三极管,电阻器和电容器。
*自动检测和测试元件的引脚报告
*检测及晶体管和MOSFET保护二极管显示器
*的放大系数和基数的确定发射极晶体管的正向电压
*测量栅极阈值电压和栅电容的MOSFET
*显示值在文本液晶(2 * 16个字符)
*有效期组件测试:在2秒(除在较大的电容器)
*一键操作,自动切断
*功率消耗关闭模式:小于20 nA的

自开展例如场效应管(JFET的)现在支持。是晶闸管和Traics情况下可能导致问题,如果(在测试电流7毫安)低于维持电流。 MOSFET和晶体管已经发现了,但在我的测试总是准确的。
对于电阻测量范围约2欧姆为20M欧姆,覆盖了电阻值最大。其精确度不高。
电容器可以衡量的约0.2 nF至7000μF好。上面的准确性4000μF日益恶化。在原则上,大电容的测量还需要较长时间,测量的时间为1分钟是正常的。
回复

使用道具 举报

发表于 2010-2-10 23:24 | 显示全部楼层
这个用起来如何?等过年放假时我做个玩玩
回复

使用道具 举报

 楼主| 发表于 2010-2-10 23:45 | 显示全部楼层
本帖最后由 jbzzz 于 2010-2-10 23:55 编辑

感觉还不错
测了下,用的无背光1602,测试时电流10mA左右,10秒后关断电路,电源端没测到有电流,用9V电池应该不错
测了个电容220uf,470uf还蛮准的,呵呵
IMG_0724.JPG
标称 220uF
回复

使用道具 举报

发表于 2010-2-10 23:51 | 显示全部楼层
我改了一下,计划用老王的锂点两节,还没有开工 111.JPG
回复

使用道具 举报

本版积分规则

QQ|一淘宝店|手机版|商店|一乐电子 ( 粤ICP备09076165号 ) 公安备案粤公网安备 44522102000183号

GMT+8, 2025-11-23 19:53 , Processed in 0.037103 second(s), 31 queries , Gzip On.

Powered by Discuz! X3.5

© 2001-2025 Discuz! Team.

快速回复 返回顶部 返回列表