一乐电子

 找回密码
 请使用微信账号登录和注册会员

QQ登录

只需一步,快速开始

微信扫码登录

手机号码,快捷登录

手机号码,快捷登录

搜索
楼主: Siagfried

[其他DIY] PM2.5克星-自制负离子空气净化器-从设计到制作(上)

[复制链接]
发表于 2014-1-26 20:15 | 显示全部楼层
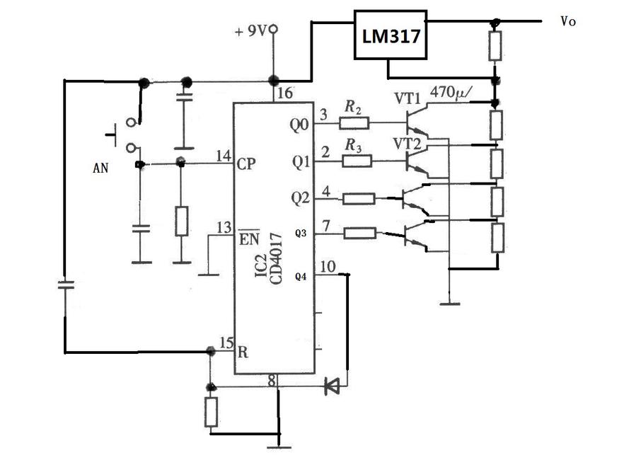
4017.jpg
用画笔修改了一个,试试看。

点评

啊,谢谢,我这就试试看。  发表于 2014-1-26 20:35
回复

使用道具 举报

发表于 2014-1-27 08:27 | 显示全部楼层
Siagfried 发表于 2014-1-24 14:45
非常感谢,是正负7.5V供电吗?

实际是单电源供电,把-7.5V换成GND,没有问题。这个图是配合其余电路使用的,没有修改,直接整上来了。
回复

使用道具 举报

发表于 2014-1-27 08:34 | 显示全部楼层
楼主美术功底厉害
回复

使用道具 举报

发表于 2014-1-27 19:13 | 显示全部楼层
今天刚看到你的这个帖子,不好意思

你用6个12V的风扇,每个风扇的工作电流大概是0.3A吧?
6个并联使用就是1.8A,塑封LM317的长时间工作电流一般要小于1.5A,很显然LM317的电流偏小。

另外就是你使用12V电源,LM317的压降也要考虑,这样一来风扇不能在额定电压下运转,最大转速就达不到要求。


回复

使用道具 举报

发表于 2014-1-27 19:51 | 显示全部楼层
CD4017做单键3档转速切换,需要注意信号输入端必须整形,直接用按键输入信号很不可靠。

具体电路可以参考这个帖子的1楼电路:
https://www.yleee.com.cn/thread-5542-1-1.html

点评

过年前买了一批您的电路图中出现过的元件,准备趁休息全部做一遍。可惜还没看到您那么早的帖子,不然可以少走很多弯路。  发表于 2014-1-27 20:55
回复

使用道具 举报

发表于 2014-1-27 19:55 | 显示全部楼层
6个风扇同步调整转速,可以使用低压差恒流电路,用改变风扇工作电流的方式来切换转速。

具体电路可以参考这个帖子的9楼、10楼。
https://www.yleee.com.cn/thread-26883-1-1.html
回复

使用道具 举报

发表于 2014-1-27 20:28 | 显示全部楼层
画了一张单按键3档切换风扇转速电路,使用调整风扇工作电流的方式改变转速:

单按键直流风扇调速电路.GIF

点评

非常感谢3AG1老师。 实测12V时,一个风扇电流是0.06A,用您的电路图可以么?两个可调电阻具体作用能解释一下吗?  发表于 2014-1-27 20:51
回复

使用道具 举报

 楼主| 发表于 2014-1-27 22:20 | 显示全部楼层
3AG1 发表于 2014-1-27 20:28
画了一张单按键3档切换风扇转速电路,使用调整风扇工作电流的方式改变转速:

用我那贫瘠地电路知识看了半天,三极管是电流控电流,那两个可调电阻应该就是调电流的吧?
回复

使用道具 举报

 楼主| 发表于 2014-1-27 22:23 | 显示全部楼层
今天焊洞洞板给焊锡的味道熏得半死,突发奇想,这个空气净化器是否要带个烙铁功能 ,哈哈
回复

使用道具 举报

发表于 2014-1-28 10:59 | 显示全部楼层
图好好看啊,楼主能分享下都是什么软件实现图的吗?嘻嘻。
回复

使用道具 举报

本版积分规则

QQ|一淘宝店|手机版|商店|一乐电子 ( 粤ICP备09076165号 ) 公安备案粤公网安备 44522102000183号

GMT+8, 2025-12-18 17:22 , Processed in 0.034204 second(s), 28 queries , Gzip On.

Powered by Discuz! X3.5

© 2001-2025 Discuz! Team.

快速回复 返回顶部 返回列表