一乐电子

 找回密码
 请使用微信账号登录和注册会员

QQ登录

只需一步,快速开始

微信扫码登录

手机号码,快捷登录

手机号码,快捷登录

搜索
楼主: kangdage

图解十步开关电源模块改可调

 火... [复制链接]
发表于 2015-5-28 19:51 | 显示全部楼层
楼主你好,定时开关的显示屏能改电压电流表吗?
回复

使用道具 举报

 楼主| 发表于 2015-5-29 00:33 | 显示全部楼层
ytmetg 发表于 2015-5-28 16:45
1V短路调流,0A没声音0.3/4左右开始就有声音了,电流越大声音越大.

那这样确实失去了实用性。

刚刚考虑了下,输出电压加倍后,输出电抗也应当加倍的。
因为输出电压加倍后,同等输出电抗的情况下,电流的上升速度也是加倍的。
这导致在原有的反馈环路带宽不足导致震荡。
同时也导致输出波纹增加。
相对于调整反馈环路,调整电抗值更为方便。
电压加倍电抗也加倍,即可保证改电压后电流环路跟以前一样。
若是原电抗为双线并绕改为串联即可。
若是单线则用细一好的线按原匹数加倍重绕即可。
也可另找一相同的串联起来。

你再试试吧!

评分

参与人数 1一乐金币 +20 收起 理由
ytmetg + 20 赞一个!

查看全部评分

回复

使用道具 举报

 楼主| 发表于 2015-5-29 00:35 | 显示全部楼层
lylcbbk 发表于 2015-5-28 19:51
楼主你好,定时开关的显示屏能改电压电流表吗?

要拆开看内部是否为7107之类的芯片。
定时开关的估计改不了,里面一般多为纯数字电路。
回复

使用道具 举报

发表于 2015-5-29 09:01 | 显示全部楼层
kangdage 发表于 2015-5-29 00:35
要拆开看内部是否为7107之类的芯片。
定时开关的估计改不了,里面一般多为纯数字电路。

谢谢楼主,看看了里边没有7107,看来无法改。
回复

使用道具 举报

发表于 2015-6-5 08:43 | 显示全部楼层
kangdage 发表于 2014-6-20 23:39
第九步:改输出范围。
因为改大了电流采样电阻,所以电流输出范围比原来小。
先将两个电位器都调到最小, ...

看了两遍,才算看懂。昨天照着帖子,比葫芦画瓢,改了一个24V 14.6A的电源,电路差不多。
先不动TL494的供电电路。也不动开关管的自激电阻。直接从14脚找到两个相连的电阻,一个去15脚一个去2脚,挑开接电位器。电压可以从10---27.2V可调。低于10V ,应该是TL494电压太低停止工作了。


正常工作时测得TL44的工作电压15V,于是挑开给494整流供电的两个二极管。外接14V的电源,然后通电,奇怪的是电源不工作,百思不得其解啊
回复

使用道具 举报

 楼主| 发表于 2015-6-5 12:18 | 显示全部楼层
本帖最后由 kangdage 于 2015-6-5 12:21 编辑
qhtfyunfei 发表于 2015-6-5 08:43
看了两遍,才算看懂。昨天照着帖子,比葫芦画瓢,改了一个24V 14.6A的电源,电路差不多。
先不动TL494的 ...

应当是你辅助供电接的位置不对。猜你辅助供电可能直接接到494上了。
实际辅助供电有两路,一路去驱动部分,一路去494.

也有可能是你没有拆短路保护电路。
仔细看看494-4脚有没有连接三极管一类的,拆掉。
之前回帖里有介绍,忘记补充到教程里了。

过一阵不忙了整理个pdf,家里好像有word板的,晚上找找。
有这么难吗?两遍才看懂,哪里不明白,也许是我没说清楚。
回复

使用道具 举报

发表于 2015-6-5 13:21 | 显示全部楼层
kangdage 发表于 2015-6-5 12:18
应当是你辅助供电接的位置不对。猜你辅助供电可能直接接到494上了。
实际辅助供电有两路,一路去驱动部 ...

我是直接接到TL494供电的整流二极管后面,仔细看了,这个供电分为三路,一路通过LC滤波,给7812供电,带动散热风扇(风扇由一个靠近抵押滤波的大电感的热敏电阻,LM358组成控制系统)  另外一路通过一个1W的电阻给驱动变压器去了。还有一路是通到一个保险电阻给TL494的供电。
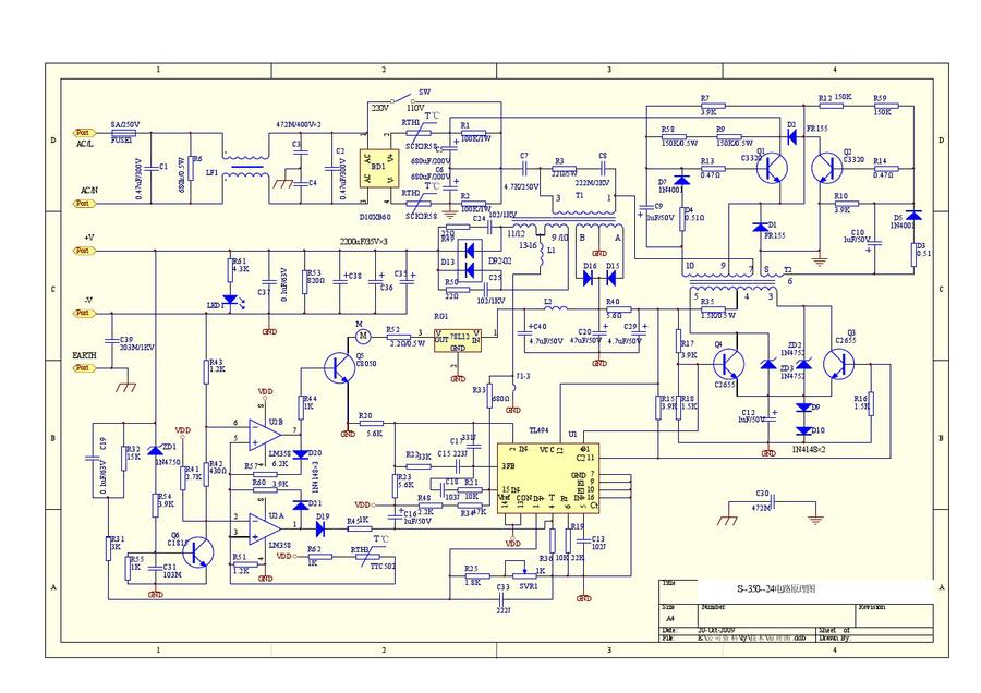
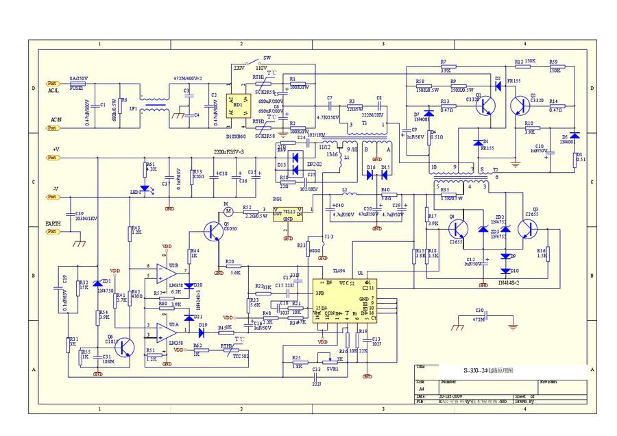
我找了一下电路图,基本上和这个一样,只是原件编号不同而已。  另外这个板子上多了一个C1815, E极接地,C极通过一个56K的电阻接到494的14脚,也通过一个二极管接到4脚。B极则通过两个电阻分别接到电源的正负极。  这个是短路保护的吗?是否要去掉?
6a92fd1f52d380eb63946d03.jpg
回复 1 0

使用道具 举报

发表于 2015-6-5 13:47 | 显示全部楼层
本帖最后由 qhtfyunfei 于 2015-6-6 10:03 编辑
kangdage 发表于 2015-6-5 12:18
应当是你辅助供电接的位置不对。猜你辅助供电可能直接接到494上了。
实际辅助供电有两路,一路去驱动部 ...

不是你帖子写的不仔细,是我对TL494不了解
昨天查了查资料,继续动手,吱吱声是自激。必须取掉开关管的自激电阻,否则断开给TL494供电的二极管,就会严重自激发出吱吱声。 之所以不会工作,是因为我先给TL494供电,然后再给开关电源供电,必须要同时或者先给开关电源供电。

取掉短路保护后。现在电压可以调节到0--30.5V,但是无论我怎么调整TL494的1脚对地及对正极的电阻,电压始终都无法再高。非常奇怪
回复

使用道具 举报

发表于 2015-6-5 22:20 | 显示全部楼层
本帖最后由 qhtfyunfei 于 2015-6-6 02:55 编辑
kangdage 发表于 2015-6-5 12:18
应当是你辅助供电接的位置不对。猜你辅助供电可能直接接到494上了。
实际辅助供电有两路,一路去驱动部 ...

又摸索了下,原来必须要取掉开关管的自激电阻。否则断开二极管整流后给TL494的供电,就会严重自激,算自己幸运,居然试了几次,自激了几次都没有烧坏管子。
现在去掉了自激的正反馈300K的电阻,单独对TL494供电没有问题了。

前面之所以不行,不是因为短路保护,是因为我先给TL494通电,然后再给开关电源供电,导致无法工作,不太明白其中的道理。现在先给电源通电,再接上独立供电,就没有问题了。调压低于9V后,短路保护电路启动,拆掉短路保护电路,成功实现0--27.2V可调。

但是奇怪的是,我不管是调整TL494的1脚的连接输出负极的电阻(是一个3.22K和2K的可调电阻串联,不更改时,电压可以在20---27V之间调节)。同时也尝试更改1脚连接到输出正极之间的电阻,但是无论怎么改,最大电压都只有33V,加负载后,发现实际有效电压只有30.5V。这是怎么回事呢?
回复

使用道具 举报

发表于 2015-6-6 02:59 | 显示全部楼层
经过一番折腾,原来是因为我先给494通电,再给电源通电导致的。同时上电就没有问题了。


现在电压可以0--30.5V之间调节。纳闷的是,无论我如何调整更改494的1脚对输出正负极的电阻,最大电压就死死的33V,但是一上负载,就跌落到30.5V,这是怎么回事呢?
回复

使用道具 举报

本版积分规则

QQ|一淘宝店|手机版|商店|一乐电子 ( 粤ICP备09076165号 ) 公安备案粤公网安备 44522102000183号

GMT+8, 2026-4-21 16:08 , Processed in 0.035039 second(s), 30 queries , Gzip On.

Powered by Discuz! X3.5

© 2001-2025 Discuz! Team.

快速回复 返回顶部 返回列表